GM Service Manual Online
For 1990-2009 cars only

Refer to
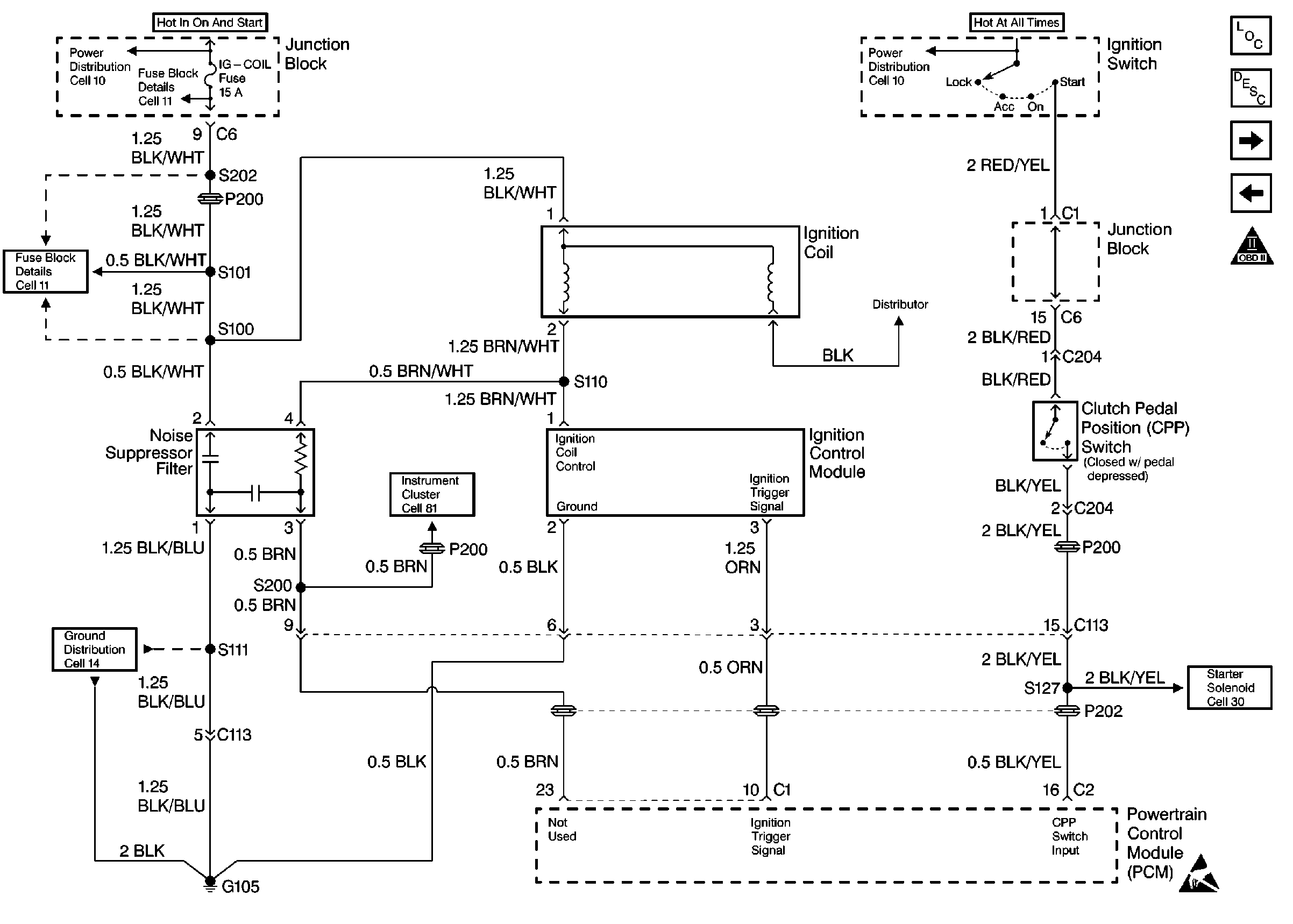
Object Number: 61889  Size: FS
and
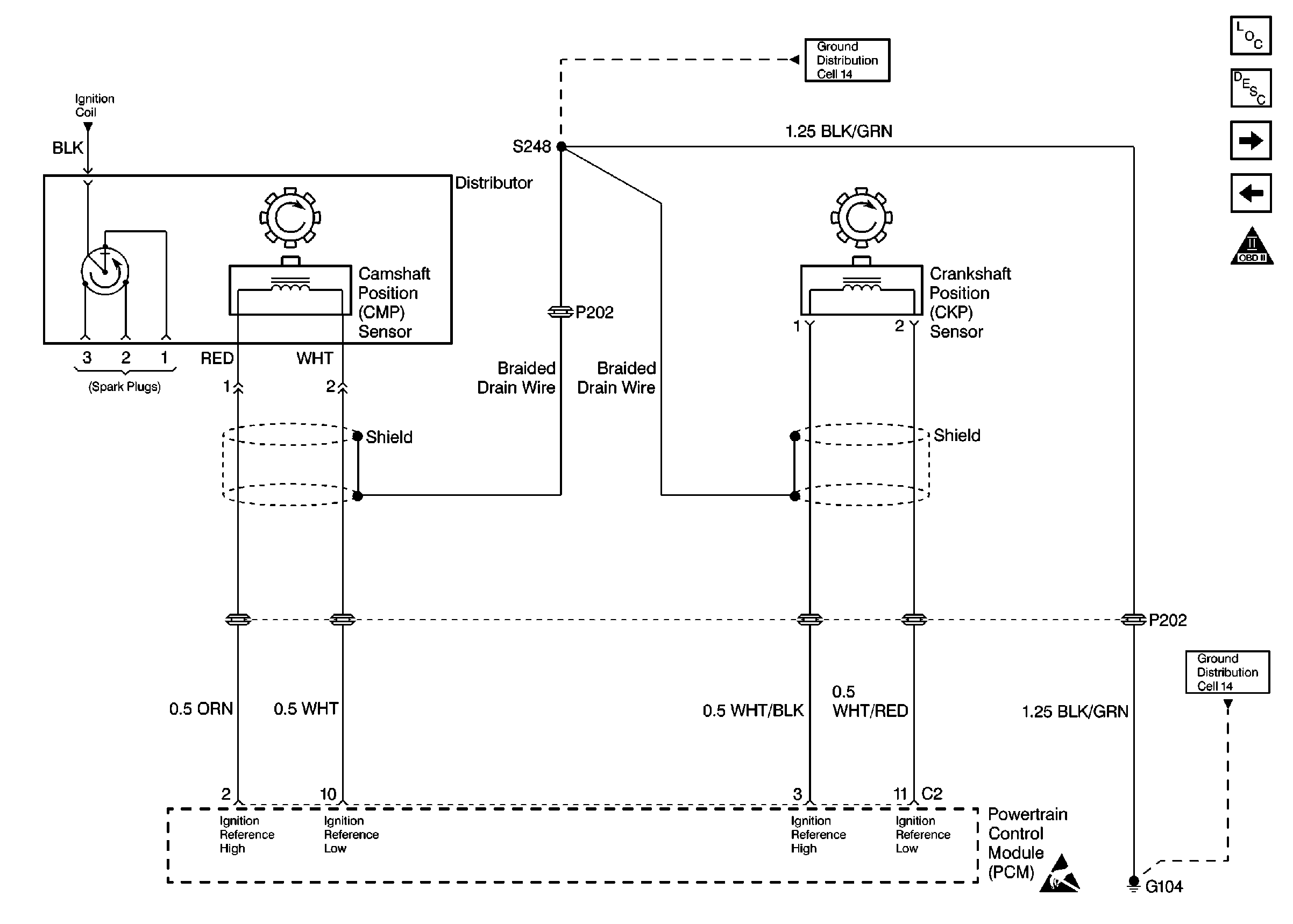
Object Number: 61890  Size: FS
.

Circuit Description

The powertrain control module (PCM) uses information from the crankshaft position (CKP) sensor and the camshaft position (CMP) sensor in order to determine when an engine misfire is occurring. By monitoring changes in the crankshaft rotation for each cylinder the PCM counts individual misfire events. The malfunction indicator lamp (MIL) illuminates when the misfire rate equals or exceeds a pre-determined count. A misfire rate that is high enough can cause the catalytic converter to overheat under certain driving conditions. The MIL will flash On and Off when the conditions for catalytic converter overheating are present.

Conditions for Running the DTC

    • Engine coolant temperature is -10°C to 110°C (14°F to 230°F).
    • Intake air temperature is -10°C to 70°C (14°F to 158°F).
    • Barometric pressure is greater than 75 kPa.
    • TP sensor change is less than 1.9 degrees/16 firing events.
    • The change in MAP is less than 1.3 kPa / 60 firing events.
    • Engine speed is less than 6,500 RPM and the change in engine speed is less than 200 / 50 msec.

Conditions for Setting the DTC

    • The misfire rate at 200 engine revolutions is greater than a specified value.
    • The misfire rate at 1,000 engine revolutions is greater than a specified value.
    • The conditions are present for 5 seconds after the engine is started to 1 second from fuel shut-off.

Action Taken When the DTC Sets

    • The PCM flashes the malfunction indicator lamp (MIL) the first time a catalyst damaging misfire occurs.
    • The PCM illuminates the MIL the second time emission thresholds are exceeded (second time the diagnostic fails).
    • The PCM records the operating conditions at the time the diagnostic fails. This information is stored in the Freeze Frame buffer.
    • The PCM enters the Fail-Safe Function and stops EGR control.

Conditions for Clearing the MIL/DTC

    • The MIL turns OFF after three consecutively passing trips without a fault present.
    • A History DTC clears after 40 consecutive warm-up cycles without a fault.
    • Use the scan tool Clear DTC Information function or disconnect the PCM battery feed in order to clear the DTC.

Diagnostic Aids

Check for any of the following conditions:

    • If any DTCs other than misfire (P0300 to P0303) are present, diagnose those DTCs first.
    • Check for engine overheating.
    • Check for engine vacuum leaks.
    • Improper EGR system operation. Refer to Exhaust Gas Recirculation (EGR) System Diagnosis .
    • Check for a PCV system malfunction. Perform a functional check of the PCV valve. Refer to Crankcase Ventilation System Inspection .
    • An intermittent ignition system malfunction (spark plugs, ignition wires, ignition coil, and the distributor). Check ignition system performance with an engine oscilloscope.
    • Check for a malfunctioning fuel injector. Refer to Fuel Injector Circuit Diagnosis .
    • Check for the correct viscosity engine oil. The wrong engine oil may cause improper valve lifter operation.
    • An engine mechanical malfunction. Measure engine cylinder compression and valve lash adjustment for comparison to manufacture specifications. Refer to Engine Mechanical.
    • A damaged wiring harness. Inspect the applicable wiring harness for damage and repair as necessary.
    • A misfire DTC can also be the result of a defective crankshaft timing belt pulley. Remove the crankshaft position (CKP) sensor and inspect the crankshaft signal rotor through the sensor hole. Check the crankshaft timing belt pulley for foreign material or damaged teeth.

If a DTC P0300 cannot be duplicated, the information included in the Freeze Frame data can be useful in determining vehicle operating conditions when the DTC was first set.

When the fault can not be duplicated, wet the secondary ignition system with water and operate the vehicle under the conditions that the DTC set.

Test Description

The numbers below refer to the step numbers in the Diagnostic Table.

  1. The Powertrain OBD System Check prompts the technician to complete some basic checks and store the freeze frame data on the scan tool if applicable. This creates an electronic copy of the data taken when the fault occurred. The information is then stored in the scan tool for later reference.

  2. This step determines if a fault is present. A misfire DTC can sometimes be caused by a rough road condition.

  3. Additional ignition system components (the noise suppressor filter or the ignition control module) may cause a DTC P0300 to set. For additional information refer to Engine Electrical.

  4. Check that the resistance of the fuel injector is 0.5 to 1.5 ohms at 20°C (68°F).

  5. Low engine compression and improper valve lash may also cause a rough idling condition. For diagnosis of an engine mechanical concern, refer to Engine Mechanical.

Step

Action

Value(s)

Yes

No

1

Did you perform the Powertrain On-Board Diagnostic System Check?

--

Go to Step 2

Go to Powertrain On Board Diagnostic (OBD) System Check

2

Start the engine.

Is a misfire present at Idle?

--

Go to Step 4

Go to Step 3

3

  1. Install a scan tool.
  2. Turn ON the ignition, leaving the engine OFF.
  3. Perform the scan tool clear DTC information function.
  4. Operate the vehicle within the Freeze Frame data as specified.

Is a DTC P0300 set?

--

Go to Step 4

Fault not Present-Go to Diagnostic Aids

4

  1. Disconnect the fuel injector electrical connector at the TBI unit.
  2. Install a J 26792 spark tester or an equivalent at the end of each spark plug wire.
  3. Crank the engine while observing the spark tester.

Was a crisp, blue spark present on each of the spark plug wires?

--

Go to Step 9

Go to Step 5

5

  1. Remove the spark plug wires.
  2. Visually and physically inspect the spark plug wires for any of the following concerns:
  3. • Carbon tracking
    • Corrosion of the terminal ends
    • Insulation damage
  4. Make any repairs that are necessary.

Was a repair necessary?

--

Go to Step 17

Go to Step 6

6

  1. Measure the resistance of the spark plug wires with a DMM.
  2. Replace any spark plug wires that measure greater than the specified value.

Did any spark plug wires need replacement?

3.0k to 6.7k ohms per ft

Go to Step 17

Go to Step 7

7

  1. Perform a physical inspection of the distributor cap and rotor. Look for any of the following conditions:
  2. • Cracks
    • Moisture
    • Faulty terminal connection
    • Carbon tracking
  3. Repair as necessary.

Was a repair necessary?

--

Go to Step 17

Go to Step 8

8

  1. Perform a physical inspection of the signal rotor in the distributor.
  2. • Check that the signal rotor air gap is within the specified value.
    • Check for damage to the signal rotor.
  3. Adjust or repair as necessary. Refer to Ignition Timing Adjustment Engine Electrical.

Was an adjustment or repair necessary?

0.2-0.4 mm (0.008-0.016 in)

Go to Step 17

Go to Step 15

9

  1. Remove the spark plugs.
  2. Visually and physically inspect the spark plugs for any of the following conditions:
  3. • Oil fouling
    • Fuel fouling
    • Evidence of coolant in the cylinder
    • Incorrect gap
    • Missing platinum pads
    • Loose center electrode
    • Cracked porcelain
    • Carbon tracking
    • Loose terminal end
  4. Replace as necessary.

Did any spark plugs need replacement?

--

Go to Step 13

Go to Step 10

10

  1. Turn OFF the ignition.
  2. Install a J 34730-1A fuel pressure gauge or an equivalent. Refer to Fuel Pressure Gage Installation and Removal .
  3. Observe the fuel pressure with the engine running at normal operating temperature.

Was the fuel pressure within the specified value?

90-140 kPa (13-20 psi)

Go to Step 11

Go to Fuel System Diagnosis

11

Check the fuel for contamination. Refer to Alcohol/Contaminants-in-Fuel Diagnosis .

Is the fuel OK?

--

Go to Step 14

Go to Step 12

12

Replace any contaminated fuel. Refer to Fuel System Cleaning .

Is the action complete?

--

Go to Step 17

--

13

Was the spark plug replaced because of fuel, oil, or coolant fouling?

--

Go to Step 14

Go to Step 17

14

  1. Check for any of the following engine mechanical concerns:
  2. • Faulty, worn, or incorrect camshaft
    • Leaky or sticky valve
    • Excessive valve deposits
    • Broken or leaky piston rings
    • Weak valve springs
    • Malfunctioning hydraulic valve lash adjusters
    • Incorrect valve timing
    • Intake (vacuum) leaks
    • Leaking head gasket
    • Loose or broken motor mount.
  3. Repair as necessary. Refer to Engine Compression Test in Engine Mechanical Diagnosis.

Was a basic engine mechanical fault found and repaired?

--

Go to Step 17

Go to Diagnostic Aids

15

  1. Check the ignition coil for cracks.
  2. Measure the resistance of the ignition coil.
  3. • Primary coil resistance is within the first value.
    • Secondary coil resistance is within the second value.

Was a faulty ignition coil found?

1.08 to 1.32 ohms at 20°C(68°F)

22.1k to 29.9k ohms at 20°C(68°F)

Go to Step 16

Go to Diagnostic Aids

16

Replace the ignition coil. Refer to Engine Electrical.

Is the action complete?

--

Go to Step 17

--

17

  1. Perform the scan tool Clear DTC Information function and road test the vehicle within the Freeze Frame conditions that set the DTC.
  2. Review the scan tool data and check for DTCs. The repair is complete if no DTCs are stored.

Are any DTCs displayed on scan tool?

--

Go to the Applicable DTC Table

System OK