GM Service Manual Online
For 1990-2009 cars only

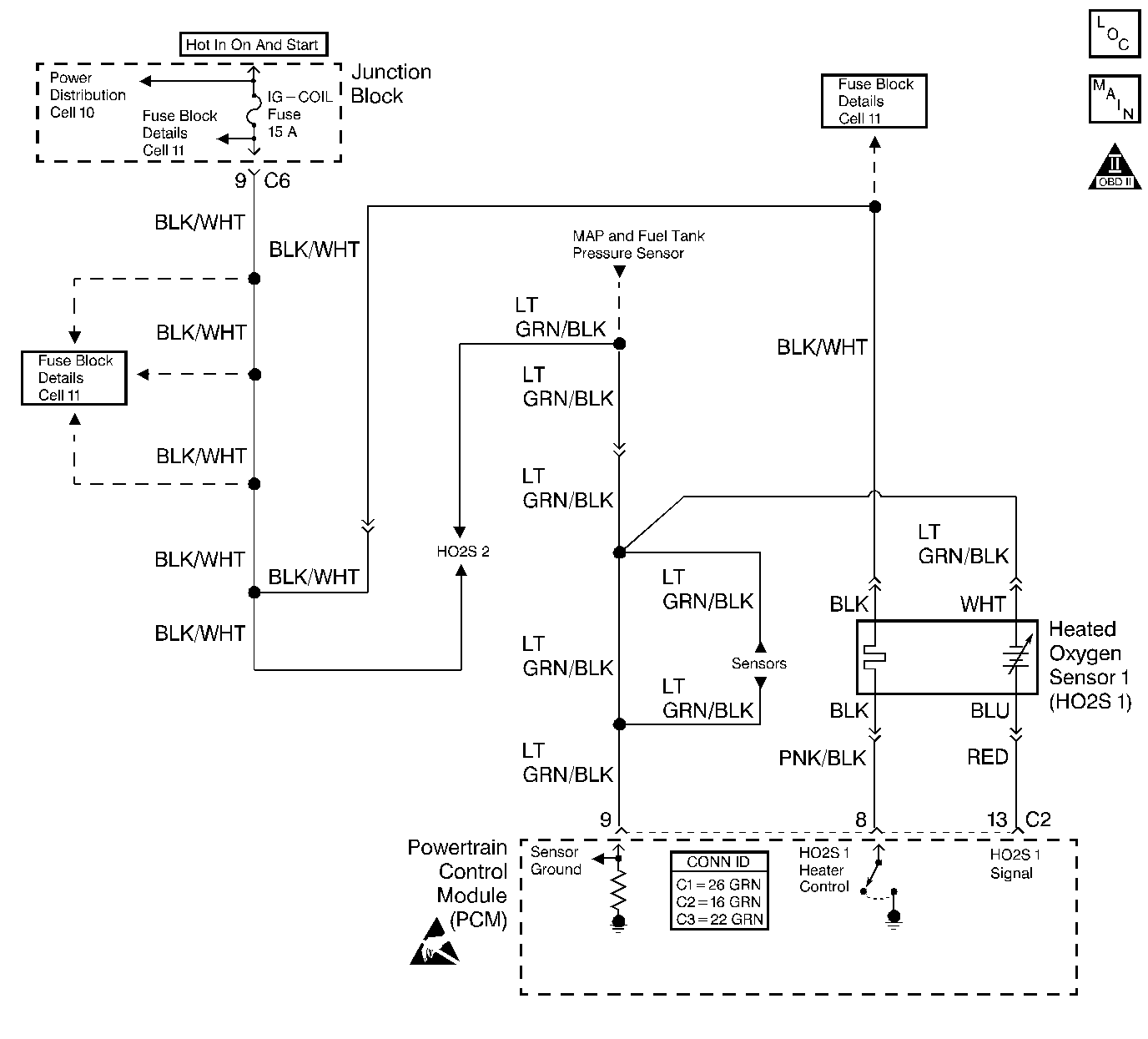
Object Number: 280475  Size: LF
Engine Controls Components
Cell 20: HO2S Sensors
OBD II Symbol Description Notice
Handling ESD Sensitive Parts Notice

Circuit Description

The heated oxygen sensor (HO2S) produces a voltage that varies between 100 mV and 900 mV. The powertrain control module (PCM) monitors this voltage and determines by the exhaust gas oxygen content whether the air/fuel mixture is rich or lean. When the voltage input at the PCM is about 100 mV the HO2S is indicating a lean air/fuel mixture. When the voltage input is about 900 mV the HO2S is indicating rich air/fuel mixture. The PCM constantly monitors the HO2S signal during closed loop operation and compensates for the rich or the lean condition by decreasing or increasing fuel injector pulse width. A DTC P0134 will be set if the HO2S 1 voltage remains outside the active voltage range for an extended period of time.

Conditions for Running the DTC

    • Barometric pressure is greater than 75 kPa.
    • Engine coolant temperature is greater than 80°C (176°F).
    • Intake air temperature is between -10°C to 70°C (14°F to 158°F).
    • Vehicle speed is above 50 km/h (30 mph) for 2 minutes and then idled for 2 minutes.

Condition for Running the DTC

    • The engine is running.
    • The engine is operating in Close Loop.
    • Vehicle speed is above 32 km/h (20 mph)

Conditions for Setting the DTC

HO2S voltage remains at or below 300 mV for at least 10 seconds.

OR

HO2S voltage remains at or higher than 600 mV for at least 10 seconds.

Action Taken When the DTC Sets

    • The PCM illuminates the malfunction indicator lamp (MIL) after two consecutive ignition cycles in which the diagnostic runs with the fault active.
    • The PCM records the operating conditions at the time the diagnostic fails. This information is stored in the Freeze Frame buffer.

Conditions for Clearing the MIL/DTC

    • The MIL turns OFF after three consecutively passing trips without a fault present.
    • A History DTC clears after 40 consecutive warm-up cycles without a fault.
    • Use the scan tool Clear DTC Information function or disconnect the PCM battery feed in order to clear the DTC.

Diagnostic Aids

A DTC P0134 is more likely to set during city driving. Avoid operating the vehicle on the highway when validating a DTC P0134.

Clear the DTCs. Road test the vehicle while monitoring the HO2S test in the MIL/System Status selection under System Information on the scan tool. When the HO2S test indicates complete with a YES status, check for a DTC P0134 under Last Test Failed. If there is no DTC P0134 indicated, the DTC is intermittent and the HO2S system diagnostic is indicating OK at this time.

Check for any of the following conditions:

    • Check for good PCM to engine electrical grounds.
    • A faulty heated oxygen sensor (HO2S). An HO2S that has a faulty internal ground circuit or an open in the signal circuit will be inactive.
    • A contaminated HO2S. Silicon contamination of the HO2S can cause a sluggish signal voltage to be indicated. Silicon contamination is indicated by a powdery white deposit on the portion of the HO2S exposed to the exhaust stream. Before replacing the HO2S determine and correct the cause of the contamination.
    • A HO2S that becomes coated with soot or other combustion materials may not become active and may set a DTC P0134. Visually inspect the HO2S for this type of contamination. After repairing the cause of the contamination, the HO2S may be cleaned by running a fully warmed-up engine at 1,800-2,200 RPM for 2 to 3 minutes.
    • A faulty electrical connection to the PCM.

An intermittent malfunction may be caused by a fault in the HO2S 1 sensor electrical circuit. Inspect the wiring harness and components for any of the following conditions:

    • Backed out terminals.
    • Improper mating of terminals.
    • Broken electrical connector locks.
    • Improperly formed or damaged terminals.
    • Faulty terminal to wire connections.
    • Physical damage to the wiring harness.
    • A broken wire inside the insulation.
    • Corrosion of electrical connections, splices, or terminals.

If a DTC P0134 cannot be duplicated, the information included in the Freeze Frame data can be useful in determining vehicle operating conditions when the DTC was first set.

Test Description

The numbers below refer to the step numbers in the Diagnostic Table.

  1. The Powertrain OBD system check prompts the technician to complete some basic checks and store the freeze frame data on the scan tool if applicable. This creates an electronic copy of the data taken when the fault occurred. The information is then stored in the scan tool for later reference.

  2. This step determines if the fault is present (vehicle must be at operating temperature).

  3. This step checks whether the malfunction that caused the DTC P0134 is still present. Driving the vehicle under these conditions will verify that the fault is present. The DTC P0134 diagnostic can be monitored on the scan tool under the MIL/System Status selection of System Information. When the HO2S test displays a YES status (indicating that the purge system diagnostic is completed) check for a DTC P0134 in the Last Test Failed screen of the scan tool. If there is no DTC P0134 displayed the HO2S system diagnostic has run and passed, indicating that no malfunction was present this time. DTCs MUST BE CLEARED in order to view the CURRENT STATUS of the system diagnostics being performed. Do not forget that the MIL/System Status tests only indicate that the test has run, not whether the test passed or failed. The Last Test Failed screen must be checked for related DTCs in order to determine the outcome of the diagnostic test involved.

  4. This step checks for a voltage on the HO2S signal circuit. When the oxygen sensor is disconnected the scan tool should display 35 mV or less.

  5. This step checks for an open in the HO2S 1 ground circuit.

  6. This step checks for an open or short in the HO2S 1 signal circuit.

  7. A possible cause of a voltage short to the HO2S signal circuit is water. Check the wiring harness and PCM connectors for water that could cause ignition positive voltage to be shorted to the signal circuit.

Step

Action

Value(s)

Yes

No

1

Did you perform the Powertrain On-Board Diagnostic System Check?

--

Go to Step 2

Go to Powertrain On Board Diagnostic (OBD) System Check

2

Are any other DTCs set besides a P0131, P0132, P0133, P0136, P0171, P0172?

--

Go to the Applicable DTC Table

Go to Step 3

3

  1. Start the engine.
  2. Install a scan tool.
  3. Run the engine to attain normal operating temperature.
  4. Increase the engine speed to 2,000 RPM for 1 minute.
  5. Monitor the HO2S 1 voltage with a scan tool.

Does the HO2S 1 voltage switch below and above the specified value?

300 mV to 600 mV

Go to Step 4

Go to Step 5

4

  1. Turn ON the ignition, leaving the engine OFF.
  2. Perform the scan tool clear DTC information function.
  3. Operate the vehicle within Freeze Frame conditions as specified or until the HO2S test is complete. Refer to the Test Description.

Does the HO2S 1 voltage switch below and above the specified value?

300 mV to 600 mV

Fault not Present-Go to Diagnostic Aids

Go to Step 5

5

  1. Disconnect the HO2S 1 electrical connector.
  2. Observe the HO2S 1 voltage parameter on the scan tool.

Does the scan tool indicate a HO2S 1 voltage at the specified value?

0 mV to 35 mV

Go to Step 6

Go to Step 10

6

Probe the HO2S 1 ground circuit (harness side) with a test lamp connected to B+.

Does the test lamp illuminate?

--

Go to Step 7

Go to Step 8

7

  1. Check the HO2S 1 signal voltage with a DMM.
  2. Select the DC voltage scale on the DMM.
  3. Connect one DMM lead to B+ and connect the other DMM lead to the HO2S 1 signal circuit.
  4. Observe the HO2S 1 voltage parameter on the scan tool.

Does the scan tool indicate a HO2S 1 voltage at the specified value?

1275 mV

Go to Step 11

Go to Step 9

8

  1. Check for an open in the HO2S 1 ground circuit.
  2. Repair as necessary. Refer to Wiring Repairs in Wiring Systems.

Was a repair necessary?

--

Go to Step 13

Go to Step 12

9

  1. Check the HO2S 1 signal circuit for an open or a short to ground.
  2. Repair as necessary. Refer to Wiring Repairs in Wiring Systems.

Was a repair necessary?

--

Go to Step 13

Go to Step 12

10

  1. Check the HO2S 1 signal circuit for a short to voltage.
  2. Repair as necessary. Refer to Wiring Repairs in Wiring Systems.

Was a repair necessary?

--

Go to Step 13

Go to Step 12

11

Replace the HO2S 1. Refer to Heated Oxygen Sensor Replacement .

Is the action complete?

--

Go to Step 13

--

12

Replace the PCM. Refer to Powertrain Control Module Replacement .

Is the action complete?

--

Go to Step 13

--

13

  1. Perform the scan tool Clear DTC Information function and road test the vehicle within the Freeze Frame conditions that set the DTC.
  2. Review the scan tool data and check for DTCs. The repair is complete if no DTCs are stored.

Are any DTCs displayed on the scan tool?

--

Go to the Applicable DTC Table

System OK