GM Service Manual Online
For 1990-2009 cars only

Object Number: 1564752  Size: MF
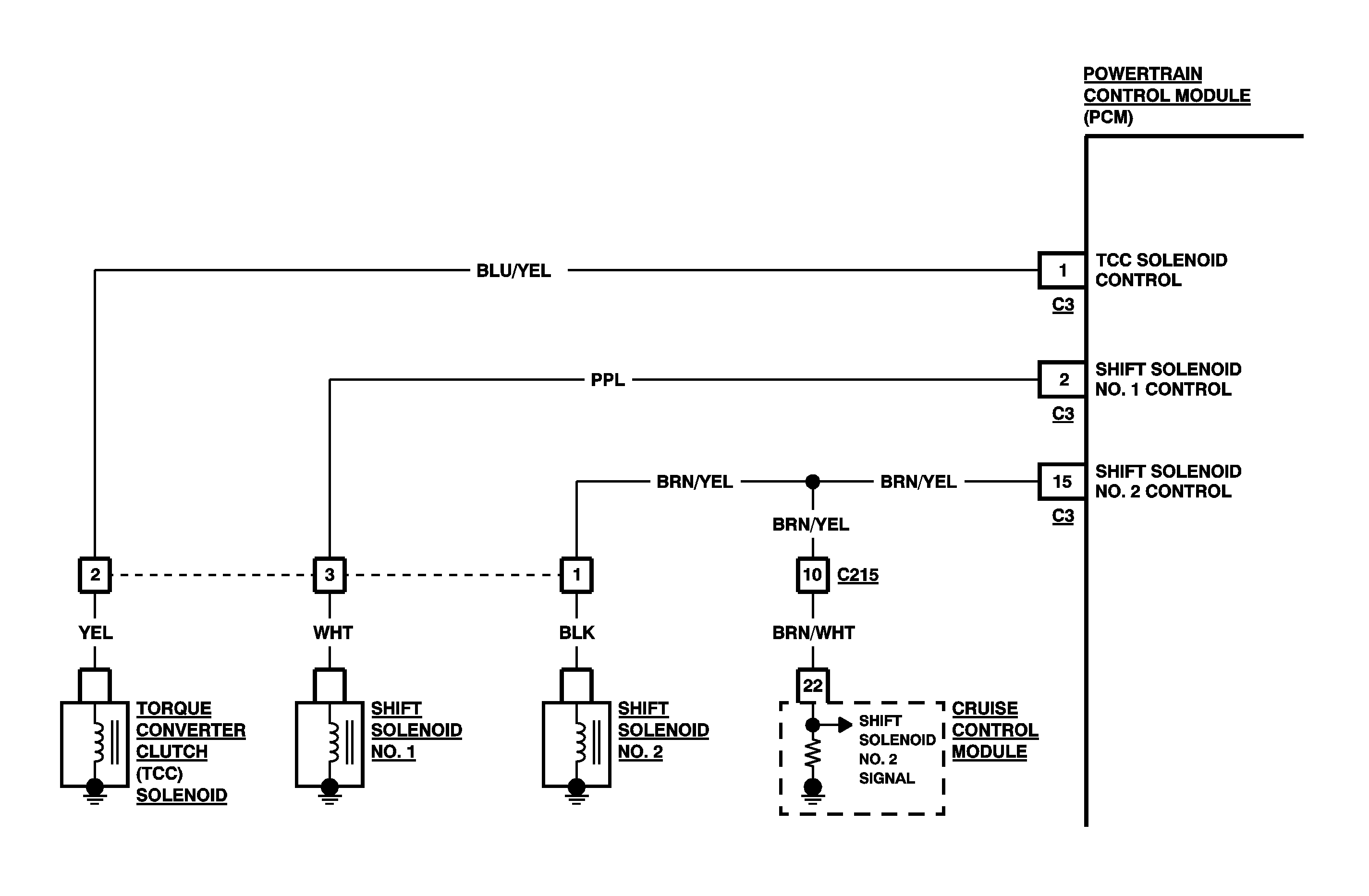
Automatic Transmission Controls Schematics

Circuit Description

The Torque Converter Clutch (TCC) solenoid is used to engage the lock-up clutch. The Powertrain Control Module (PCM) outputs system voltage to turn ON (energize) or remove voltage to turn OFF (de-energize) to control the hydraulic pressure to the lock-up valve within the transaxle. The TCC solenoid is always OFF in 1st and 2nd gears. The TCC is ON in 3rd and 4th gears when the PCM deems it appropriate.

Conditions for Setting the DTC

    • The code will set if the PCM detects a short or an open in the TCC solenoid circuit.
    • One driving cycle detection logic.

Action Taken When the DTC Sets

A DTC P0773 is stored and the Malfunction Indicator Lamp (MIL) is turned ON.

Diagnostic Aids

Inspect for the following conditions:

    • An open or shorted TCC Solenoid
    • Faulty electrical circuits (open or short to ground) between the TCC Solenoid and the PCM
    • A faulty PCM

An intermittent may be caused by the following conditions:

    • A poor connection
    • Rubbed through wire insulation
    • A broken wire inside the insulation

Inspect the PCM harness connectors for the following conditions:

    • Backed out terminals
    • Improper mating
    • Broken locks
    • Improperly formed or damaged terminals
    • Inadequate terminal-to-wire connections

Perform the following steps if DTC P0773 cannot be duplicated:

  1. Read the information in the freeze frame data.
  2. Use the data to determine the vehicle operating conditions when the DTC was set.

If any wiring repairs need to be made, refer to Repair Procedures in Electrical Diagnosis.

DTC Confirmation Procedure

  1. Turn the ignition switch to LOCK.
  2. Connect the Scan Tool to Data Link Connector (DLC).
  3. Turn the ignition switch to ON.
  4. Use a Scan Tool to clear the following items from the PCM memory:
  5. • The DTC
    • The pending DTC
    • The freeze frame data
  6. Start the engine and warm to operating temperature.
  7. Step firmly on the brake pedal.
  8. Shift the manual selector to Drive (D).
  9. Accelerate the vehicle to 80 km/h (50 mph) for 10 seconds.
  10. Stop the vehicle.
  11. Use a Scan Tool to inspect DTC P0773.

Test Description

The number(s) below refer to the step number(s) on the diagnostic table.

  1. The Powertrain OBD System Check prompts the technician to complete some basic checks and store the freeze frame data on the scan tool if applicable. This creates an electronic copy of the data taken when the fault occurred. The information is then stored in the scan tool for later reference.

  2. This step tests the shift solenoid for internal coil resistance.

  3. This step tests for a short to ground in the BLU/YEL wire.

  4. This step tests for a open in the BLU/YEL wire.

  5. This step tests the condition of the transaxle internal electrical harness for damage.

  6. This step tests for a short to voltage in the BLU/YEL wire.

  7. This step tests for a poor electrical connection that may have caused the DTC to set.

  8. This step inspects for a faulty PCM.

Step

Action

Value(s)

Yes

No

1

Was the On-Board Diagnostic (OBD) System Check performed?

--

Go to Step 2

Go to Powertrain On Board Diagnostic (OBD) System Check in Engine Controls

2

  1. Install a scan tool.
  2. Turn the ignition to ON, leaving the engine OFF.
  3. Perform the scan tool Clear DTC Information function.
  4. Operate the vehicle within the Freeze Frame conditions as observed.

Does the scan tool display any other DTCs in addition to P0773?

--

Go to applicable DTC table

Go to Step 3

3

  1. Disconnect the transaxle solenoid connector.
  2. Use the J 39200 in order to measure the resistance between ground and the PCM harness connector C3 terminal 1.

Is the resistance equal to the specified value?

Go to Step 4

Go to Step 9

4

Use the J 39200 in order to measure the resistance between the PCM harness connector C3 terminal 1 and the transaxle connector terminal 2.

Is the resistance less than the specified value?

2 ohms

Go to Step 5

Go to Step 10

5

  1. Remove the transaxle oil pan.
  2. Inspect the terminals and the internal harness for damage.
  3. If the terminals and the internal harness are not damaged, replace the lock-up solenoid.

Is the action complete?

--

Go to Step 15

--

6

  1. Turn the ignition switch to ON.
  2. Use J 39200 in order to measure the voltage between ground and PCM connector C3 terminal 1.

Is the voltage less than the specified value?

2 V

Go to Step 7

Go to Step 11

7

Inspect all of the electrical connections for poor terminal contact or poor connection.

Is poor terminal contact or connection evident?

--

Go to Step 12

Go to Step 8

8

  1. Install a known good PCM.
  2. Perform the DTC Confirmation Procedure.

Does DTC P0773 reset?

--

Go to Step 14

Go to Step 13

9

Repair the short to ground in the BLU/YEL wire between the PCM and the TCC solenoid.

Is the action complete?

--

Go to Step 15

--

10

Repair the open or high resistance in the BLU/YEL wire between the PCM and the TCC solenoid.

Is the action complete?

--

Go to Step 15

--

11

Repair the short to voltage in the BLU/YEL wire between the PCM and the TCC solenoid.

Is the action complete?

--

Go to Step 15

--

12

Repair the terminals or connections that exhibit poor contact.

Is the action complete?

--

Go to Step 15

--

13

Refer to the Diagnostic Aids for a possible intermittent condition. If OK, replace the Powertrain Control Module (PCM). Refer to Powertrain Control Module (PCM) Replacement in Engine Controls.

Is the action complete?

--

Go to Step 15

--

14

Refer to Diagnostic Aids for additional information regarding DTC P0773.

Is the action complete?

--

Go to Step 15

--

15

  1. Turn the ignition switch to LOCK.
  2. Reconnect the connector(s).
  3. Perform the DTC Confirmation Procedure.

Are any DTCs displayed on the scan tool?

--

Go to the applicable DTC table

System OK