GM Service Manual Online
For 1990-2009 cars only

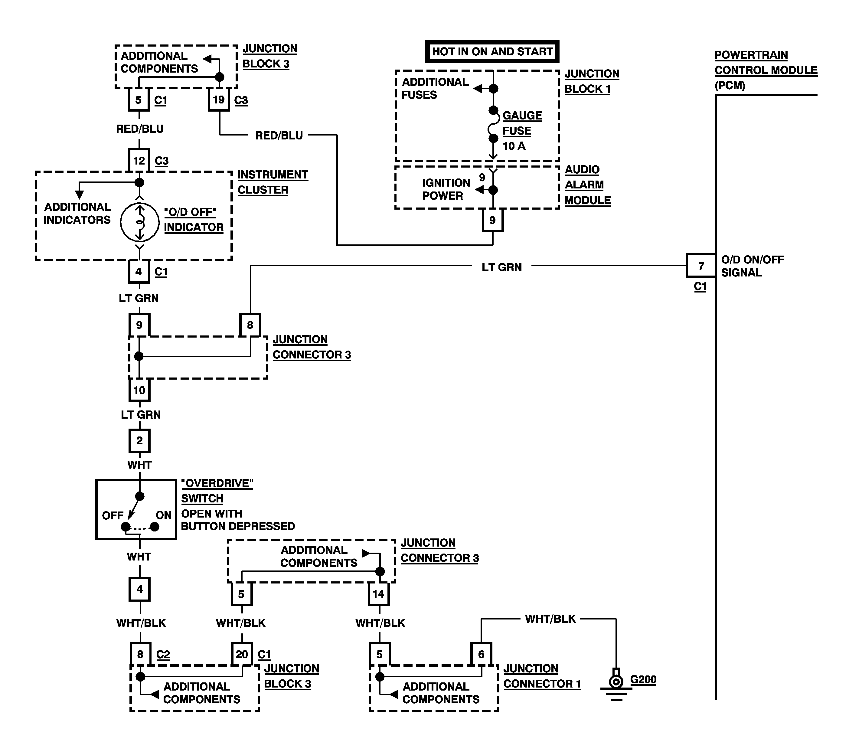
Object Number: 1564744  Size: LF
Automatic Transmission Controls Schematics

Circuit Description

With the ignition switch in the ON position, voltage is applied through the 10A Gauge Fuse to the OD/OFF Indicator light. Whenever the Overdrive Switch (located on the shifter) is released to the off position, system voltage is applied through the closed contacts of the Overdrive Switch to G200. When this occurs, the OD/OFF Indicator light in the Instrument Cluster will light and the Powertrain Control Module (PCM) will simultaneously receive a low voltage signal at the O/D On/Off input. With a low voltage input, the PCM will disable the overdrive function. Whenever the Overdrive Switch is depressed to the on position, the Overdrive Switch opens. When this occurs, the O/D/OFF Indicator light in the Instrument Cluster will go out and the PCM will simultaneously receive a high voltage signal at the O/D On/Off input. With a high voltage input, the PCM will enable the overdrive function and the transaxle is permitted to shift into overdrive when appropriate.

Diagnostic Aids

Inspect for the following conditions:

    • Poor connections at the component
    • Poor connections at any in line harness connectors
    • A faulty PCM

An intermittent may be caused by the following conditions:

    • A poor connection
    • Rubbed through wire insulation

Inspect the Powertrain Control Module (PCM) harness connectors for the following conditions:

    • Backed out terminals
    • Improper mating
    • Broken locks
    • Improperly formed or damaged terminals
    • Poor terminal-to-wire connections

Inspect the wiring. If any wiring repairs are necessary, refer to Repair Procedures in Wiring Systems.

Test Description

The number(s) below refer to the step number(s) on the diagnostic table.

  1. The Powertrain OBD System Check prompts the technician to complete some basic checks and store the freeze frame data on the scan tool if applicable. This creates an electronic copy of the data taken when the fault occurred. The information is then stored in the scan tool for later reference.

  2. This step checks for a short to ground in the O/D OFF indicator circuit.

  3. This step checks whether the condition is caused by a short to ground or a constantly closed Overdrive switch and not due to a faulty PCM.

  4. This step checks whether the condition is caused by a short to ground in the O/D OFF switch signal circuit and not due to a faulty Overdrive switch.

  5. This step checks whether the condition is caused by a short to ground in the O/D OFF switch signal circuit and not due to a faulty Overdrive switch.

Step

Action

Value(s)

Yes

No

1

Was the On-Board Diagnostic (OBD) System Check performed?

--

Go to Step 2

Go to Powertrain On Board Diagnostic (OBD) System Check in Engine Controls

2

  1. Depress the Overdrive switch to the pressed position
  2. Turn the ignition switch to LOCK.
  3. Disconnect the PCM connector C1.
  4. Turn the ignition switch to ON.

Does the O/D OFF indicator light?

--

Go to Step 5

Go to Step 3

3

  1. Turn the ignition switch to LOCK.
  2. Connect a test lamp between B+ and the PCM harness connector C1 terminal 7.

Does the test lamp light?

--

Go to Step 4

Go to Step 6

4

With the test lamp still connected to the PCM connector, disconnect the Overdrive switch.

Does the test lamp light?

--

Go to Step 8

Go to Step 7

5

Repair the short to ground in the LT GRN wire between the PCM and the Junction Connector 3, or between the Overdrive switch and Junction Connector 3, or between the I/P gage cluster and Junction Connector 3.

Is the action complete?

--

Go to Step 9

--

6

Replace the PCM. Refer to Powertrain Control Module (PCM) Replacement in Engine Controls.

Is the action complete?

--

Go to Step 9

--

7

Replace the Overdrive switch. Refer to Overdrive Switch Replacement .

Is the action complete?

--

Go to Step 9

--

8

  1. Depress the Overdrive switch to the pressed position
  2. Turn the ignition switch to LOCK.
  3. Disconnect the PCM connector C3.
  4. Turn the ignition switch to ON.

Does the O/D OFF indicator light?

--

Go to Step 9

--

9

  1. Turn the ignition switch to LOCK.
  2. Reconnect all disconnected connectors.
  3. Depress the Overdrive switch.
  4. Turn the ignition switch to the ON position.

Does the O/D OFF indicator light stay off?

--

System OK

Go to Step 1