GM Service Manual Online
For 1990-2009 cars only

Tools Required

J-38125 Terminal Repair Kit

Removal Procedure

  1. Remove the manual selector from vehicle. Refer to Manual Selector Replacement .

  2. Object Number: 428274  Size: SH
  3. Remove the OVERDRIVE switch/manual selector illumination lamp electrical connector (2) from the rear of the manual selector.

  4. Object Number: 242849  Size: SH
  5. Using the terminal removal tool from J-38125 , open the terminal position assurance (TPA) (1) on the side of the OVERDRIVE switch/manual selector illumination lamp electrical connector (2).

  6. Object Number: 242841  Size: SH
  7. Using the terminal removal tool from J-38125 , remove the 2 white OVERDRIVE switch wires (2) from the OVERDRIVE switch/manual selector illumination lamp electrical connector (1).

  8. Object Number: 242855  Size: SH
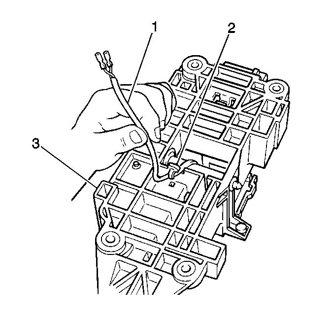
  9. Unhook the 2 white OVERDRIVE switch wires (1) from the clip (2) on the underside of the manual selector base (3).
  10. Important: When removing the manual selector knob, lift up slowly and first remove the manual selector button, return the spring retainer and return the spring.

  11. Remove the 2 screws, the manual selector knob, and the manual selector lever sleeve from the manual selector lever . Simultaneously feed the 2 white OVERDRIVE switch wires through the shift indicator.

  12. Object Number: 242857  Size: SH
  13. Remove the OVERDRIVE switch (2) from the manual selector knob (1).

Installation Procedure


    Object Number: 242857  Size: SH
  1. Install the OVERDRIVE switch (2) into manual selector knob (1).
  2. Install the manual selector lever sleeve and the manual selector knob onto the manual selector lever. Simultaneously feed the 2 white OVERDRIVE switch wires through the shift indicator. Secure with 2 screws.

  3. Object Number: 242855  Size: SH
  4. Hook the 2 white OVERDRIVE switch wires (1) into the clip (2) on the underside of the manual selector base (3).
  5. Install the 2 white OVERDRIVE switch wires into the OVERDRIVE switch/manual selector illumination lamp electrical connector.

  6. Object Number: 242849  Size: SH
  7. Close the TPA (1) on the side of the OVERDRIVE switch/manual selector illumination lamp electrical connector (2).

  8. Object Number: 428274  Size: SH
  9. Install the OVERDRIVE switch/manual selector illumination lamp electrical connector into the rear of the manual selector (2).
  10. Install the manual selector into vehicle. Refer to Manual Selector Replacement .