GM Service Manual Online
For 1990-2009 cars only

FAULTY INDICATOR LIGHTS AND BLOWER FAN OPERATION

Subject: FAULTY INDICATOR LIGHTS AND BLOWER FAN OPERATION

Model and Year: 1990 GEO STORM

TO: ALL CHEVROLET DEALERS

Some 1990 GEO Storm vehicles may exhibit a condition in which more than one of the indicator lights on the instrument panel either remain on after the vehicle is started or do not come on during the bulb check mode prior to start-up. The owner may also comment that the heater/AC blower fan will either not operate after the engine is warmed up, or that the blower fan comes on as the key is turned on prior to start-up.

SERVICE INFORMATION:

Affected vehicles are originally equipped with either a Delco or Nippondenso alternator. If alternator replacement is necessary, use the Nippondenso alternator listed in the "Parts Information" section of this Service Bulletin.

When replacing a Delco alternator with a Nippondenso alternator, the alternator belt must also be replaced. Use the belt listed in the "Parts Information" section of this Service Bulletin.

SERVICE PROCEDURE:

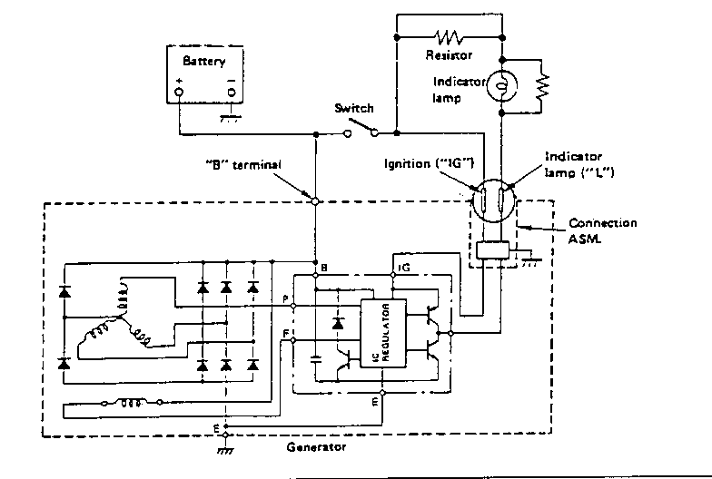
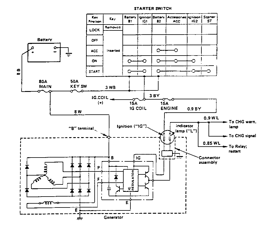
Charging system diagrams, alternator wiring connector diagram and specifications for the Nippondenso alternator are attached to this Service Bulletin. For alternator and belt removal and replacement procedures, refer to the 1990 GEO Storm Workshop Manual.

NOTE: The instrument panel lamp connector on a Delco alternator, as shown in Figure 1 must be removed with the alternator. This connector is not needed when installing a Nippondenso replacement alternator, because an instrument panel lamp connector is provided on the Nippondenso alternator.

PARTS INFORMATION

Part No. Description -------- ----------- 97027568 Alternator 94137478 Alternator Belt

Parts are currently available from GMSPO.

Labor Operation Number: J4100

Use applicable Labor Time Guide for labor hours.


Object Number: 87464  Size: MF


Object Number: 88483  Size: FS


Object Number: 88482  Size: LF


Object Number: 89358  Size: MF

General Motors bulletins are intended for use by professional technicians, not a "do-it-yourselfer". They are written to inform those technicians of conditions that may occur on some vehicles, or to provide information that could assist in the proper service of a vehicle. Properly trained technicians have the equipment, tools, safety instructions and know-how to do a job properly and safely. If a condition is described, do not assume that the bulletin applies to your vehicle, or that your vehicle will have that condition. See a General Motors dealer servicing your brand of General Motors vehicle for information on whether your vehicle may benefit from the information.