GM Service Manual Online
For 1990-2009 cars only
Figure 1:

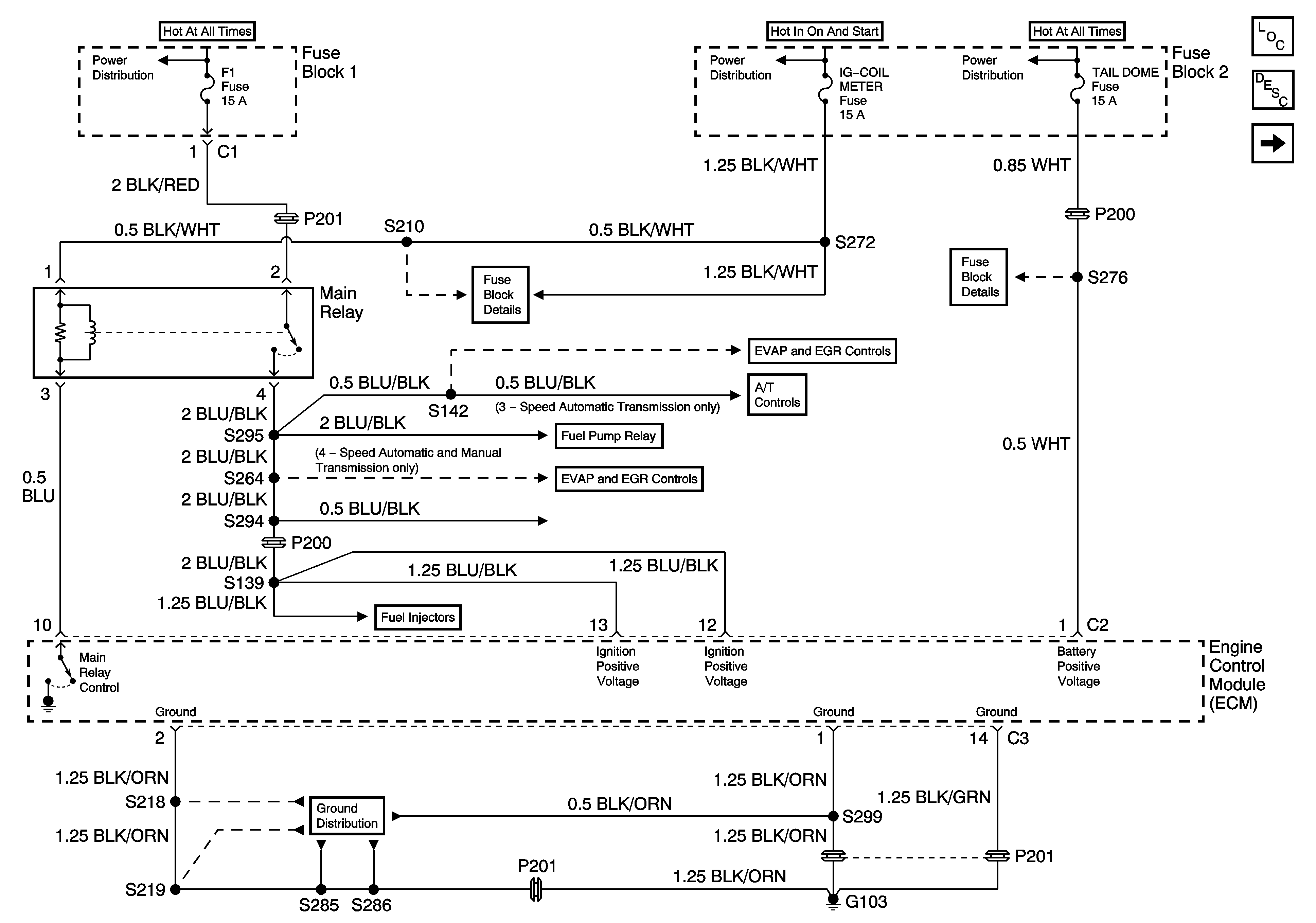
Power and Ground


Object Number: 1592705  Size: FS
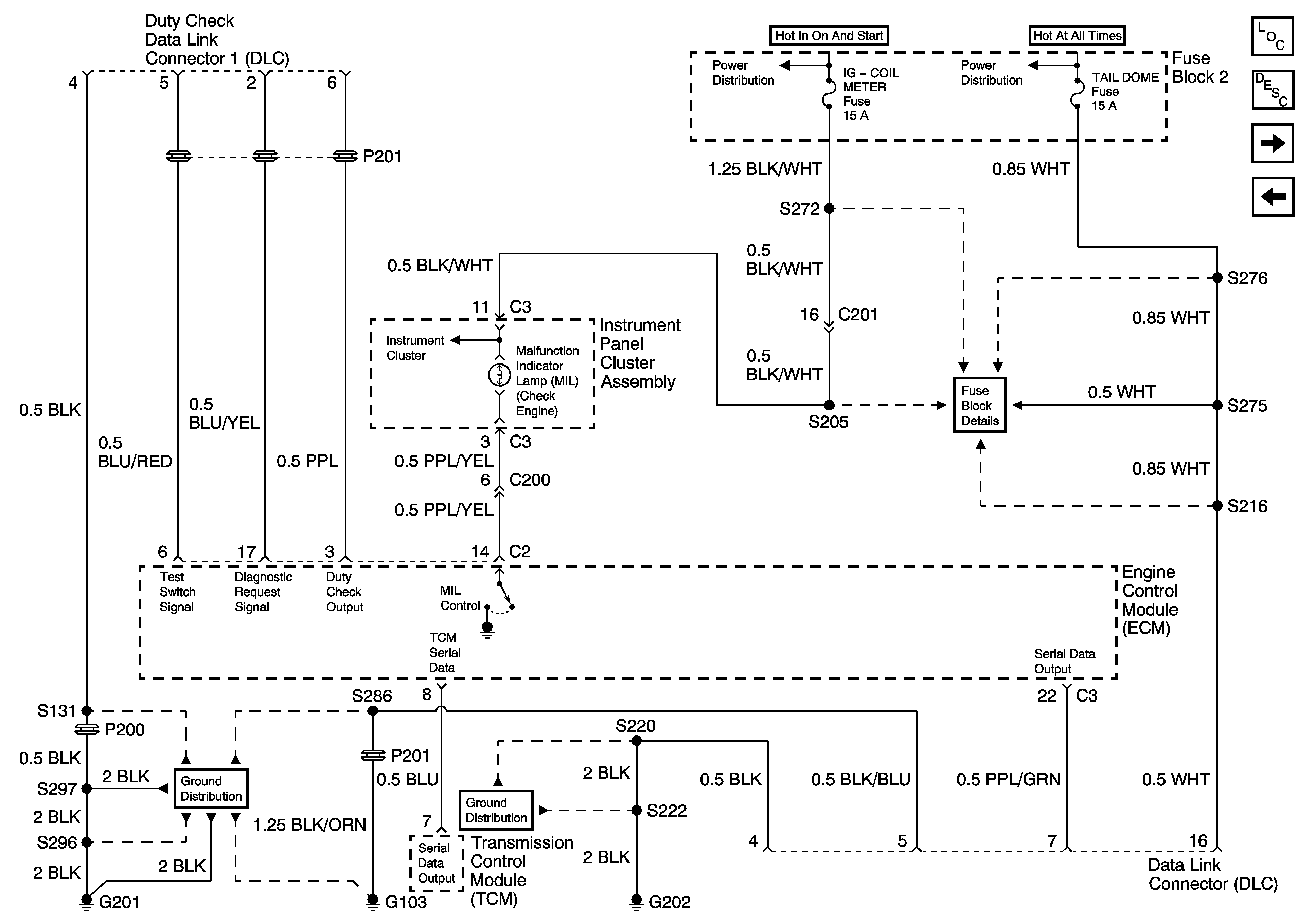
Figure 2:

MIL and DLC


Object Number: 1592748  Size: FS
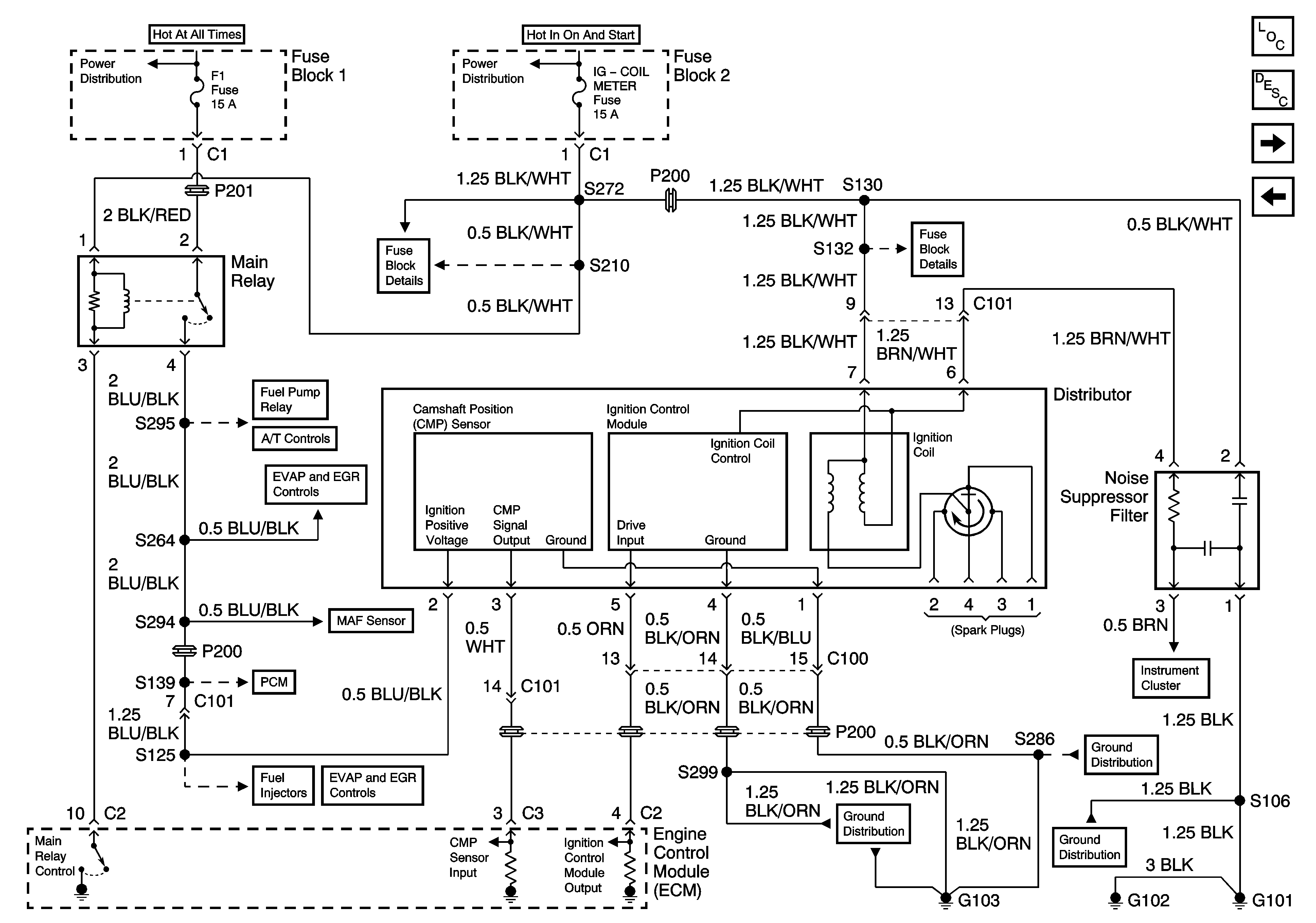
Figure 3:

Ignition System


Object Number: 1592749  Size: FS
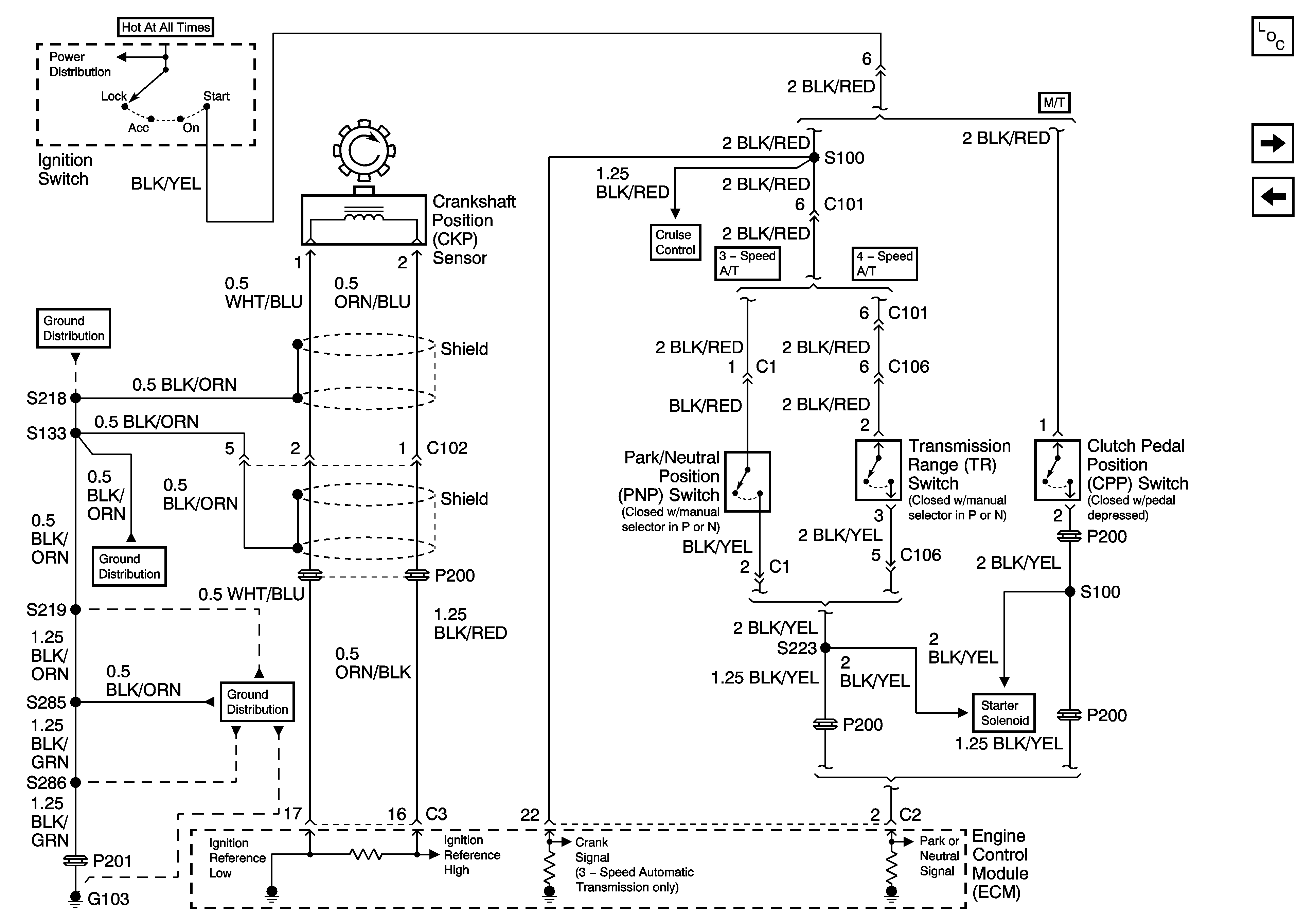
Figure 4:

CKP Sensor and Starter Signal


Object Number: 1592752  Size: FS
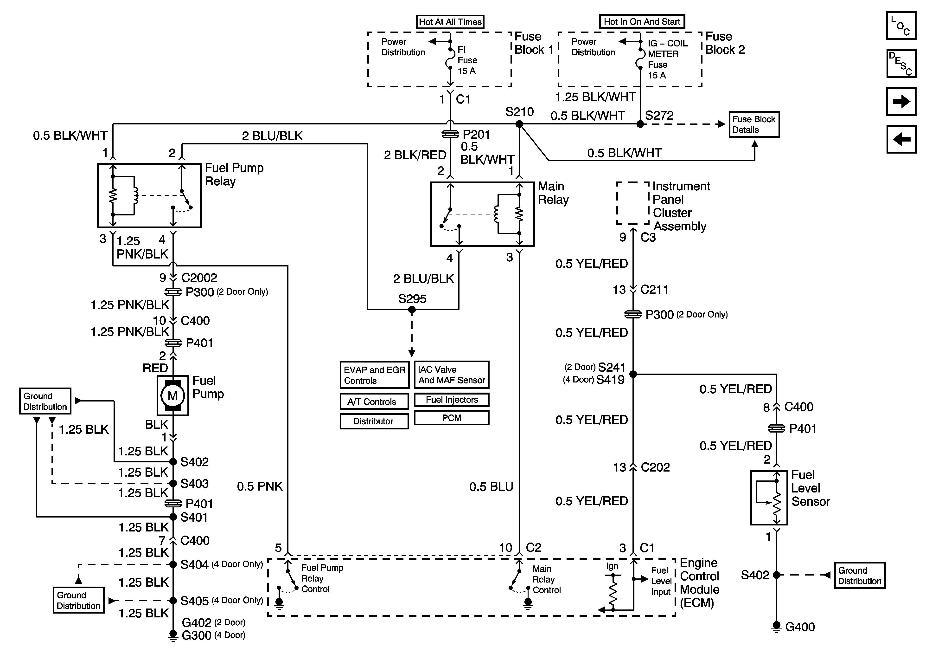
Figure 5:

Fuel Supply System


Object Number: 1592753  Size: FS
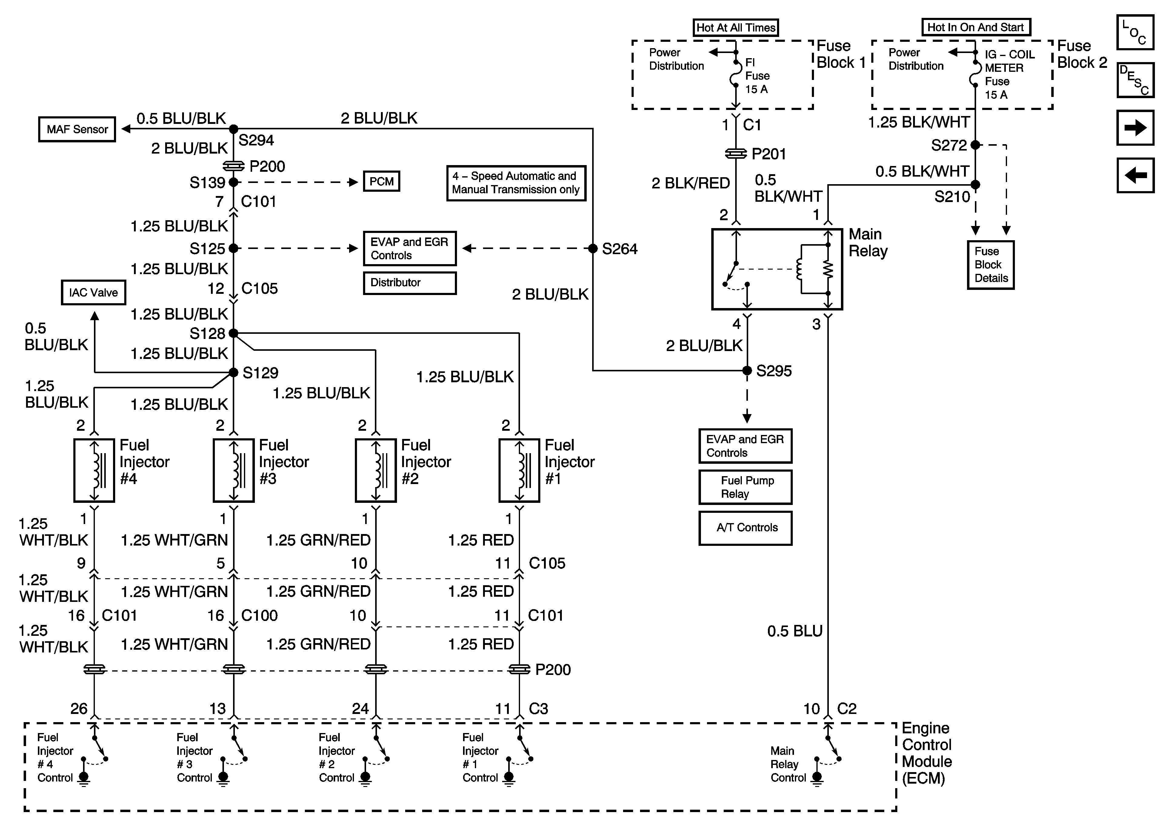
Figure 6:

Fuel Injectors


Object Number: 1592768  Size: FS
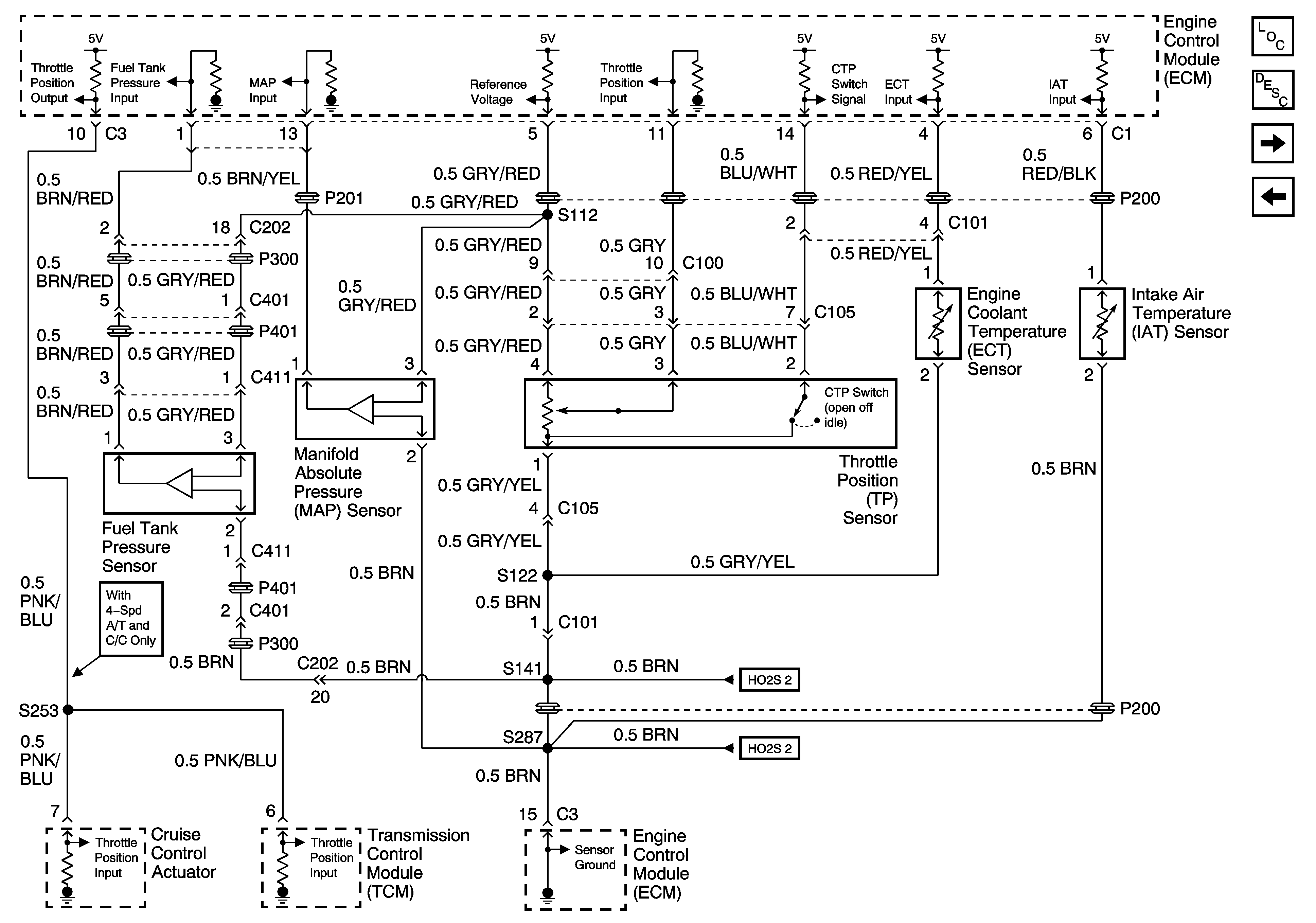
Figure 7:

Engine Data Sensors


Object Number: 1592773  Size: FS
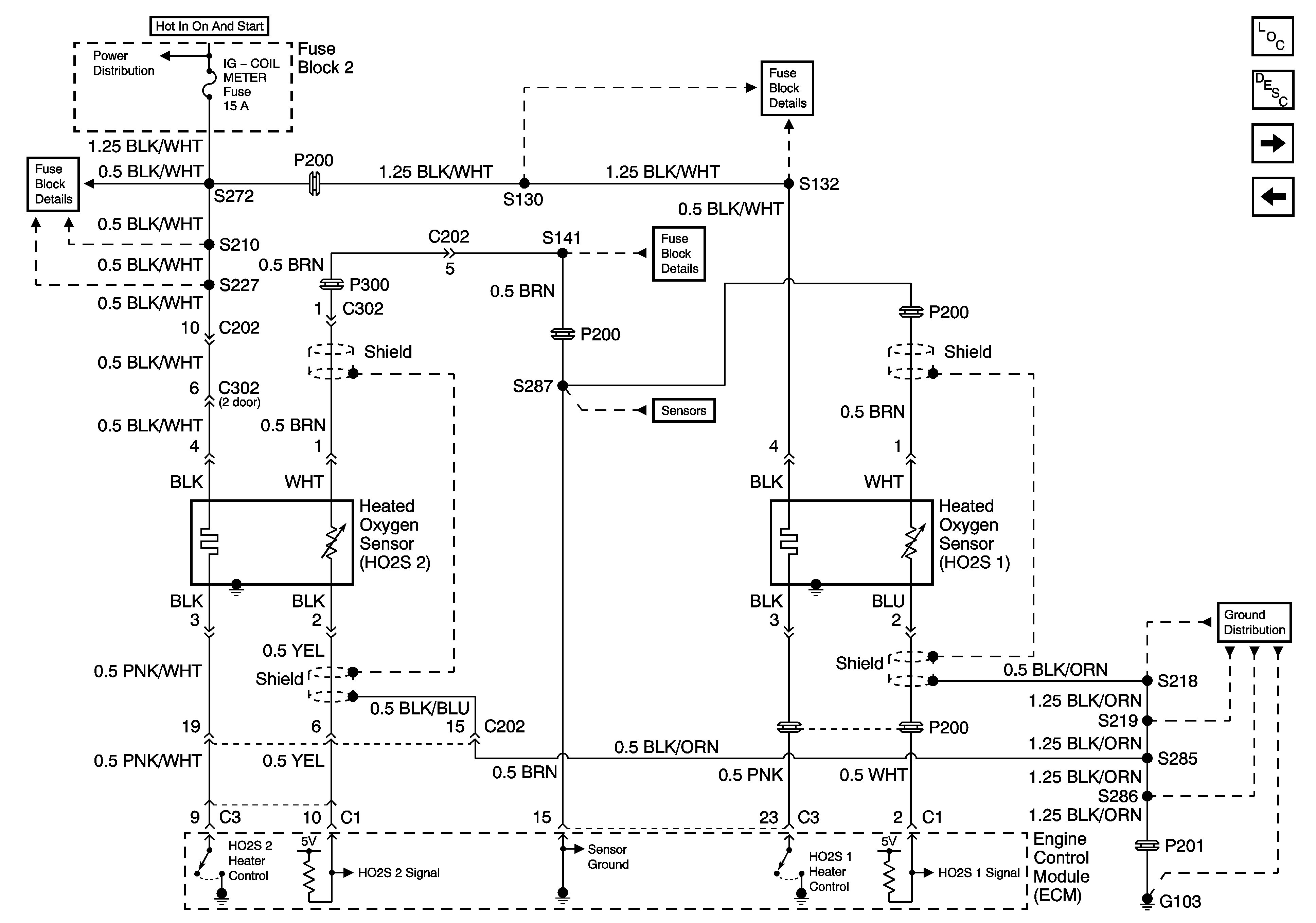
Figure 8:

HO2S


Object Number: 1592777  Size: FS
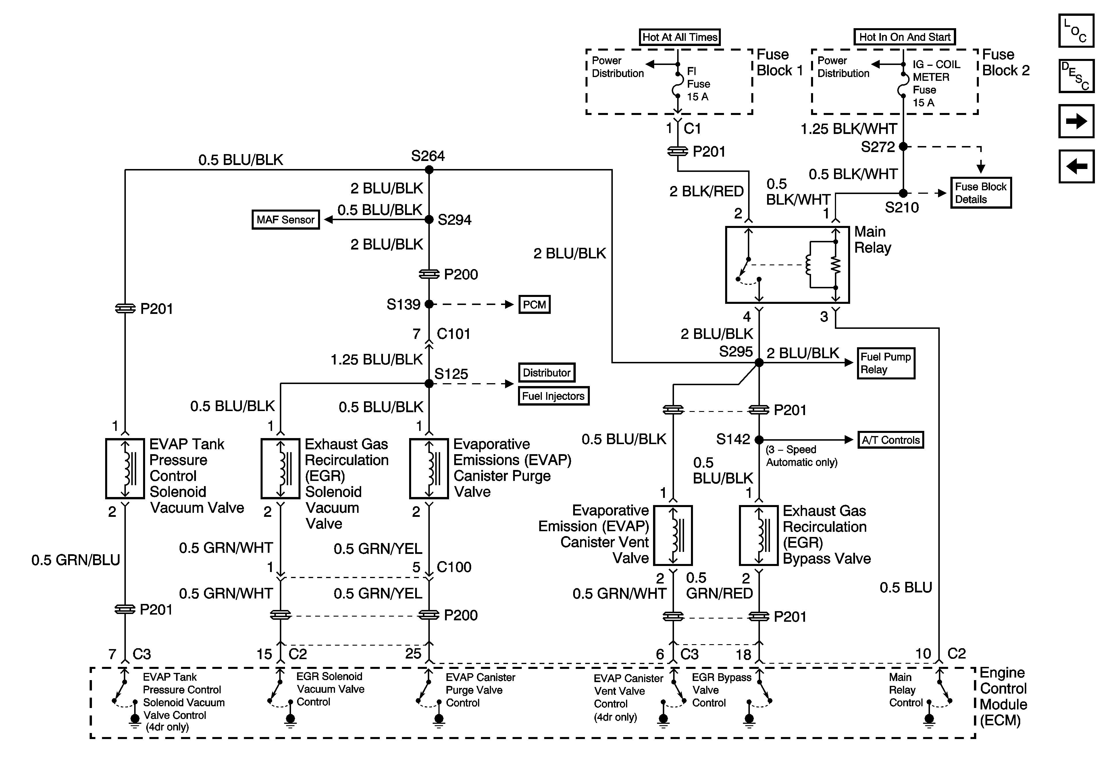
Figure 9:

EVAP and EGR System


Object Number: 1592779  Size: FS
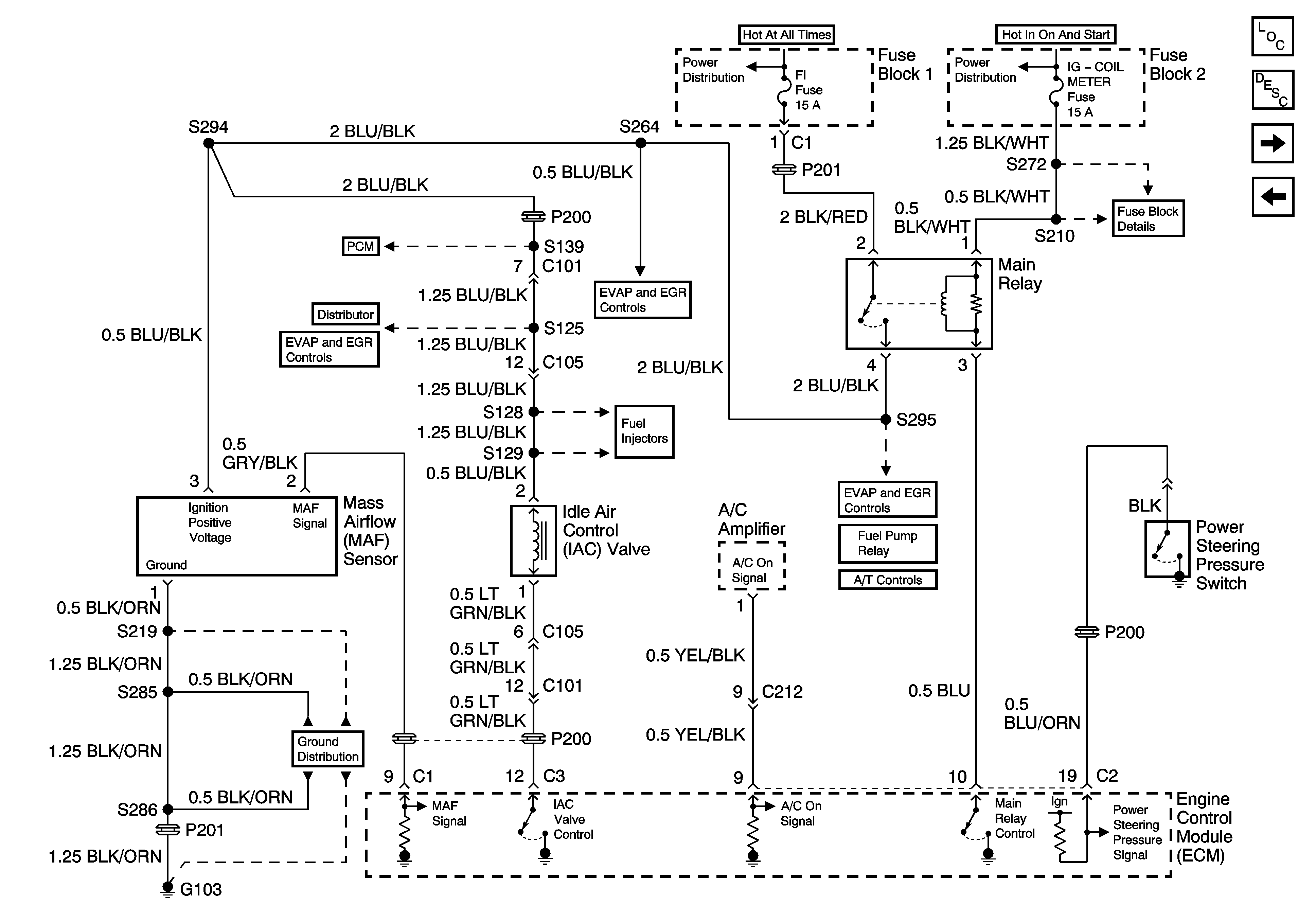
Figure 10:

Idle Air Control


Object Number: 1592781  Size: FS