GM Service Manual Online
For 1990-2009 cars only
Makes
🢒
Geo
🢒
1997
🢒
Tracker - 2WD
🢒
Engine
🢒
Engine Controls - 1.6L
🢒 Automatic Transmission Controls Schematics
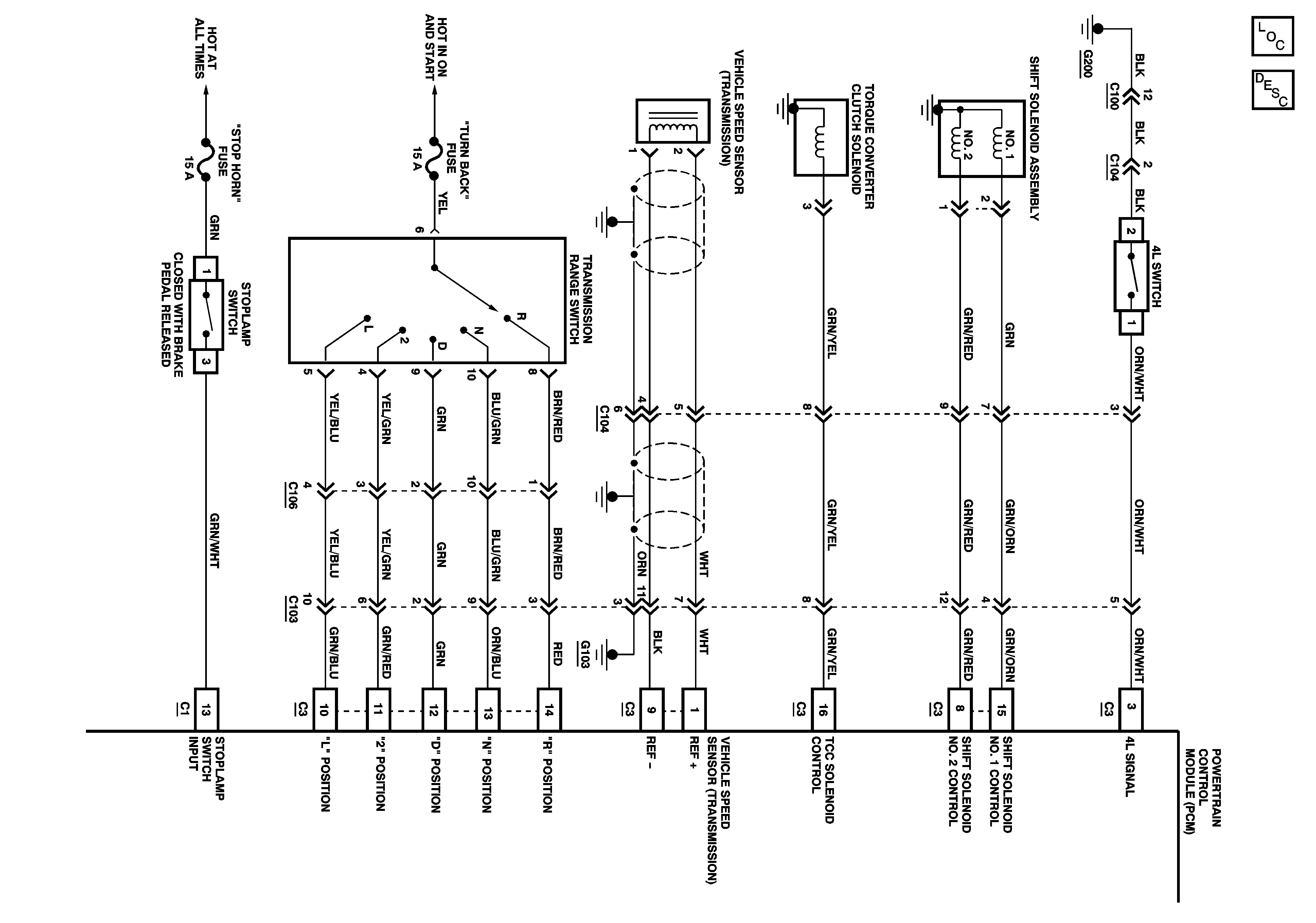
Figure
1:
PCM, Trans Range Switch, Shift Solenoids, TCC, 4L Switch
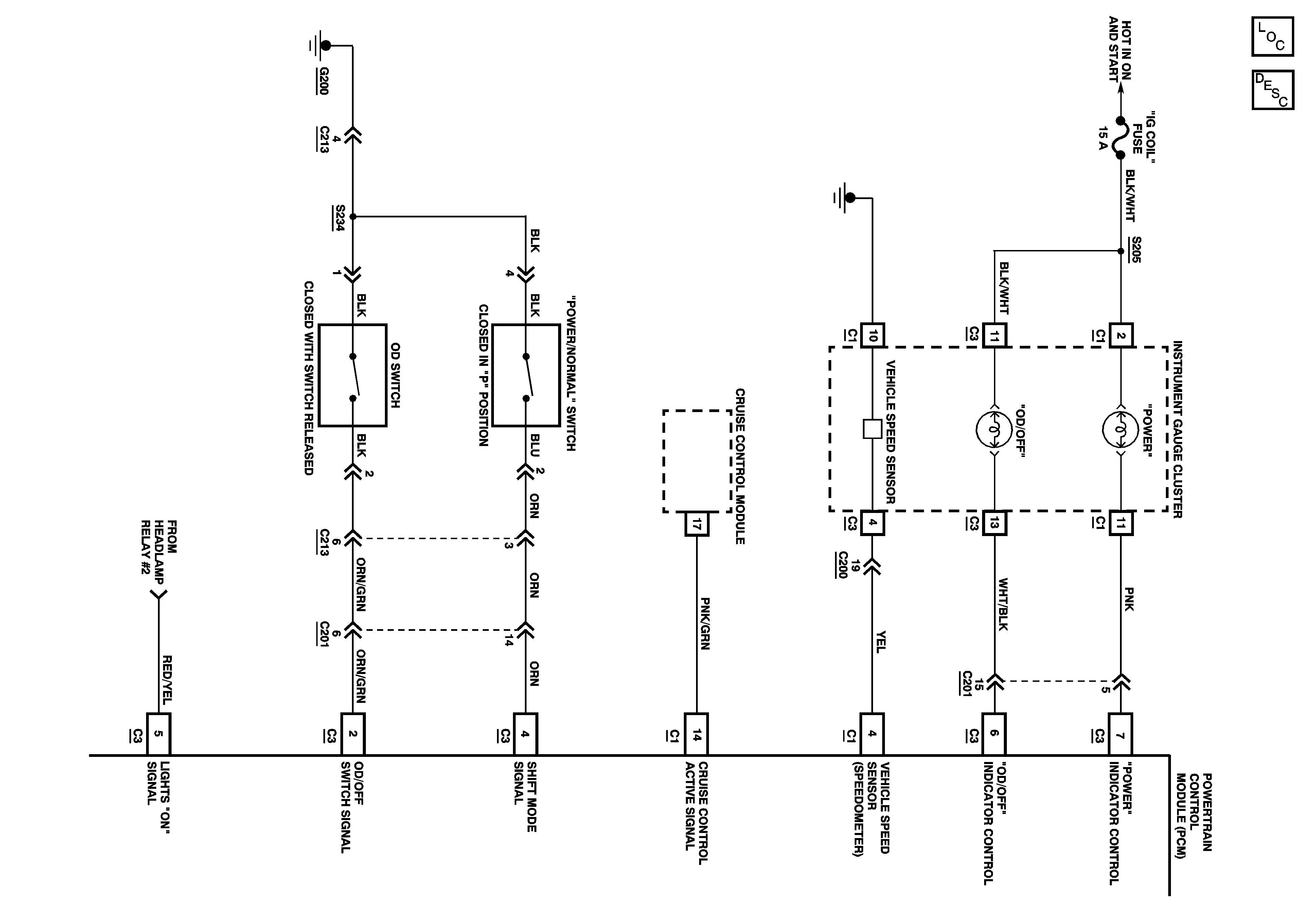
Figure
2:
IP Cluster, Cruise Module, OD Switch, VSS