GM Service Manual Online
For 1990-2009 cars only

    Object Number: 180623  Size: SH
  1. Remove the manual detent roller and spring assembly bolt (155).
  2. Remove the manual detent roller and spring assembly (145).

  3. Object Number: 180624  Size: SH
  4. Disconnect the electrical connections at:
  5. • the governor oil pressure switch (137)
    • the torque converter clutch (TCC) solenoid (147)
    • the transmission case electrical connector (148)

    Object Number: 180625  Size: SH
  6. Remove the TCC solenoid bolt (152).
  7. Remove the TCC solenoid (147) from the transfer plate reinforcement (146).
  8. Remove the TCC solenoid (147) from the TCC solenoid pipes (149-150).

  9. Object Number: 180626  Size: SH
  10. Remove the TCC solenoid pipes (149-150) from the control valve assembly (128) and the transmission case (101).
  11. Inspect the solenoid pipes for proper fit and that o-ring seals (151) are on the pipes.

  12. Object Number: 180628  Size: SH
  13. Remove the governor oil pressure switch (137) using a 1-1/16 inch pressure switch socket.
  14. Remove the oil pressure switch (176) if equipped.

  15. Object Number: 180630  Size: SH
  16. Remove the transfer plate reinforcement bolt (152).
  17. Remove the transfer plate reinforcement (146).
  18. Remove the servo piston cover bolts (152).
  19. Remove the servo piston cover (169) and gasket (168).

  20. Object Number: 180631  Size: SH
  21. Remove the control valve assembly bolts (155).
  22. Remove the control valve assembly (128).
  23. Important: Note the position of the manual valve link, (the long end into the manual valve, the short end into the detent lever).

  24. Remove the manual valve link (139).
  25. Remove the spacer plate (130) and gaskets (129) and (132).

  26. Object Number: 180632  Size: SH
  27. Remove the checkball (193) from the transmission case passage.

    Caution: Unless directed otherwise, the ignition and start switch must be in the OFF or LOCK position, and all electrical loads must be OFF before servicing any electrical component. Disconnect the negative battery cable to prevent an electrical spark should a tool or equipment come in contact with an exposed electrical terminal. Failure to follow these precautions may result in personal injury and/or damage to the vehicle or its components.

  1. Disconnect the negative battery cable.
  2. Raise and suitably support the vehicle. Refer to Lifting and Jacking the Vehicle in General Information.
  3. Remove the transmission fluid pan and gasket from the transmission. Refer to Transmission Fluid Pan Removal .
  4. Remove the 3 valve body bolts.

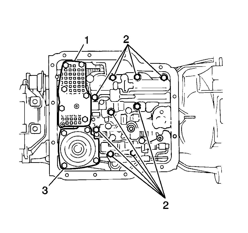
  5. Object Number: 166199  Size: SH
  6. Remove the fluid filter screen (1) and gasket.
  7. Remove the torque converter clutch (TCC) solenoid pipes (2) from the following components:
  8. • The TCC solenoid (4)
    • The transmission fluid pump
    • The valve body
  9. Disconnect the electrical connector (3) from the TCC solenoid (4).
  10. Disconnect the electrical connectors (3) from the fluid pressure switch.
  11. Remove the 2 TCC solenoid bolts.
  12. Remove the TCC solenoid (4) from the reinforcement plate.

  13. Object Number: 166205  Size: SH
  14. Remove the 6 reinforcement plate bolts.
  15. Remove the reinforcement plate (1) from the transmission case.
  16. Remove the 4 piston servo cover bolts.
  17. Remove the piston servo cover (3) and the piston servo cover gasket.
  18. Notice: When lowering the control valve body assembly, disconnect the manual valve link from the parking lock and range selector lever. Use caution to avoid losing the check ball in the transmission case passage. When the valve body is removed, the check ball should drop out of the case passage onto the top of the valve body.

  19. Remove the following components from the transmission case:
  20. • The 9 valve body bolts (2)
    • The manual detent roller
    • The valve body
    • The transfer plate
    • The transfer plate gaskets
    • One check ball