GM Service Manual Online
For 1990-2009 cars only

Removal Procedure

  1. Raise and support the vehicle. Refer to Lifting and Jacking the Vehicle .
  2. Remove the rear tire and wheel. Refer to Tire and Wheel Removal and Installation .
  3. Support the rear axle at the proper D height. Refer to Trim Height Specifications .

  4. Object Number: 793287  Size: SH
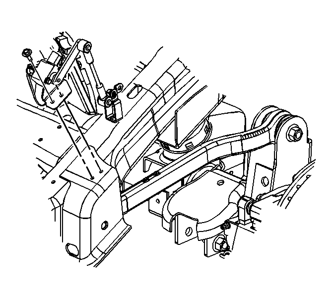
  5. Disconnect the air spring level sensor link from the upper control arm.
  6. Disconnect the air spring level sensor electrical connector located on the frame. Do not attempt to separate the connection at the sensor.

  7. Object Number: 793285  Size: SH
  8. Remove the air spring level sensor to the frame mounting bolts.
  9. Remove the air spring level sensor.

Installation Procedure


    Object Number: 793285  Size: SH
  1. Install the air spring level sensor to the frame.
  2. Notice: Refer to Fastener Notice in the Preface section.

  3. Install the air spring level sensor to the frame mounting bolts.
  4. Tighten
    Tighten the air spring level sensor to the frame mounting bolts to 8.5 N·m (75 lb in).

  5. Connect the air spring level sensor electrical connector located on the frame.

  6. Object Number: 793287  Size: SH
  7. Install the air spring level sensor link to the upper control arm.
  8. Tighten
    Tighten the bolt to 17 N·m (13 lb ft).

  9. Remove the rear axle support.
  10. Install the rear tire and wheels. Refer to Tire and Wheel Removal and Installation .
  11. Perform the suspension position calibration procedure. Refer to Suspension Position Calibration .