GM Service Manual Online
For 1990-2009 cars only
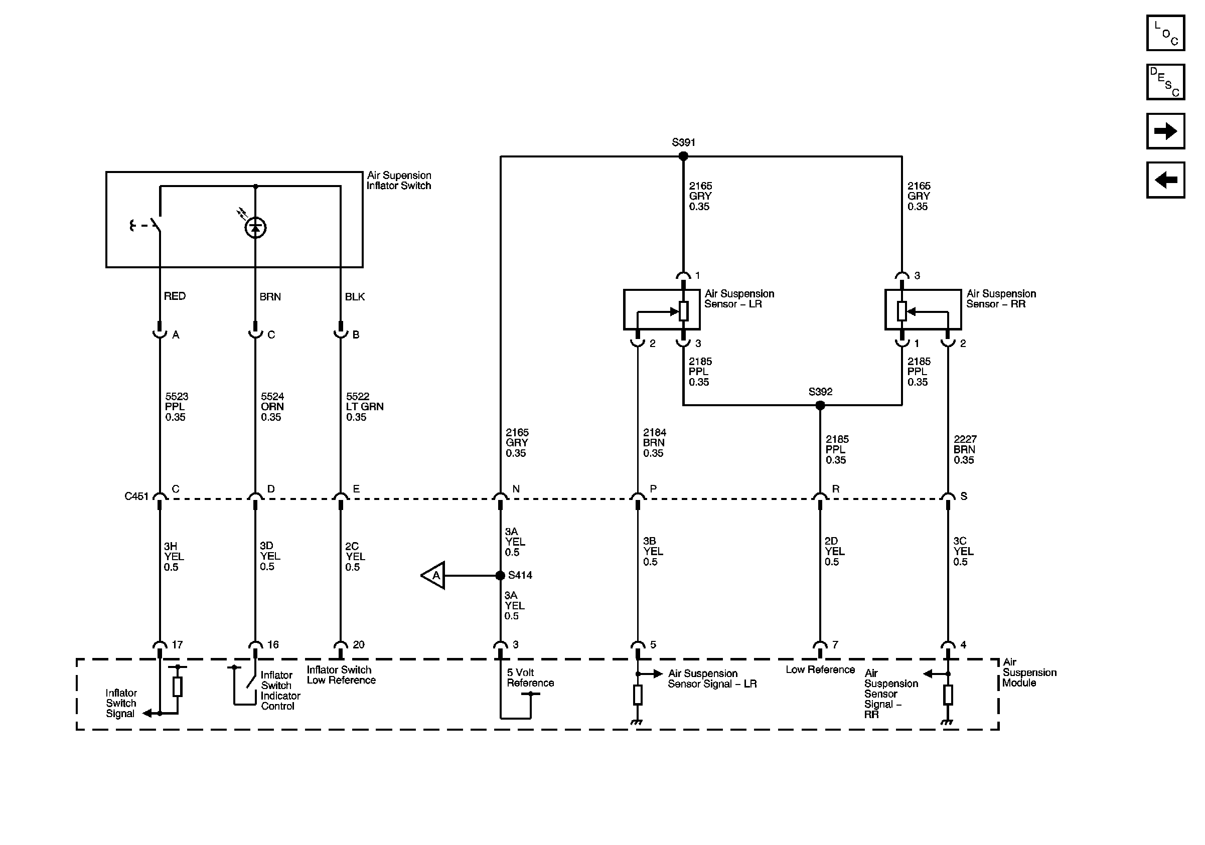
Figure 1:

Power, Ground, DLC, Relay, and Ride Height Switch


Object Number: 833599  Size: FS
Master Electrical Component List
Air Suspension Description and Operation
Inflator Switch and Suspension Position Sensors
B+ Bus
PCMB, TREC, IPC/DIC, TBC BATT, SEO B1, SEO B2, and HVAC/ECAS Fuses
ACCY/RUN/START, RUN, and START Bus Bars, CRANK Fuse
BRAKE, 4WD, CRUISE, HVAC I, and IGN 3 Fuses
Dimmer Controls, IP Cluster Illumination, and Switch Indicators
Illumination - Transfer Case Control, Height Control, Inflatable Restraint Disable, and Rear Heated Seat Switches, and PRNDL Lamps
CKT 1050, S203, S215, S302, S303, and S351
CKT 1050, S203, S215, S302, S303, and S351
CKT 1050, S203, S215, S302, S303, and S351
Power, Ground, DLC, and Splice Pack SP205
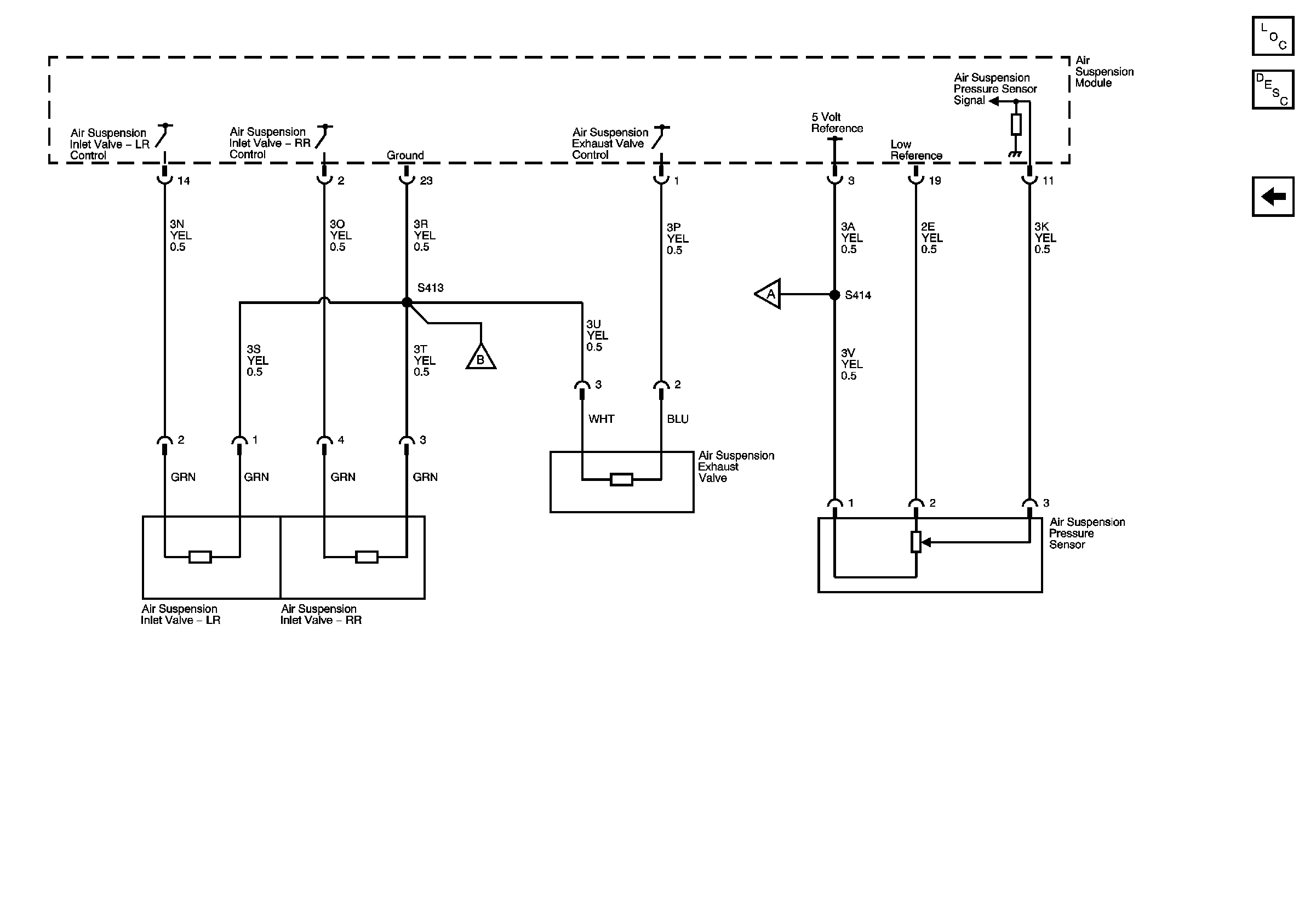
Solenoid Valves and Pressure Sensor
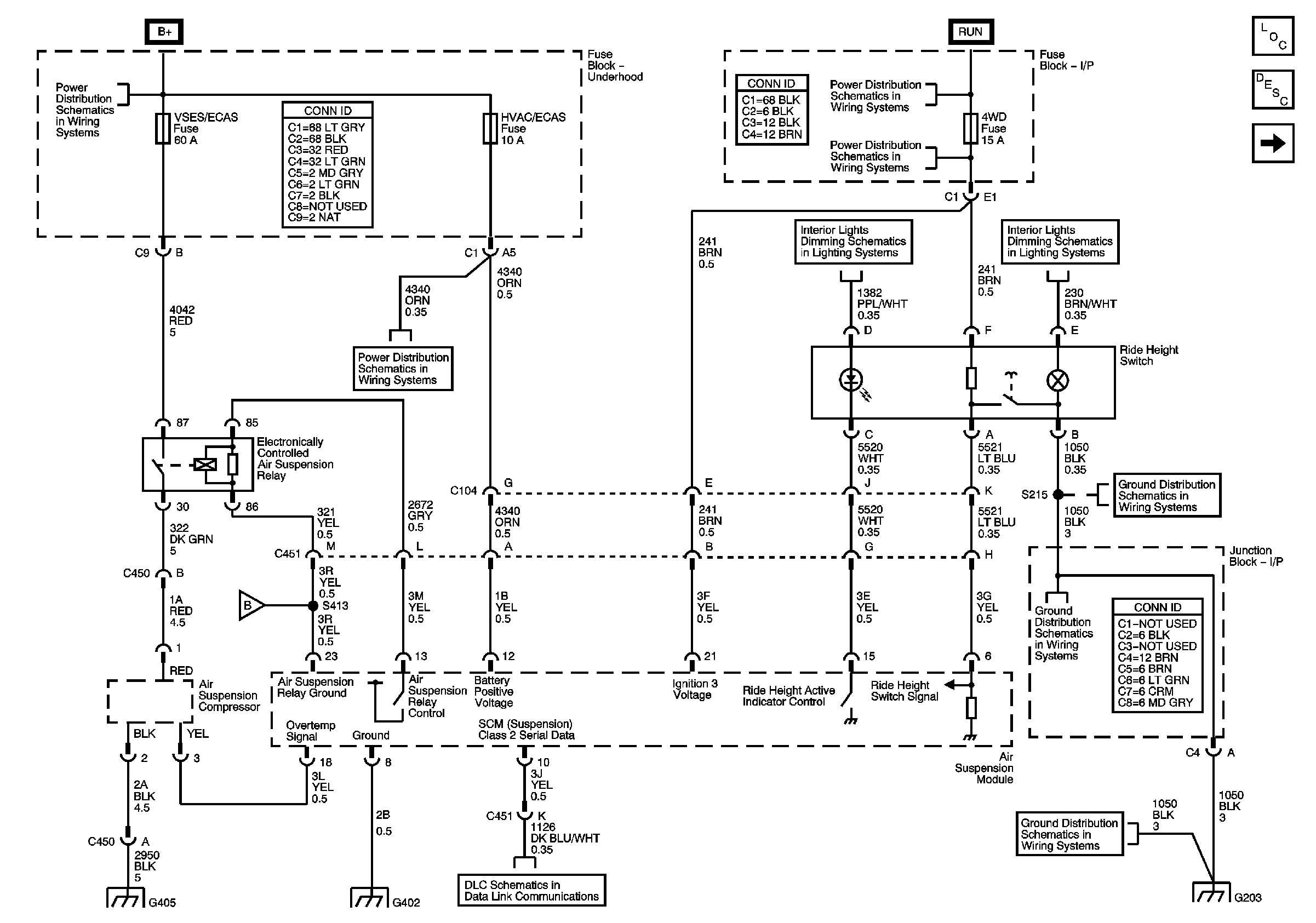
Figure 2:

Inflator Switch and Suspension Position Sensors


Object Number: 833600  Size: FS
Master Electrical Component List
Air Suspension Description and Operation
Solenoid Valves and Pressure Sensor
Power, Ground, DLC, Relay and Ride Height Switch
Solenoid Valves and Pressure Sensor
Figure 3:

Solenoid Valves and Pressure Sensor


Object Number: 833863  Size: FS
Master Electrical Component List
Air Suspension Description and Operation
Inflator Switch and Suspension Position Sensors
Power, Ground, DLC, Relay and Ride Height Switch
Inflator Switch and Suspension Position Sensors