GM Service Manual Online
For 1990-2009 cars only
Makes
🢒
HUMMER
🢒
2003
🢒
H2
🢒
Body and Accessories
🢒
Wiring Systems
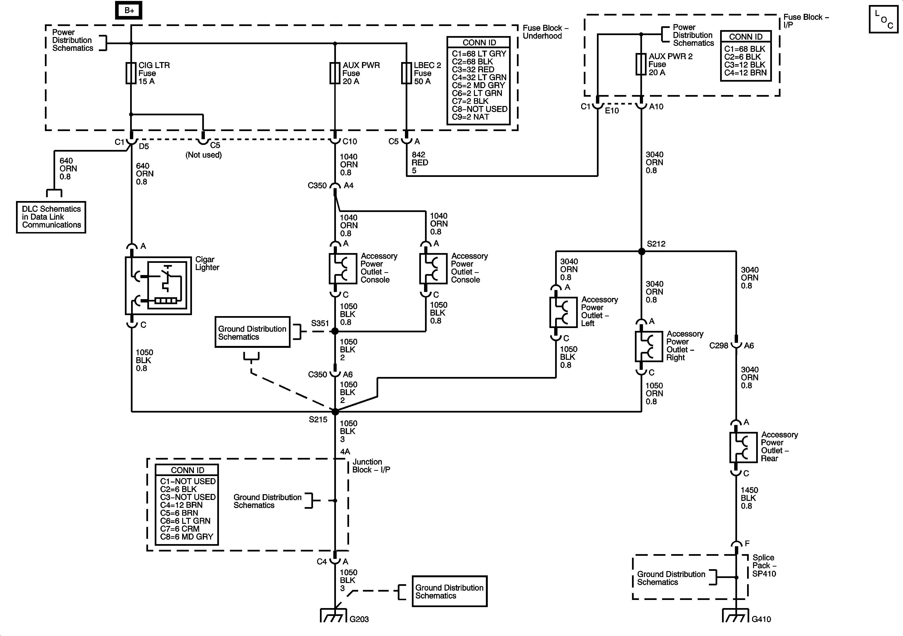
🢒 Cigar Lighter/Power Outlet Schematics
Master Electrical Component List
Power, Ground, DLC, and Splice Pack SP205
B+ Bus
CKT 1050, S203, S215, S302, S303, and S351
LBEC 1, LBEC 2, INFO, PDM, AUX PWR, DDM, LOCKS, TBC 2A, 2B, and 2C Fuses, and LT DOOR Circuit Breaker
G402, G405, and G410
CKT 1050, S203, S215, S302, S303, and S351
CKT 1050, S203, S215, S302, S303, and S351