GM Service Manual Online
For 1990-2009 cars only

Removal Procedure

  1. Ensure that the headlamp switch is in the OFF position
  2. Lower the I/P storage compartment door by pressing the tab.
  3. Depress the switch plunger.

  4. Object Number: 815932  Size: SH
  5. Pull the switch assembly downward from the retainer.

  6. Object Number: 832801  Size: SH
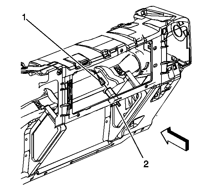
  7. Disconnect the electrical connector (1) from the I/P compartment lamp switch.
  8. Remove the I/P compartment lamp switch (2).

Installation Procedure


    Object Number: 832801  Size: SH
  1. Connect the electrical connector (1) to the I/P compartment lamp switch.
  2. Depress the switch plunger (2).
  3. Slide the assembly upward into the retainer.
  4. Close the instrument panel storage compartment.