GM Service Manual Online
For 1990-2009 cars only
Makes
🢒
HUMMER
🢒
2003
🢒
H2
🢒
Body and Accessories
🢒
Garage Door Opener
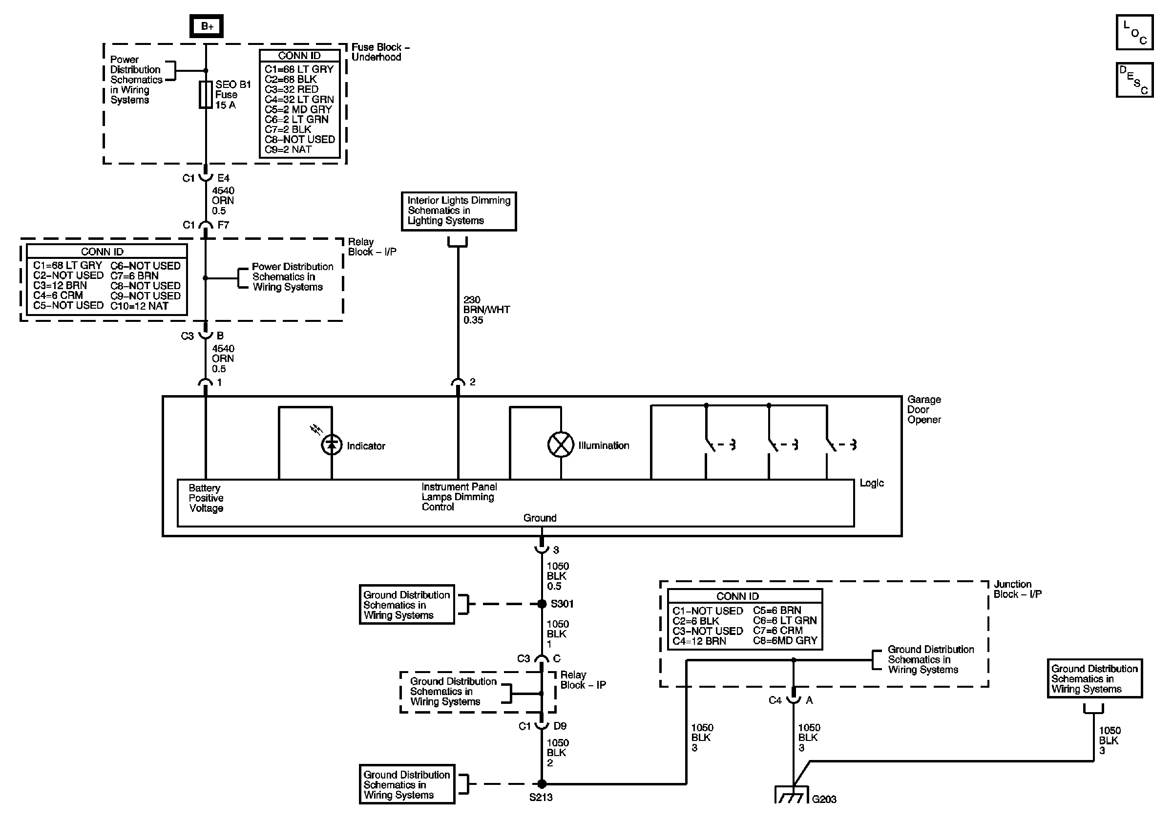
🢒 Garage Door Opener Schematics
Master Electrical Component List
Garage Door Opener Description and Operation
PCMB, TREC, IPC/DIC, TBC BATT, SEO B1, SEO B2, and HVAC/ECAS Fuses
PCMB, TREC, IPC/DIC, TBC BATT, SEO B1, SEO B2, and HVAC/ECAS Fuses
Illumination - Rear Window, Garage Door Opener, Sunroof, HVAC Control, Headlamp, and Tow/Haul Switches
CKT 1050, S203, S215, S302, S303, and S351
CKT 1050, S203, S215, S302, S303, and S351
CKT 1050, S213 and S301
CKT 1050, S213 and S301
CKT 1050, S213 and S301