GM Service Manual Online
For 1990-2009 cars only
Makes
🢒
HUMMER
🢒
2004
🢒
H2
🢒
Accessories
🢒
Keyless Entry
🢒 Keyless Entry Schematics
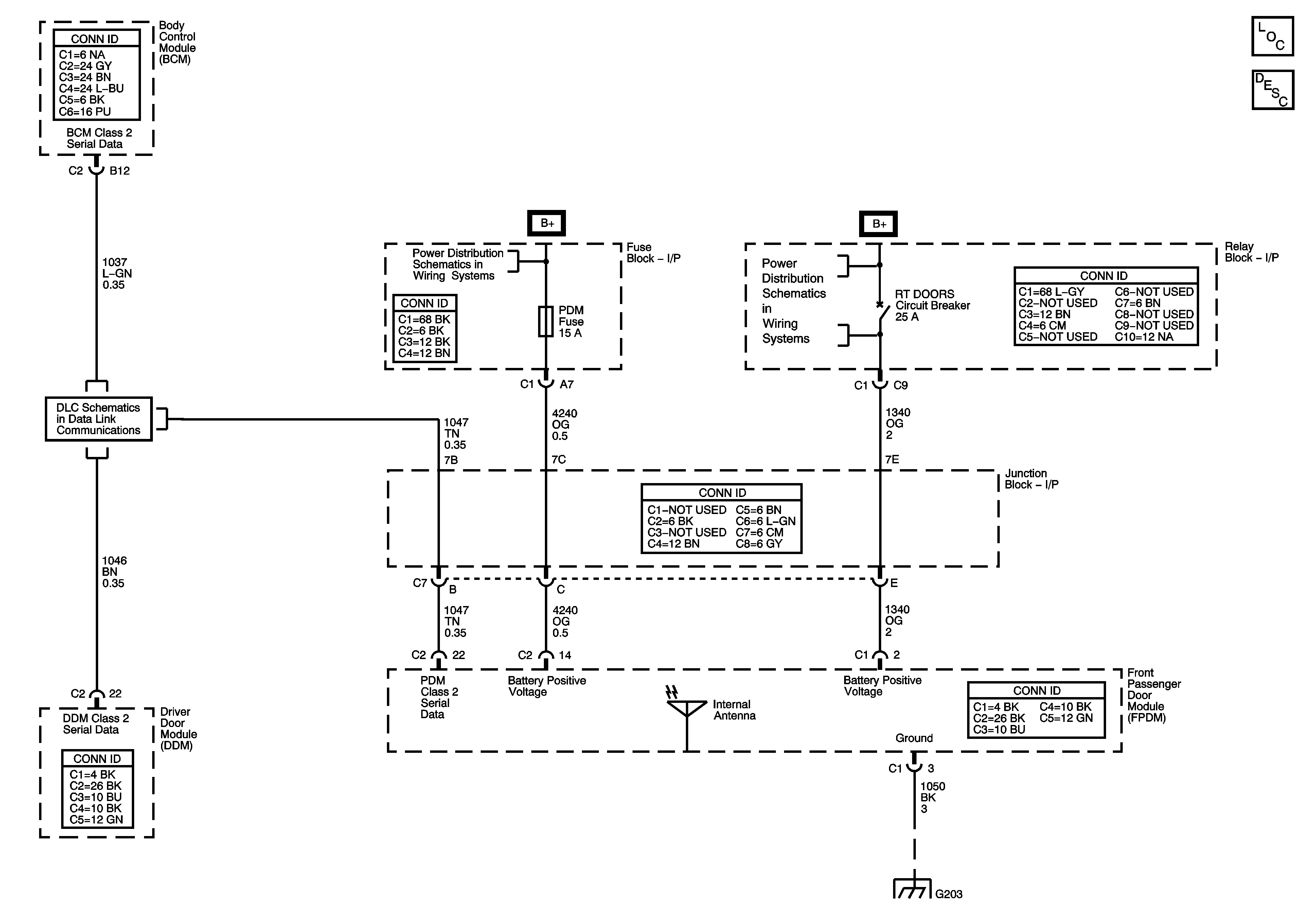
Master Electrical Component List
Power, Ground, DLC, and Splice Pack SP205
LBEC 1, LBEC 2, INFO, FPDM, AUX PWR, DDM, LOCKS, TBC 2A, 2B, and 2C, and LT DOORS Circuit Breaker
STUD 1, STUD 2, VSES/ECAS, BLOWER, ABS, MBEC 1 Fuses, RT DOORS and SEATS Circuit Breakers
CKT 1050: G203, S302, S303, S351, and S215