GM Service Manual Online
For 1990-2009 cars only
Makes
🢒
HUMMER
🢒
2004
🢒
H2
🢒
Accessories
🢒
Power Outlets
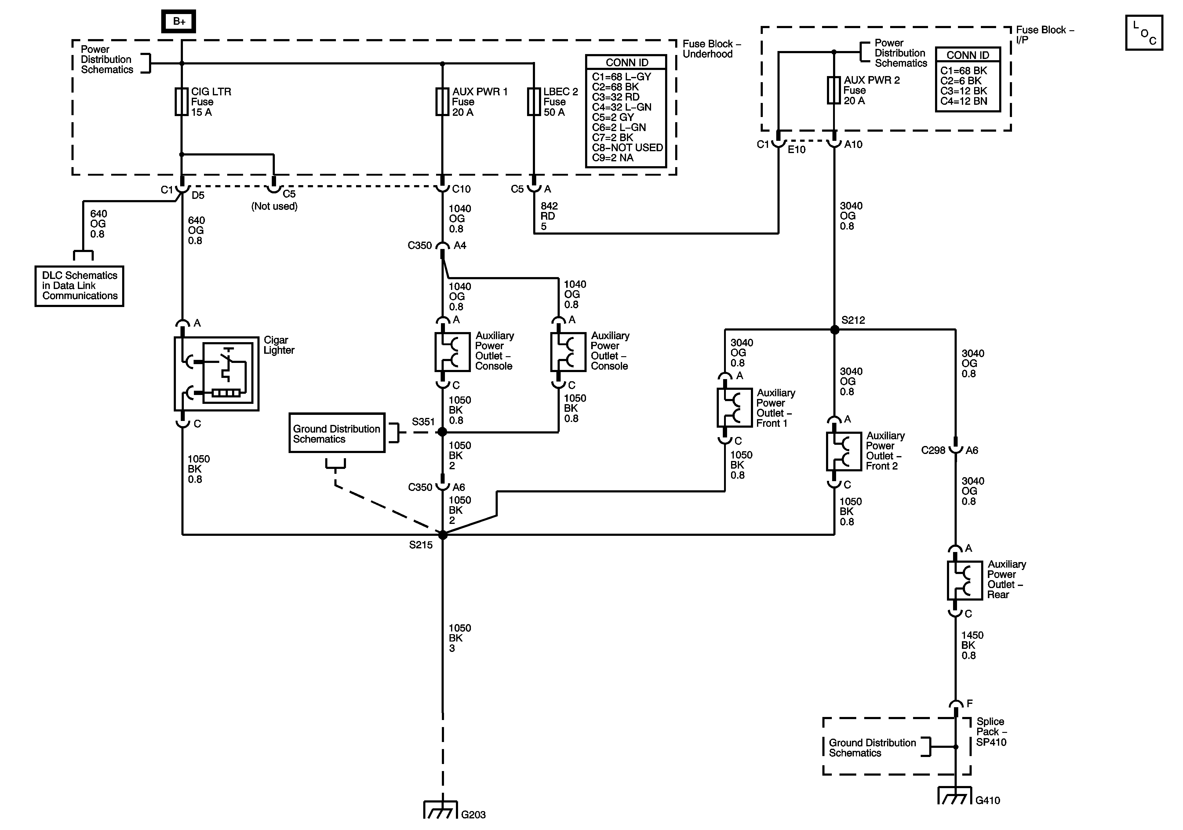
🢒 Cigar Lighter/Power Outlet Schematics
Master Electrical Component List
Power, Ground, DLC, and Splice Pack SP205
B+Bus
CKT 1050: G203, S302, S303, S351, and S215
LBEC 1, LBEC 2, INFO, FPDM, AUX PWR, DDM, LOCKS, TBC 2A, 2B, and 2C, and LT DOORS Circuit Breaker
G402, G405, and G410
G402, G405, and G410
CKT 1050: G203, S302, S303, S351, and S215