GM Service Manual Online
For 1990-2009 cars only

Removal Procedure


    Object Number: 796012  Size: SH
  1. Depressurize the air suspension system, if equipped. Refer to Air Suspension Depressurization .
  2. Disable the park brake cable automatic adjuster. Refer to Parking Brake Cable Adjuster Disabling .
  3. Raise the vehicle. Refer to Lifting and Jacking the Vehicle .
  4. Place jack stands at the front of the vehicle.
  5. Support the rear axle with jack stands.
  6. Remove the rear tire and wheel assemblies. Refer to Tire and Wheel Removal and Installation .
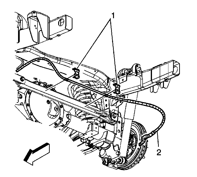
  7. Disconnect the rear axle vent tube (1).
  8. Remove the rear propeller shaft. Refer to Rear Propeller Shaft Replacement .

  9. Object Number: 793127  Size: SH
  10. Disconnect the left-rear park brake cable (3) from the backing plate (1), the park brake actuator (2), and the cable guide at the rear axle.

  11. Object Number: 793129  Size: SH
  12. Remove the park brake cable clips (1) from the track bar.
  13. Disconnect the right-rear park brake cable (2) from the backing plate, the park brake actuator, and from the cable guide at the rear axle.

  14. Object Number: 913408  Size: SH
  15. Remove the brake crossover pipe bracket bolt.
  16. Remove the brake crossover pipe, wheel speed sensor harness, and electronic locker harness from the rear axle and secure them to the body or frame.

  17. Object Number: 924321  Size: SH

    Notice: Support the brake caliper with heavy mechanic wire, or equivalent, whenever it is separated from its mount and the hydraulic flexible brake hose is still connected. Failure to support the caliper in this manner will cause the flexible brake hose to bear the weight of the caliper, which may cause damage to the brake hose and in turn may cause a brake fluid leak.

  18. Remove the brake caliper and bracket assemblies from the rear axle and support them with heavy mechanics wire or equivalent. DO NOT disconnect the hydraulic brake flexible hose from the caliper.

  19. Object Number: 913402  Size: SH
  20. Remove the rear stabilizer shaft insulator bracket bolts (2) from the rear axle.
  21. Pivot the stabilizer shaft (1) to the rear and secure it out of the way.

  22. Object Number: 913437  Size: SH
  23. Disconnect the track bar from the rear axle and suspend it out of the way.
  24. Disconnect the lower control arms from the rear axle. Refer to Rear Axle Lower Control Arm Replacement .
  25. Disconnect the upper control arms from the rear axle. Refer to Rear Axle Upper Control Arm Replacement .
  26. Remove the lower shock nuts and bolts from the rear axle shock bracket.
  27. Remove the coil springs, if equipped. Refer to Coil Spring Replacement .
  28. If equipped with air suspension, the air springs will remain attached to the frame and will not need to be removed.

  29. Remove the rear axle assembly from the vehicle.

Installation Procedure

  1. Install the rear axle assembly to the vehicle.
  2. Install the coil springs, if equipped. Refer to Coil Spring Replacement .
  3. If equipped with air suspension, ensure that the air springs are seated properly on the rear axle.

    Notice: Use the correct fastener in the correct location. Replacement fasteners must be the correct part number for that application. Fasteners requiring replacement or fasteners requiring the use of thread locking compound or sealant are identified in the service procedure. Do not use paints, lubricants, or corrosion inhibitors on fasteners or fastener joint surfaces unless specified. These coatings affect fastener torque and joint clamping force and may damage the fastener. Use the correct tightening sequence and specifications when installing fasteners in order to avoid damage to parts and systems.

  4. Position the bottoms of the rear shocks in the rear axle shock brackets and install the lower shock bolts and nuts.
  5. Tighten
    Tighten the nuts to 105 N·m (77 lb ft).

  6. Connect the upper control arms to the rear axle. Refer to Rear Axle Upper Control Arm Replacement .
  7. Connect the lower control arms to the rear axle. Refer to Rear Axle Lower Control Arm Replacement .

  8. Object Number: 913437  Size: SH
  9. Position the track bar in the bracket and install the bolt and nut.
  10. Tighten
    Tighten the nut to 105 N·m (77 lb ft).


    Object Number: 913402  Size: SH
  11. Pivot the stabilizer shaft (1) forward and position the insulator brackets to the rear axle.
  12. Install the stabilizer shaft insulator bracket bolts (2).
  13. Tighten
    Tighten the bolts to 33 N·m (24 lb ft).


    Object Number: 924321  Size: SH
  14. Install the caliper and bracket assemblies to the rear axle.
  15. Tighten
    Tighten the brake caliper bracket bolts to 165 N·m (122 lb ft).


    Object Number: 913408  Size: SH
  16. Install the electronic locker harness, wheel speed sensor harness, and the brake crossover pipe to the rear axle.
  17. Tighten
    Tighten the brake crossover pipe bracket bolt to 22 N·m (16 lb ft).


    Object Number: 793129  Size: SH
  18. Install the right-rear park brake cable (2) to the cable guide, the park brake actuator, and the backing plate.
  19. Install the park brake cable clips (1) to the track bar.

  20. Object Number: 793127  Size: SH
  21. Connect the left-rear park brake cable (3) to the cable guide, the park brake actuator (2), and the backing plate (1).
  22. Install the rear propeller shaft. Refer to Rear Propeller Shaft Replacement .

  23. Object Number: 796012  Size: SH
  24. Connect the rear axle vent tube (1).
  25. Install the rear tire and wheel assemblies. Refer to Tire and Wheel Removal and Installation .
  26. Inspect and add axle lubricant, if necessary. Refer to Rear Axle Lubricant Level Inspection .
  27. Remove the jack stands.
  28. Lower the vehicle. If equipped with air suspension, ensure the air springs seat properly as the vehicle is being lowered.
  29. Enable the park brake cable automatic adjuster. Refer to Parking Brake Cable Adjuster Enabling .
  30. If equipped with air suspension, start the vehicle and run for approximately 2 minutes to ensure the air spring leveling system is functioning properly.