GM Service Manual Online
For 1990-2009 cars only
Makes
🢒
HUMMER
🢒
2005
🢒
H2
🢒
Body
🢒
Wipers/Washer Systems
🢒 Rear Window Wiper and Washer Switch Replacement
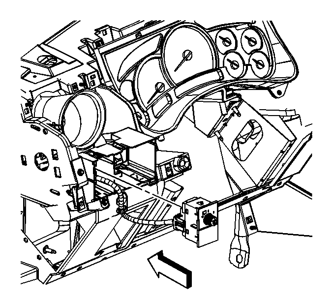
Removal Procedure
Remove the trim bezel. Refer to
Instrument Panel Accessory Trim Plate Replacement - Left Side
in Instrument Panel, Gages and Console.
Insert a flat bladed tool at the top and bottom of the switch assembly in order to remove the switch assembly.
Pull out the switch assembly in order to gain access to the connector.
Disconnect the electrical connector.
Remove the switch from the I/P.
Installation Procedure
Connect the electrical connector to the switch assembly.
Push in the switch assembly until both tabs click in place.
Install the trim bezel. Refer to
Instrument Panel Accessory Trim Plate Replacement - Left Side
in Instrument Panel, Gages and Console.