GM Service Manual Online
For 1990-2009 cars only
Figure 1:

Lower Left of the I/P


Object Number: 819764  Size: MF
(1)APP Sensor
(2)APP Sensor Connector
Figure 2:

Left Side of Engine


Object Number: 1454817  Size: LF
(1)Ignition Coil 1
(2)Fuel Injector 1
(3)Fuel Injector 3
(4)Fuel Injector 5
(5)Fuel Injector 7
(6)Ignition Coil 7
(7)Ignition Coil 5
(8)Ignition Coil 3
(9)Engine Coolant Temperature (ECT) Sensor
Figure 3:

Right Side of Engine


Object Number: 1203084  Size: MF
(1)Throttle Body Assembly
(2)Fuel Injector 2
(3)Ignition Coil 2
(4)Fuel Injector 4
(5)Ignition Coil 4
(6)C158 - Ignition Coil Inline
(7)Fuel Injector 6
(8)Ignition Coil 6
(9)Ignition Coil 8
(10)Fuel Injector 8
Figure 4:

Right Rear Corner of Cylinder Block


Object Number: 222858  Size: MF
(1)CKP Mounting Bolt
(2)CKP Mounting Location
(3)Crankshaft Position (CKP) Sensor
Figure 5:

Engine Compartment Mounted Components


Object Number: 1233798  Size: LF
(1)Intake Air Temperature (IAT)/Mass Air Flow (MAF) Sensor
(2)Throttle Actuator Control (TAC) Module
(3)Powertrain Control Module (PCM)
(4)Crankshaft Position (CKP) Sensor
(5)Starter Solenoid
(6)Engine Oil Level Switch
Figure 6:

Top View


Object Number: 1233881  Size: LF
(1)Manifold Absolute Pressure (MAP) Sensor
(2)Knock Sensor Pigtail
(3)C115
(4)Engine Harness
(5)Engine Harness
(6)G103
(7)G104
(8)Camshaft Position (CMP) Sensor Connector
(9)Engine Oil Pressure (EOP) Sensor Connector
(10)Generator
(11)Throttle Body Connector
(12)Evaporative Emission (EVAP) Canister Purge Solenoid
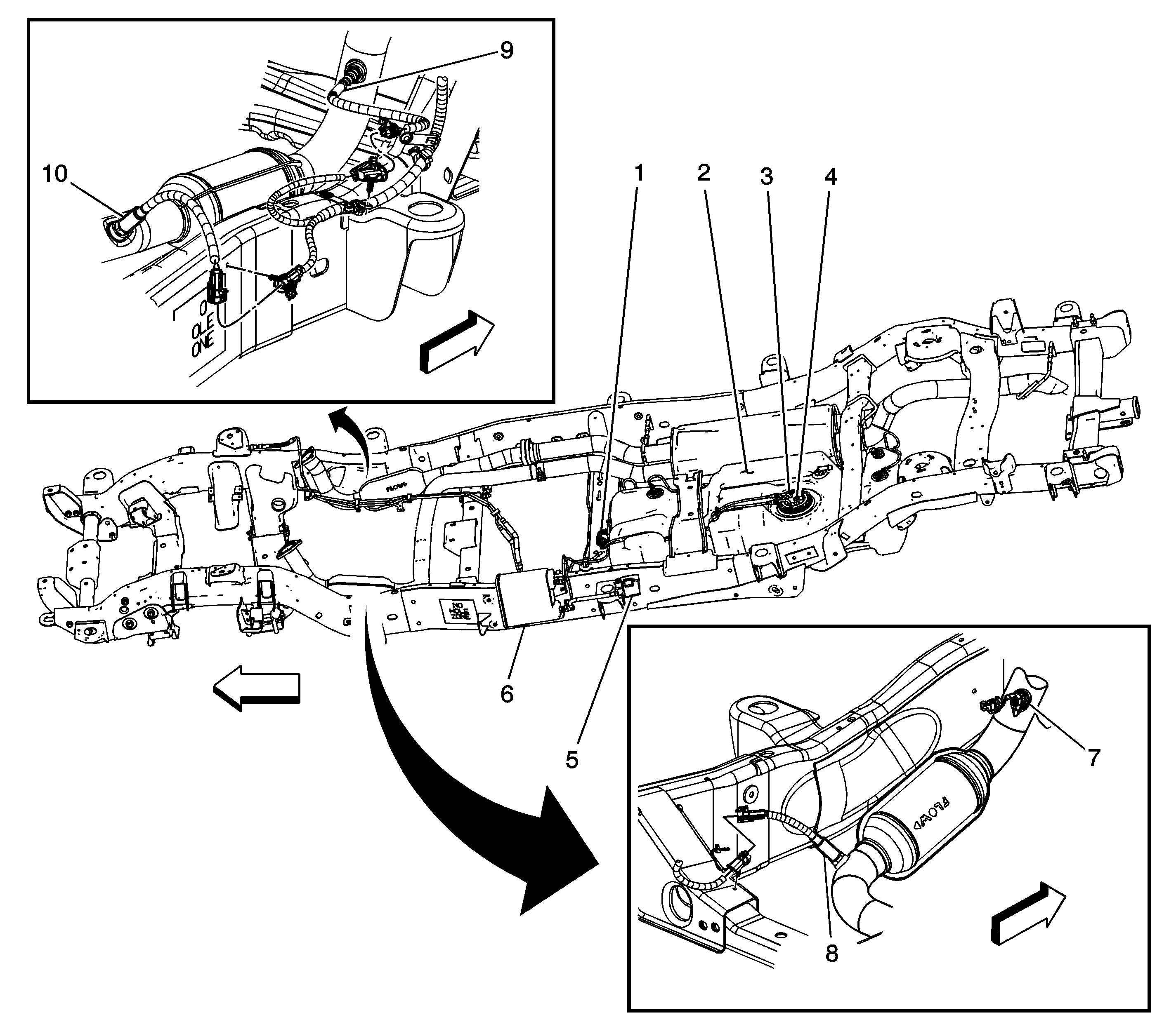
Figure 7:

Chassis Mounted Components


Object Number: 1234260  Size: LF
(1)Fuel Filter
(2)Fuel Tank
(3)Fuel Pump and Sender Assembly
(4)Fuel Tank Pressure (FTP) Sensor
(5)Evaporative Emission Canister Vent (EVAP) Solenoid
(6)EVAP Canister
(7)Heated Oxygen Sensor (HO2S) Bank 1 Sensor 1
(8)Heated Oxygen Sensor (HO2S) Bank 1 Sensor 2
(9)Heated Oxygen Sensor (HO2S) Bank 2 Sensor 1
(10)Heated Oxygen Sensor (HO2S) Bank 2 Sensor 2
Figure 8:

Knock Sensors


Object Number: 198593  Size: MF
(1)Knock Sensor (KS) 1
(2)Knock Sensor (KS) 2