GM Service Manual Online
For 1990-2009 cars only

Removal Procedure


    Object Number: 816356  Size: SH
  1. Remove the instrument panel trim plate. Refer to Instrument Panel Accessory Trim Plate Replacement - Left Side in Instrument Panel, Gages, and Console.

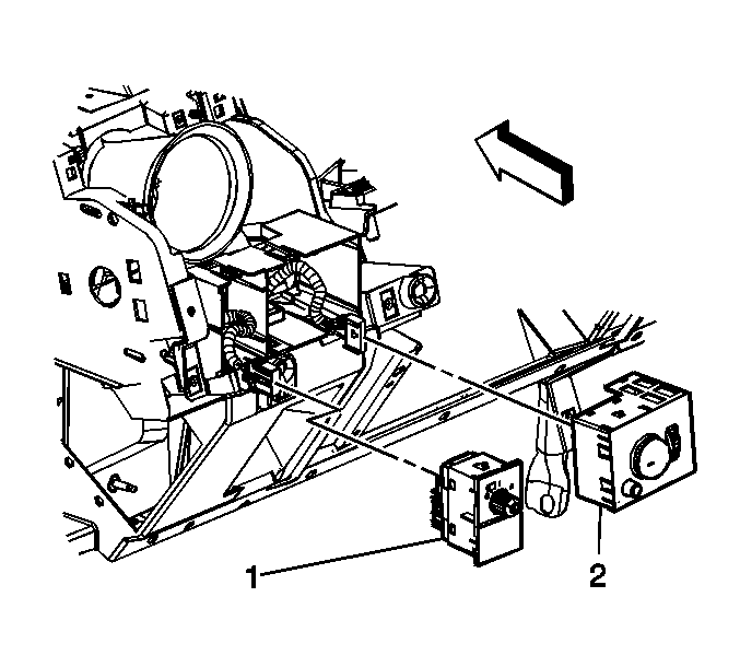
  2. Object Number: 815923  Size: SH
  3. Pull out the headlamp switch in order to release the clips.
  4. Remove the headlamp switch.

  5. Object Number: 832807  Size: SH
  6. Disconnect the electrical connector.

Installation Procedure


    Object Number: 832807  Size: SH
  1. Connect the electrical connectors to the headlamp switch.

  2. Object Number: 815923  Size: SH
  3. Align and install the headlamp switch to the instrument panel.

  4. Object Number: 816356  Size: SH
  5. Install the instrument panel trim plate. Refer to Instrument Panel Accessory Trim Plate Replacement - Left Side in Instrument Panel, Gages, and Console.