GM Service Manual Online
For 1990-2009 cars only
Figure 1:

Forward Lamp Harness Routing


Object Number: 896773  Size: LF
(1)Washer Fluid Level Sensor Connector
(2)Windshield Washer Fluid Pump Connector (Reversible)
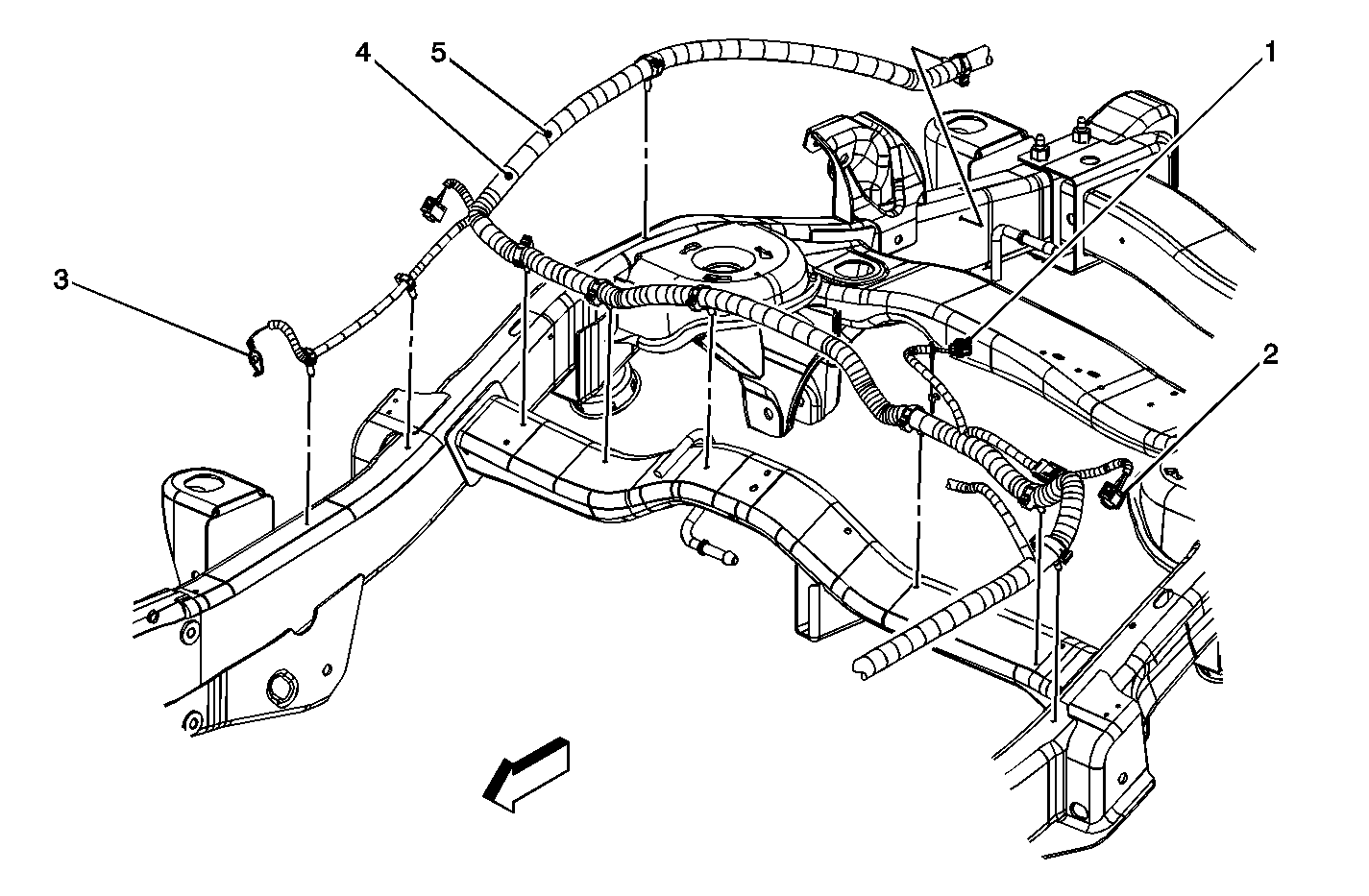
(3)Underhood Lamp Inline (If Equipped)
(4)C103
(5)Fuse Block-Underhood C4
(6)Park/Turn Signal Lamp Connector-LF
(7)Marker Lamp Connector-LF
(8)Daytime Running Lamp (DRL) Connector-Left
(9)G100
(10)S101
(11)Inflatable Restraint Front End Discriminating Sensor Connector-Left
(12)Inflatable Restraint Front End Discriminating Sensor Connector-Right
(13)Horn Connector-Left
(14)Headlamp Connector-Left
(15)S100
(16)Daytime Running Lamp (DRL) Connector-Right
(17)Horn Connector-Right
(18)Ambient Air Temperature Sensor Connector-HVAC
(19)Ambient Air Temperature Sensor Connector-Mirror
(20)Headlamp Connector-Right
(21)Marker Lamp Connector-Right
(22)Park/Turn Signal Lamp Connector-RF
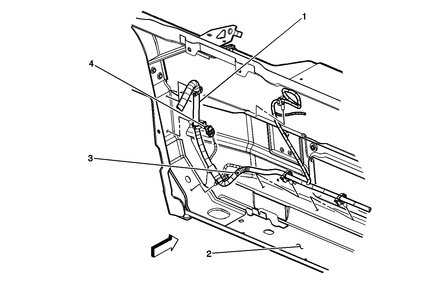
Figure 2:

Forward Lamp Harness to Fuse Block - Underhood


Object Number: 829073  Size: LF
(1)Fuse Block - Underhood Center Block
(2)Fuse Block-Underhood-C4 (GRN)
(3)C103-I/P Harness Side
(4)Forward Lamp Harness
(5)C103-Forward Lamp Harness Side
Figure 3:

Engine Harness Routing (6.0L)


Object Number: 897635  Size: LF
(1)Intake Air Temperature (IAT)/Mass Air Flow (MAF) Sensor Connector
(2)A/C Low Pressure Switch Connector
(3)Heated Oxygen Sensor (HO2S) Bank 2 Sensor 1 Connector
(4)Heated Oxygen Sensor (HO2S) Bank 2 Sensor 2 Connector
(5)Manifold Absolute Pressure (MAP) Sensor Connector
(6)G103
(7)G104
(8)Camshaft Position (CMP) Sensor Connector
(9)C175
(10)Vehicle Speed Sensor (VSS) Connector
(11)Heated Oxygen Sensor (HO2S) Bank 1 Sensor 1 Connector
(12)Park/Neutral Position (PNP) Switch Connector
(13)Heated Oxygen Sensor (HO2S) Bank 1 Sensor 2 Connector
(14)S102
(15)S103
(16)S104
(17)Throttle Actuator Control (TAC) Assembly Connector
(18)C100
(19)Fuse Block-Underhood C2
(20)C106
(21)G102
(22)A/C Compressor Clutch Connector
(23)Engine Oil Level Switch Connector
(24)Crankshaft Position (CKP) Sensor Connector
(25)A/C Refrigerant Pressure Sensor Connector
(26)Coolant Level Switch Connector
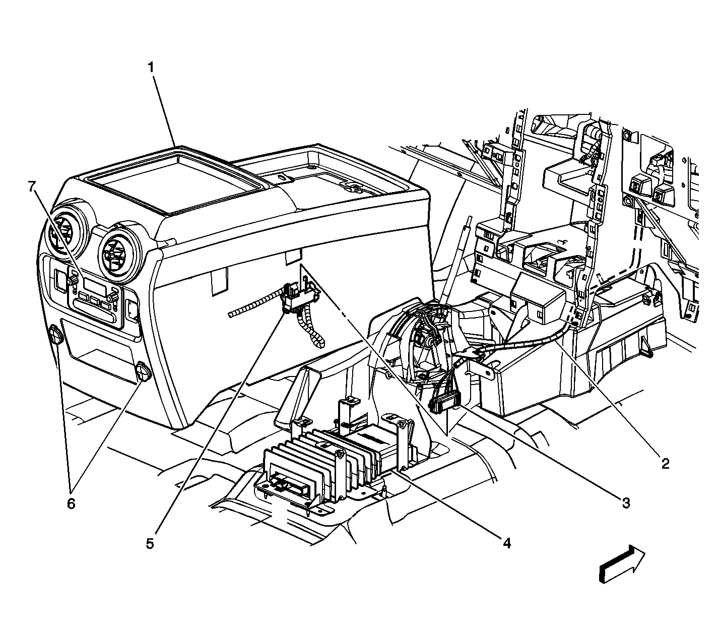
Figure 4:

I/P Harness Routing 1 of 2


Object Number: 1066960  Size: LF
(1)Throttle Actuator Control (TAC) Module Connector - C2
(2)C102 I/P to Chassis Harness
(3)Fuse Block - Underhood C1
(4)C101 I/P to Chassis Harness
(5)C100 I/P to Engine Harness
(6)C103 I/P to Forward Lamp Harness
(7)Fuse Block - Underhood C6
(8)Fuse Block - Underhood C5
(9)Fuse Block - Underhood C7
(10)C104 I/P to Chassis Harness
(11)Trailer Harness Feed
(12)Windshield Wiper Motor and Module Connector
(13)Instrument Panel Cluster (IPC) Connector
(14)Air Temperature Sensor - Upper Right Connector
(15)Ambient Light/Sunload Sensor Assembly Connector
(16)Inflatable Restraint I/P Module Connector
(17)Inflatable Restraint I/P Module Disable Switch Connector
(18)I/P Compartment Lamp Connector
(19)Speaker - RF Tweeter Connector
(20)Junction Block - I/P
(21)Courtesy Lamp - Right Footwell Connector
(22)C298 I/P to Body Harness
(23)C201 I/P to Body Harness
(24)C200 I/P to Body Harness
(25)G200
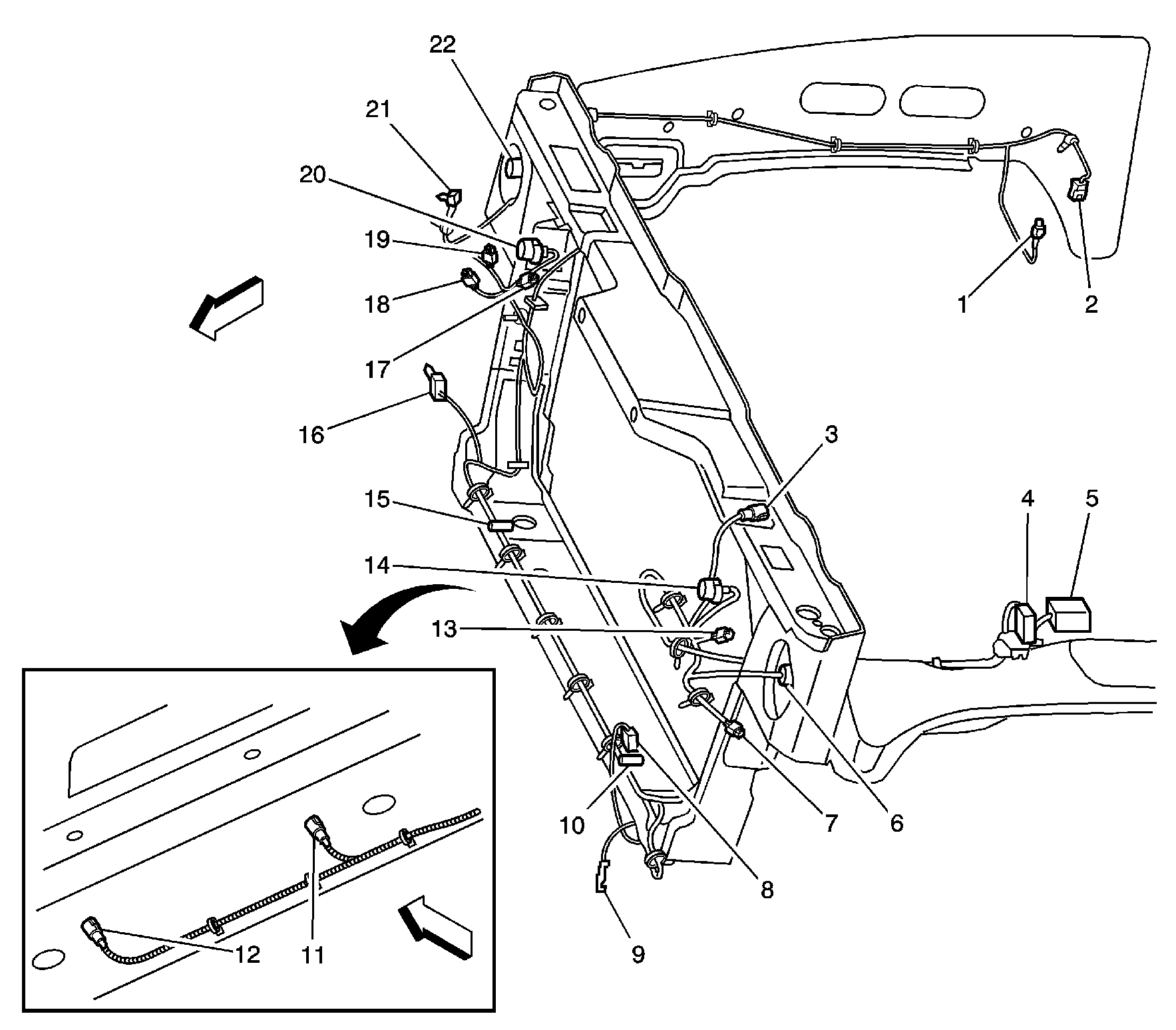
Figure 5:

I/P Harness Routing 2 of 2


Object Number: 1067028  Size: LF
(1)Splice S217
(2)Splice S210
(3)Splice S211
(4)Splice S212
(5)Splice S213
(6)Splice S214
(7)Splice S216
(8)Splice S215
(9)Splice S290
(10)Radio C1 Connector
(11)Radio C2 Connector
(12)Longnitudinal Accelerometer Connector
(13)Inflatable Restraint I/P Module Disable Switch Connector
(14)Vehicle Communication Interface Module (VCIM) Connectors
(15)OnStar ® Button Assembly Connector
(16)Accessory Power Outlet/Cigar Lighter Connectors
(17)C298 I/P to Body Harness
(18)Ride Height Switch Connector
(19)Tow/Haul Switch Connector
(20)Traction Control Switch Connector
(21)Transfer Case Shift Control Switch C2 Connector
(22)Transfer Case Shift Control Switch C1 Connector
(23)Splice Pack SP205
(24)Transfer Case Shift Control Module Connectors
(25)C203 I/P to Steering Column Harness
(26)Splice Pack SP206
(27)C202 I/P to Steering Column Harness
(28)Stop Lamp Switch Connector
(29)C210 I/P to Headliner Harness
(30)Relay Block I/P C1
(31)Park Brake Switch Connector
(32)Footwell Courtesy Lamp - Left
(33)Data Link Connector (DLC)
(34)Fuse Block - I/P C1
Figure 6:

Body Harness Routing


Object Number: 1284183  Size: LF
(1)Speaker Right D Pillar Twiddler Connector
(2)C420
(3)S480
(4)Splce Pack SP410
(5)Door Lock Switch Rear Cargo Connector
(6)Accessory Power Outlet-Rear Connector
(7)Marker Lamp-RR Connector
(8)Clearance Lamp-RR Connector
(9)Speaker-Left D Pillar Twiddler Connector
(10)S411
(11)Marker Lamp-LR Connector
(12)S412
(13)C312 (C69)
(14)S307 (C69)
(15)C320 (ZM6)
(16)G302
(17)C310
(18)Courtesy Lamp Right B Pillar Connector
(19)S390
(20)Fuse Block-I/P C4
(21)C325 (ZM6)
(22)Inflatable Restraint Sensing and Diagnostic Module Connector
(23)Splice Pack SP207
(24)C200
(25)C201
(26)Relay Block-I/P C10
(27)Body Control Module (BCM)-C6
(28)Audio Amplifier Connectors
(29)C355
(30)C298
(31)G304
(32)C375
(33)Liftgate Door Lock Relay
(34)S310
(35)Courtesy Lamp Left B Pillar Connector
(36)C390
(37)G306
(38)C380
Figure 7:

Chassis Harness Routing


Object Number: 893959  Size: LF
(1)Wheel Speed Sensor (WSS)-RF Connector
(2)Brake Fluid Level Switch Connector
(3)C104
(4)C105
(5)C102
(6)Electronically Controlled Air Suspension Relay (ZM6)
(7)Wheel Speed Sensor (WSS)-LF Connector
(8)C101
(9)C106
(10)Fuse Block-Underhood C3
(11)Fuse Block-Underhood C9
(12)Stud 1
(13)G300
(14)S304
(15)Electronic Brake Control Module (EBCM) Connector
(16)Transfer Case Connector
(17)Evaporative Emission (EVAP) Canister Vent Solenoid Connector
(18)G310
(19)G308
(20)Air Suspension Sensor-RR Connector (ZM6)
(21)S391
(22)S392
(23)Wheel Speed Sensor (WSS)-RR Connector
(24)Air Suspension Inflator Switch Connector (ZM6)
(25)G405
(26)Junction Block-Rear C1
(27)Trailer Connector
(28)G402
(29)Rear Differential Lock Actuator Connector
(30)C450 (ZM6)
(31)C451 (ZM6)
Figure 8:

Roof Marker Harness Routing


Object Number: 899062  Size: LF
(1)Cellular Telephone Antenna
(2)GPS Antenna
(3)Clearance Lamp Connector-LF
(4)Roof Lamp Connector-Front Center
(5)Roof Lamp Connector-Front Center
(6)S345
(7)Roof Lamp Connector-Front Center
(8)Clearance Lamp Connector-RF
(9)S303
(10)Radio Antenna
(11)Antenna Preamplifier Connector
(12)Junction Block-I/P C6
Figure 9:

Headliner Harness Routing


Object Number: 895151  Size: LF
(1)Sunroof Module Connector
(2)Sunroof Switch Connector
(3)Courtesy/Reading Lamp-Left Front Connector
(4)Garage Door Opener Connector
(5)Inside Rearview Mirror Connector
(6)Courtesy/Reading Lamp-Right Front Connector
(7)Noise Cancellation Microphone Connector
(8)Vanity Mirror-Right Connector
(9)Courtesy Reading Lamp-Center
(10)Courtesy Reading Lamp-Rear
(11)S300
(12)Ambient Air Temperature Sensor Connector
(13)Cellular Telephone Microphone Connector
(14)S305
(15)S301
(16)S302 (CF5)
(17)Sunroof Relay
(18)Relay Block-I/P C4
(19)Relay Block-I/P C3
(20)C210
Figure 10:

Liftgate Harness Routing


Object Number: 894592  Size: LF
(1)C420
(2)Roof Lamp-Right Rear Connector
(3)C900
(4)Roof Lamp-Center Connector
(5)CHMSL
(6)Roof Lamp-Left Rear Connector
(7)Rear Window Defogger Grid-Left Connector
(8)License Lamp Connector
(9)Liftgate Ajar Switch-Left Connector
(10)Door Lock Actuator-Liftgate Connector
(11)Rear Window Wiper Motor Connector
(12)License Lamp Connector
(13)S902
(14)Liftgate Ajar Switch-Right Connector
(15)S901
(16)Defogger Grid-Right Connector
(17)S900
Figure 11:

C100


Object Number: 860095  Size: MF
(1)C100-Engine Harness Side
(2)C100-IP Harness Side
(3)Fuse Block-Underhood
Figure 12:

C101,C104 and C106


Object Number: 860154  Size: LF
(1)Brake Fluid Level Switch
(2)Fuse Block-Underhood-C9
(3)Fuse Block-Underhood-C3
(4)C101-Chassis Harness Side
(5)C106-Chassis Harness Side
(6)C104-Chassis Harness Side
Figure 13:

C102


Object Number: 819806  Size: LF
(1)Stud 2-Trailer Lead Power Feed
(2)Stud 1
(3)Fuse Block-Underhood
(4)IP Harness
(5)C102
Figure 14:

C103


Object Number: 819856  Size: MF
(1)Fuse Block-Underhood Center Block
(2)C103-I/P Harness Side
(3)C103-Forward Lamp Harness Side
Figure 15:

C105 and C106


Object Number: 828152  Size: MF
(1)Fuse Block-Underhood Bracket
(2)C106-Chassis to Engine
(3)Engine Harness
(4)Chassis Harness
(5)C105-Chassis to I/P
Figure 16:

C115


Object Number: 828670  Size: MF
(1)MAP Sensor
(2)Knock Sensor Pigtail
(3)C115-Knock Sensors Inline
(4)Engine Harness
Figure 17:

C148


Object Number: 828520  Size: LF
(1)Ignition Coil 7
(2)Fuel Injector 7
(3)Fuel Injector 5
(4)Ignition Coil 5
(5)Inline C148
(6)Ignition Coil 3
(7)Fuel Injector 3
(8)Ignition Coil 1
(9)Fuel Injector 1
(10)Engine Harness
Figure 18:

C158


Object Number: 828766  Size: MF
(1)Fuel Injector 2
(2)Ignition Coil 2
(3)Fuel Injector 4
(4)Ignition Coil 4
(5)C158-Ignition Coil Inline
(6)Fuel Injector 6
(7)Ignition Coil 6
(8)Ignition Coil 8
(9)Fuel Injector 8
Figure 19:

C175


Object Number: 828782  Size: MF
(1)Automatic Transmission
(2)C175
Figure 20:

C200, C201 and Splice Pack SP207


Object Number: 825721  Size: LF
(1)C200
(2)Splice Pack SP207
(3)C201
(4)Left Side Cowl Panel
Figure 21:

C202 and C203


Object Number: 828076  Size: LF
(1)Steering Column
(2)C203
(3)C202
Figure 22:

C210


Object Number: 888838  Size: MF
(1)C210 Headliner Harness Side
Figure 23:

C298


Object Number: 820000  Size: LF
(1)RH Cowl Panel
(2)C298-Body Harness Side
(3)C298-I/P Harness Side
Figure 24:

C310-LR Shown-RR Similar


Object Number: 825815  Size: LF
(1)C310-Body Harness Side
(2)C310-LR Door Harness Side
(3)Passthrough Grommet
(4)B Pillar
Figure 25:

C320 and C380


Object Number: 825648  Size: MF
(1)Rear Seat Assembly
(2)C320
(3)C380
(4)Body Harness
Figure 26:

C325-Driver Shown-Passenger Similar


Object Number: 825585  Size: MF
(1)Driver Seat
(2)C325-Driver Seat Harness
Figure 27:

C325,C326,C327,C328,C329 and C330-Driver Seat Inlines


Object Number: 854624  Size: LF
(1)C327
(2)Seat Adjuster Switch-Driver
(3)Memory Seat Module-C4
(4)Memory Seat Module-C3
(5)Seat Bolster/Lumbar Switch-Driver
(6)Seat Recline Motor-Driver
(7)C325
(8)C329
(9)C330
(10)C328
(11)Seat Rear Vertical Motor-Driver
(12)Seat Front Vertical Motor-Driver
(13)Memory Seat Module-C2
(14)Memory Seat Module-C1
(15)Seat Horizontal Motor-Driver
(16)C326
Figure 28:

C333


Object Number: 854618  Size: LF
(1)Seat Bolster Motor-Driver
(2)Seat Lumbar Motor-Driver
(3)Heated Seat Element-Driver Cushion
(4)C333
(5)Seat Belt Switch Connector
(6)Heated Seat Element-Driver Cushion Connector
Figure 29:

C350


Object Number: 819985  Size: LF
(1)Front Floor Console
(2)I/P Harness
(3)C350-I/P Harness Side
(4)Audio Amplifier
(5)C350-Console Harness Side
(6)Accessory Power Outlets-Rear
(7)Rear Seat Audio (RSA)
Figure 30:

C355


Object Number: 825552  Size: LF
(1)C355
(2)Body Harness
(3)Audio Amplifier
(4)Audio Amplifier Connectors
Figure 31:

C375,C376 and C377


Object Number: 854616  Size: LF
(1)Seat Horizontal Motor-Front Passenger
(2)Seat Front Vertical Motor-Front Passenger
(3)Seat Rear Vertical Motor-Front Passenger
(4)C376
(5)C377
(6)C375
(7)Seat Recline Motor-Front Passenger
(8)Seat Bolster/Lumbar Switch-Front Passenger
(9)Seat Adjuster Switch-Front Passenger
Figure 32:

C378


Object Number: 854613  Size: LF
(1)Seat Bolster Motor-Passenger
(2)Seat Lumbar Motor-Passenger
(3)Heated Seat Element-Passenger Cushion Connector
(4)C378
Figure 33:

C390


Object Number: 1395254  Size: MF
(1)RH B Pillar
(2)C390
(3)G306
(4)Liftgate Relay
(5)Courtesy Lamp - RH B Pillar
(6)Body Harness
Figure 34:

C420


Object Number: 825875  Size: MF
(1)C420-Liftgate Harness Side
(2)C420-Body Harness Side
(3)Liftgate
(4)Liftgate Harness
Figure 35:

C450 and C451


Object Number: 828287  Size: MF
(1)C451
(2)C450
(3)Air Suspension Compressor
Figure 36:

C900


Object Number: 873110  Size: MF
(1)Liftgate Jumper Harness
(2)C900
(3)Liftgate
Figure 37:

Splice S100


Object Number: 826121  Size: MF
(1)Forward Lamp Harness
(2)Radiator Support
(3)S100
(4)Horn Connector
Figure 38:

Splice S101


Object Number: 826123  Size: MF
(1)Ambient Temperature Sensor-Mirror
(2)Radiator Support
(3)S101
Figure 39:

Splice S102


Object Number: 828670  Size: MF
(1)MAP Sensor
(2)Knock Sensor Pigtail
(3)C115-Knock Sensors Inline
(4)Engine Harness
Figure 40:

Splices S301, S302 and S305


Object Number: 826415  Size: MF
(1)S302
(2)S305
(3)S301
(4)Headliner Harness
(5)Sunroof Relay
Figure 41:

S304


Object Number: 828177  Size: MF
(1)S304
(2)G300
(3)Chassis Harness
(4)Electronically Controlled Air Suspension Relay
Figure 42:

Splice S303 and S345


Object Number: 827173  Size: LF
(1)Clearance Lamp-LF
(2)Roof Marker Lamp Harness
(3)Clearance Lamp Connector-LF
(4)Cell Phone/GPS Antenna
(5)Roof Lamp-Center Front
(6)Roof Lamp-Center Front
(7)Splice S345
(8)Roof Lamp-Center Front
(9)Splice S303
Figure 43:

Splices S350 and S351


Object Number: 828410  Size: MF
(1)Console Harness
(2)Floor Shifter
(3)S350
(4)S351
Figure 44:

S391 and S392


Object Number: 828270  Size: MF
(1)Fuel Tank Pressure (FTP) Sensor Connector
(2)Air Suspension Sensor Connector-RR
(3)G308
(4)S391
(5)S392
Figure 45:

Splices S900, S901 and S902


Object Number: 827705  Size: LF
(1)Center High Mounted Stop Lamp (CHMSL) Connector
(2)Rear Window Defogger Grid Connector
(3)Rear Window Defogger Grid Connector
(4)Splice S900
(5)Rear Window Wiper Module - w/Motor
(6)Door Lock Actuator - Liftgate
(7)Liftgate Ajar Switch - Left
(8)Liftgate Ajar Switch - Right
(9)Splice S902
(10)Splice S901