GM Service Manual Online
For 1990-2009 cars only

Removal Procedure


    Object Number: 647997  Size: SH
  1. Raise and support the vehicle. Refer to Lifting and Jacking the Vehicle .
  2. Remove the catalytic converter guard. Refer to Catalytic Converter Guard Replacement .
  3. Support the transmission with a transmission jack.
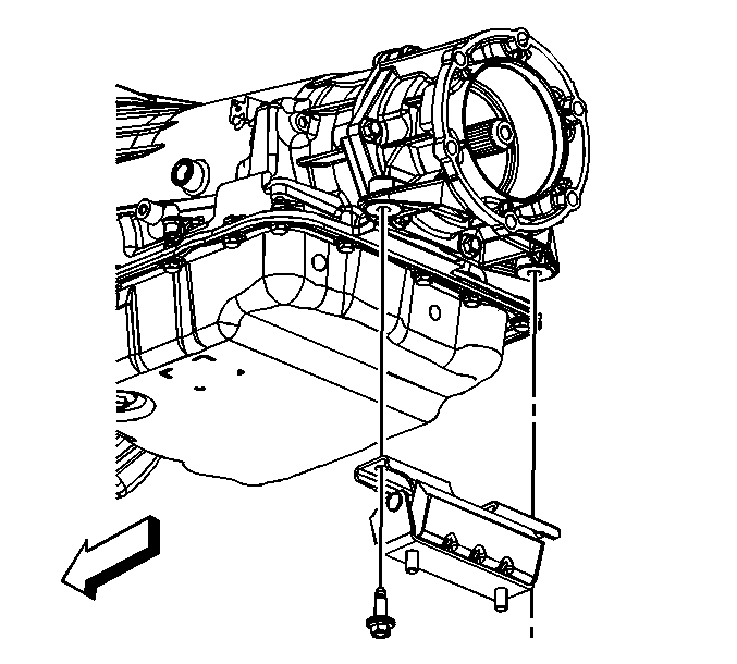
  4. Remove the two nuts securing the transmission mount to the transmission support.

  5. Object Number: 793590  Size: SH
  6. Raise the transmission off of the transmission support.
  7. Remove the bolts.

Installation Procedure


    Object Number: 793590  Size: SH
  1. Install the transmission mount to the vehicle.
  2. Notice: Refer to Fastener Notice in the Preface section.

  3. Install the bolts.
  4. Tighten
    Tighten the bolts to 60 N·m (44 lb ft).


    Object Number: 647997  Size: SH
  5. Lower the transmission and install the two nuts securing the transmission mount to the transmission support.
  6. Tighten
    Tighten the nuts to 40 N·m (30 lb ft).

  7. Remove the transmission jack.
  8. Install the catalytic converter guard. Refer to Catalytic Converter Guard Replacement .
  9. Lower the vehicle.