GM Service Manual Online
For 1990-2009 cars only
Figure 1:

Instrument Panel


Object Number: 1482230  Size: LF
(1)Speaker - Left Front Tweeter
(2)Instrument Cluster
(3)Turn Signal/Multifunction Switch
(4)Traction Control Switch
(5)Radio
(6)HVAC Control Module
(7)Speaker - Right Front Tweeter
(8)Inflatable Restraint I/P Module
(9)Inflatable Restraint I/P Module Disable Switch
(10)Digital Radio Receiver
(11)Ride Height Switch (ZM6)
(12)Tow/Haul Switch
(13)Headlamp and Panel Dimmer Switch
(14)Midgate Window Switch (SUT) or Rear Wiper/Washer Switch (Except SUT)
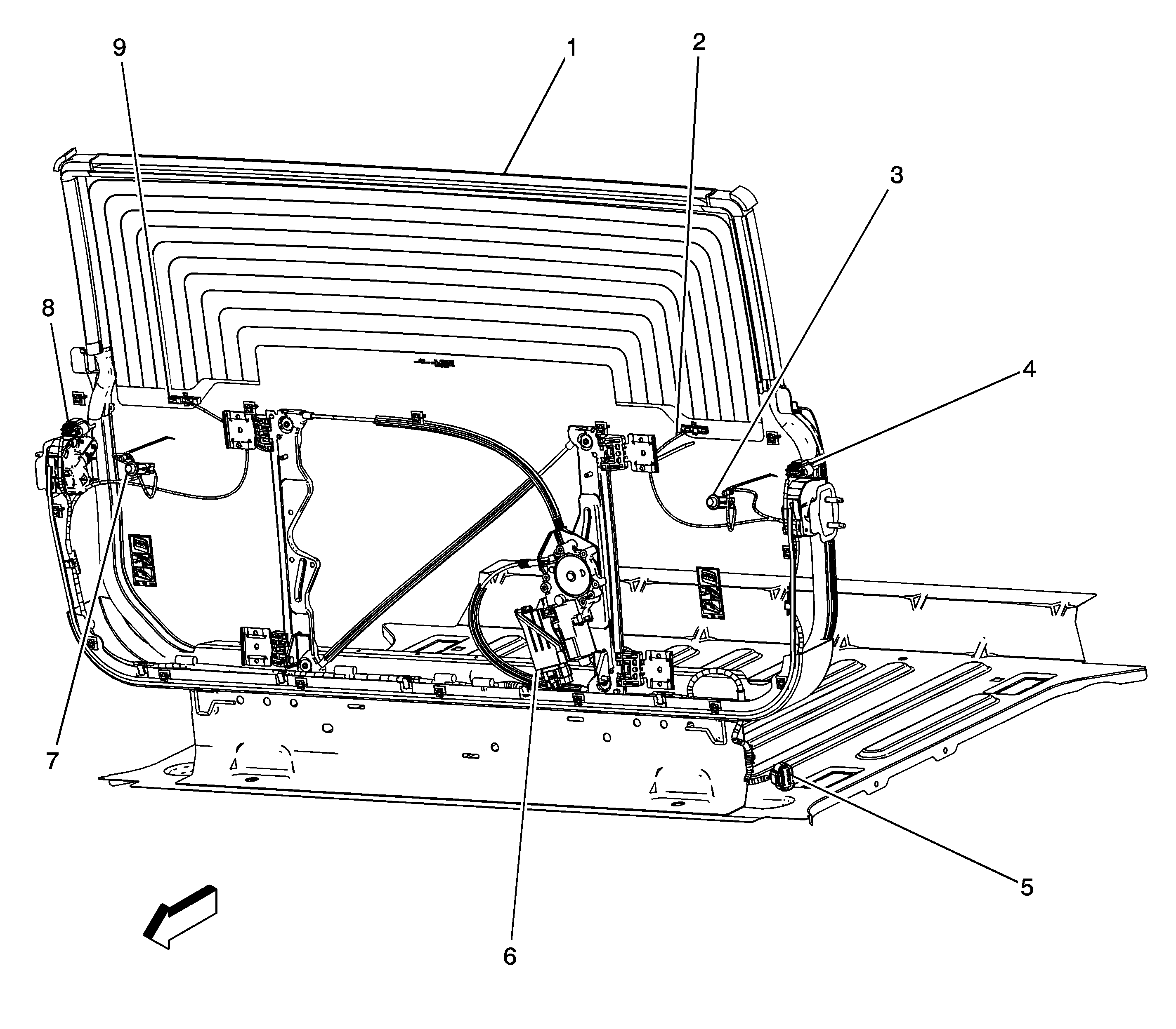
Figure 2:

Midgate (SUT)


Object Number: 1409104  Size: LF
(1)Midgate Window
(2)Defogger Grid Connector - Left
(3)Midgate Latch Release Switch - Left
(4)Midgate Latch - Left
(5)C300
(6)Midgate Control Module
(7)Midgate Latch Release Switch - Right
(8)Midgate Latch - Right
(9)Defogger Grid Connector - Right