GM Service Manual Online
For 1990-2009 cars only
Makes
🢒
HUMMER
🢒
2005
🢒
H2
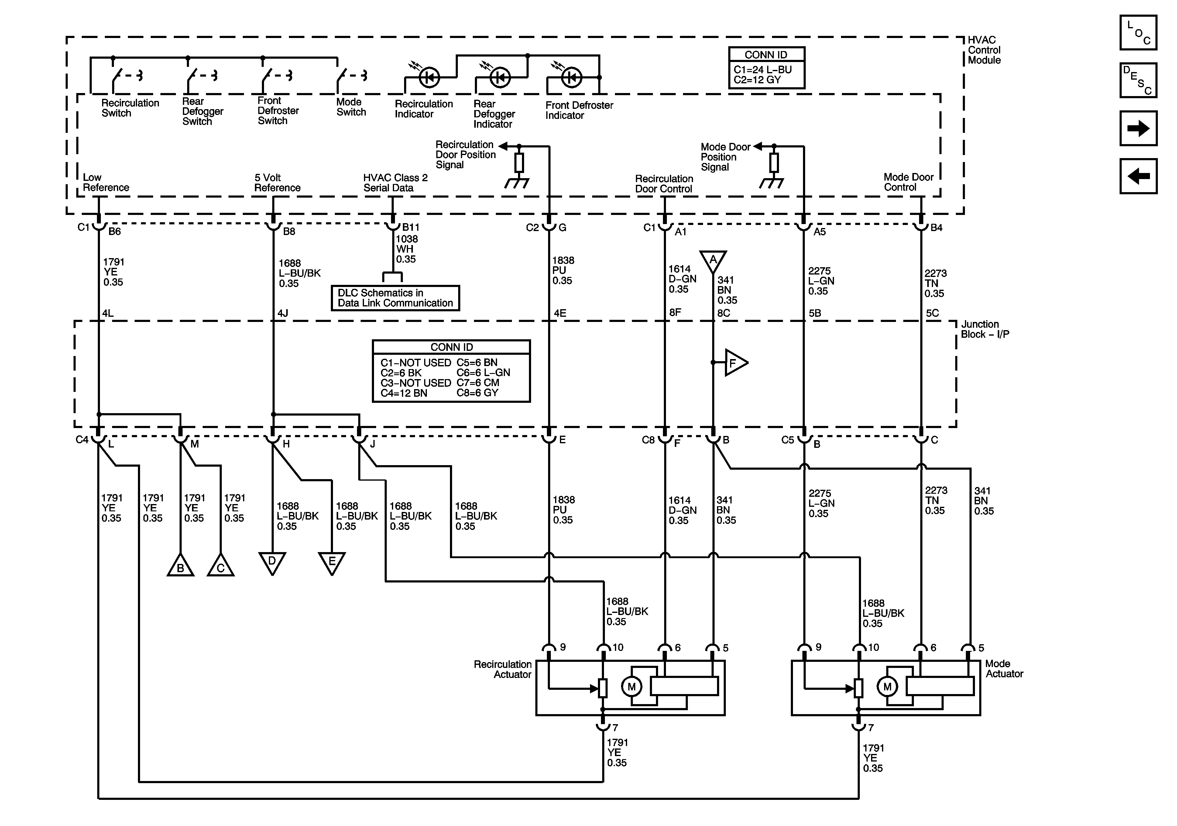
🢒 Mode and Recirc Controls, Front Defrost and Rear Defog Controls
Mode and Recirc Controls, Front Defrost and Rear Defog Controls
Mode and Recirculation Controls, Front Defrost and Rear Defog Controls
Master Electrical Component List
Air Delivery Description and Operation
Temperature Controls and Sunload Sensors
Power, Grounding, DLC, and Blower Control
Power, Ground, DLC, and Splice Pack SP205
Power, Grounding, DLC, and Blower Control
Temperature Controls and Sunload Sensors
Temperature Controls and Sunload Sensors