GM Service Manual Online
For 1990-2009 cars only
Makes
🢒
HUMMER
🢒
2005
🢒
H2
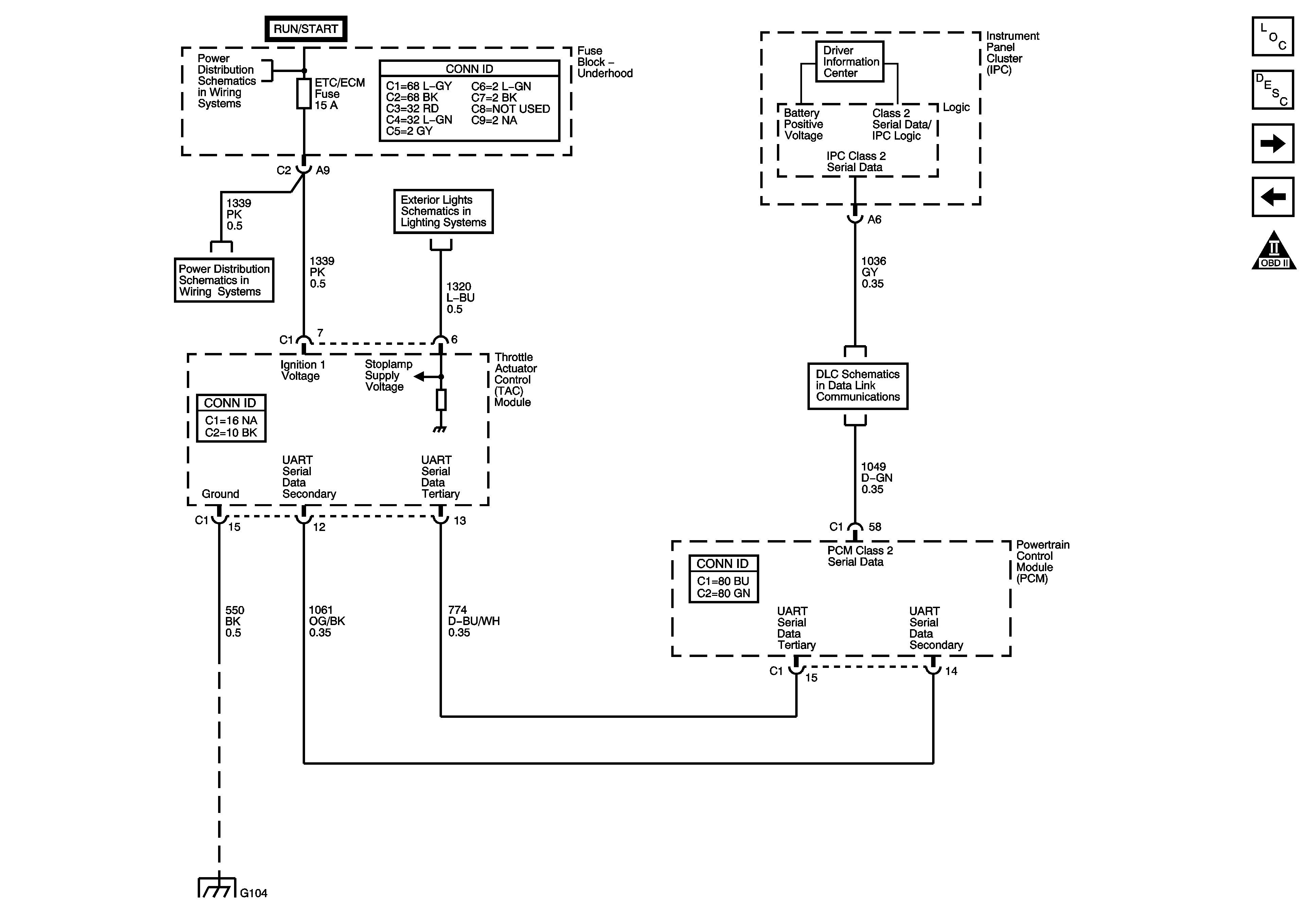
🢒 TAC Power, Grounding, Data Circuits, and Indicator Control
TAC Power, Grounding, Data Circuits, and Indicator Control
TAC Power, Grounding, Data Circuits, and Indicator Control
Master Electrical Component List
Throttle Actuator Control (TAC) System Description
Accelerator Pedal Position Sensor and Throttle Control Circuits
HO2S Circuits
OBD II Symbol Description Notice
ETC/ECM, PCM I, INJ 1, and INJ 2 Fuses
ETC/ECM, PCM I, INJ 1, and INJ 2 Fuses
Stop Lamps
Power, Ground, DLC, and Splice Pack SP205
G104 and G106