GM Service Manual Online
For 1990-2009 cars only

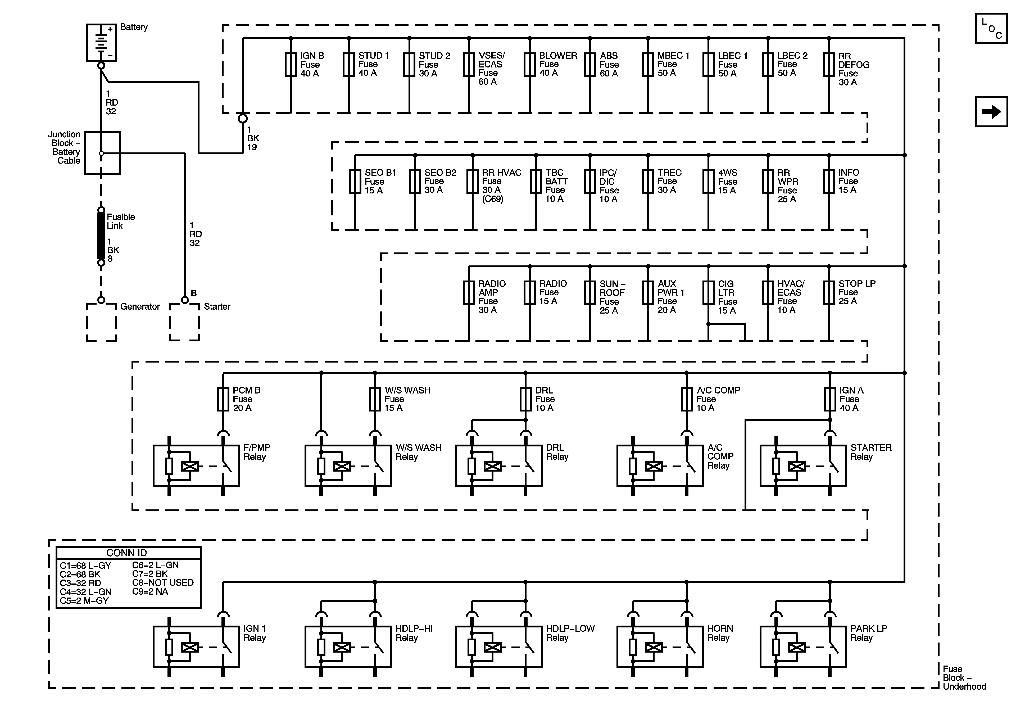
B+Bus

B+ Bus


Object Number: 1195796  Size: FS
Master Electrical Component List
ACCY/RUN/START, RUN, and START Bus Bars, and CRANK Fuse