GM Service Manual Online
For 1990-2009 cars only
Makes
🢒
HUMMER
🢒
2005
🢒
H2
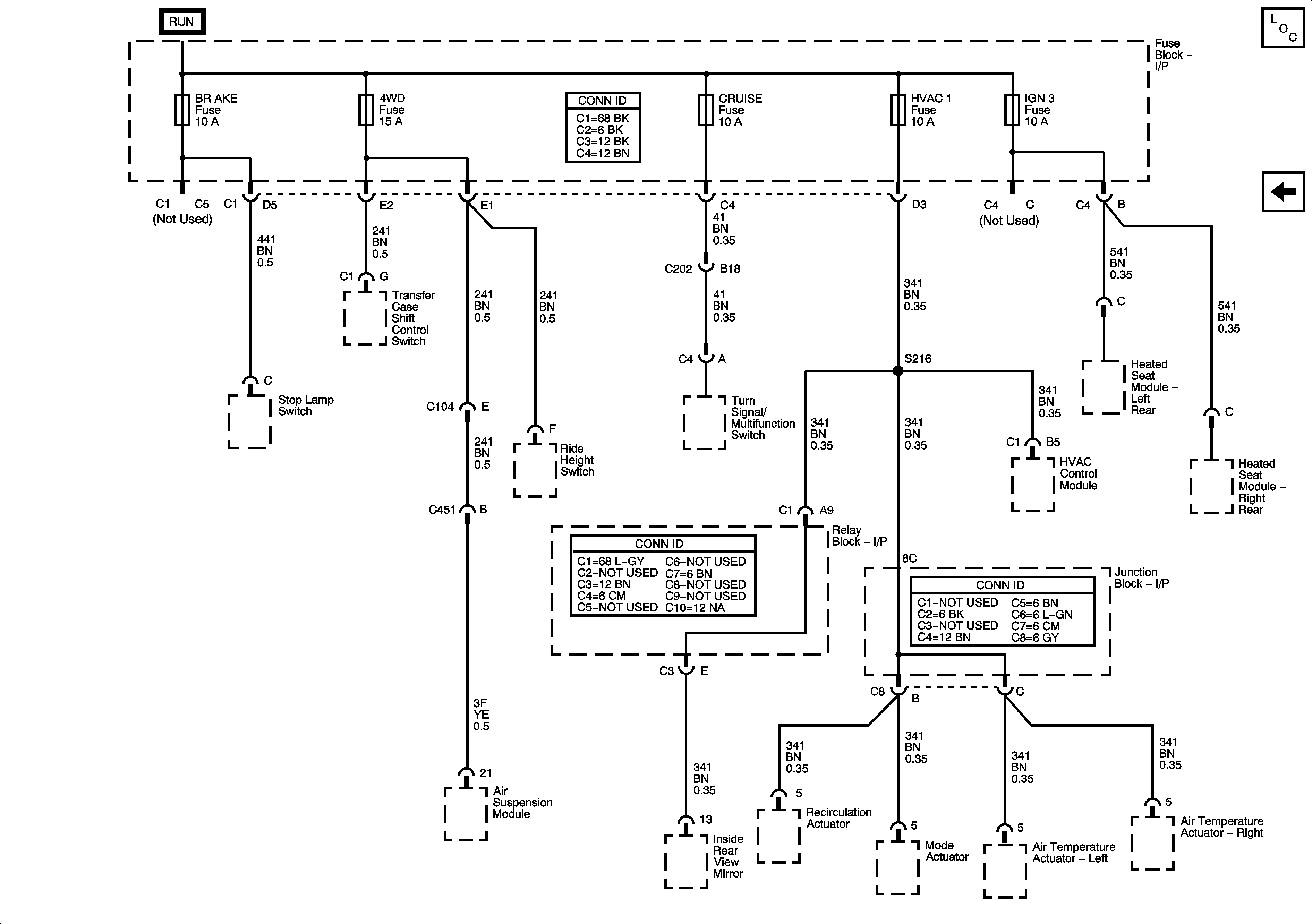
🢒 BRAKE, 4WD, CRUISE, HVAC 1, and IGN 3 Fuses
BRAKE, 4WD, CRUISE, HVAC 1, and IGN 3 Fuses
BRAKE, 4WD, CRUISE, HVAC 1, and IGN 3 Fuses
Master Electrical Component List
WS WPR, SEO ACCY, RR WPR, TBC ACCY, TBC IGN 0, and IGN 0 Fuses