GM Service Manual Online
For 1990-2009 cars only
Makes
🢒
HUMMER
🢒
2005
🢒
H2
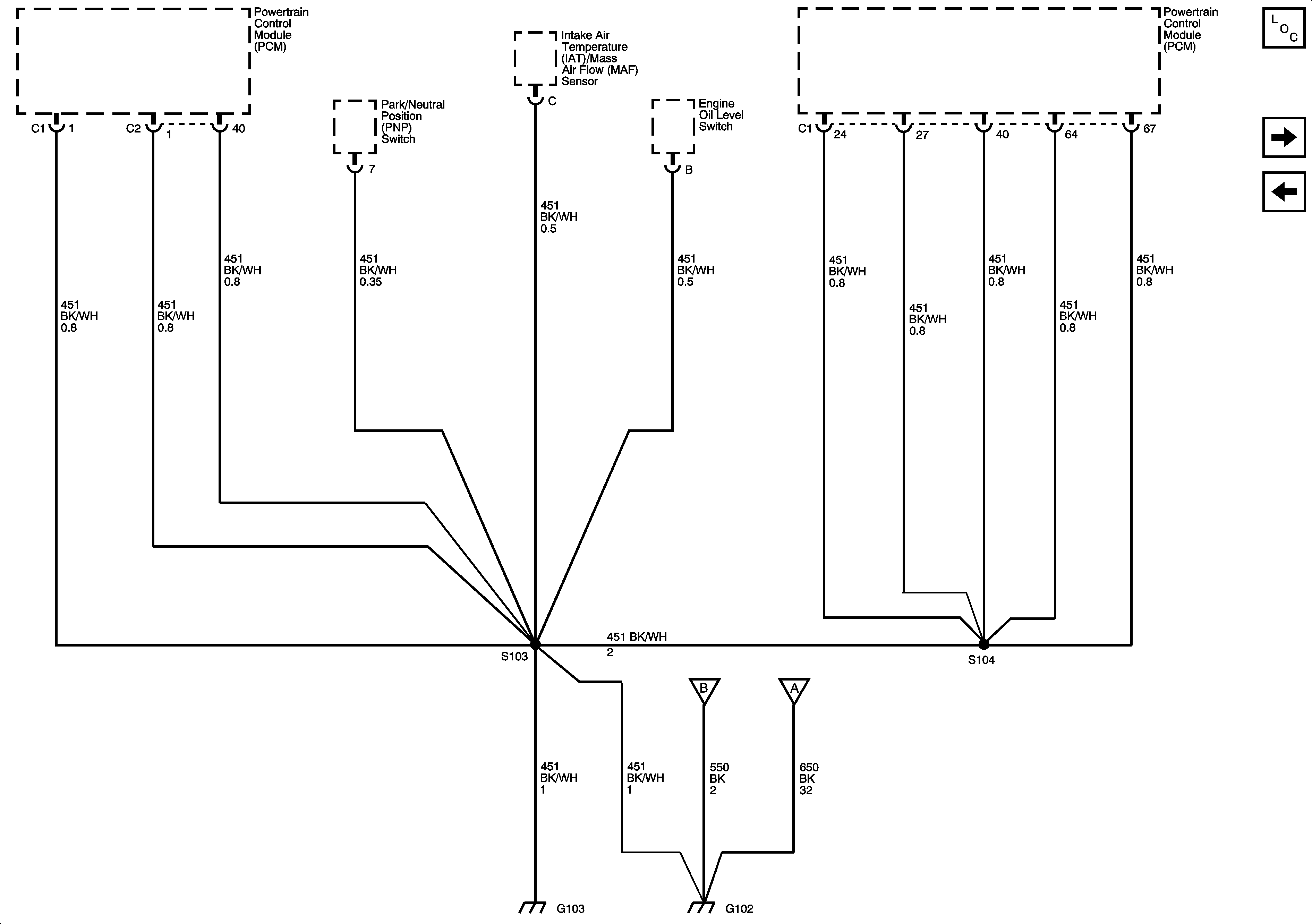
🢒 G102 and G103
G102 and G103
G102 and G103
Master Electrical Component List
G104 and G106
G100
G104 and G106
G100