GM Service Manual Online
For 1990-2009 cars only
Makes
🢒
HUMMER
🢒
2005
🢒
H2
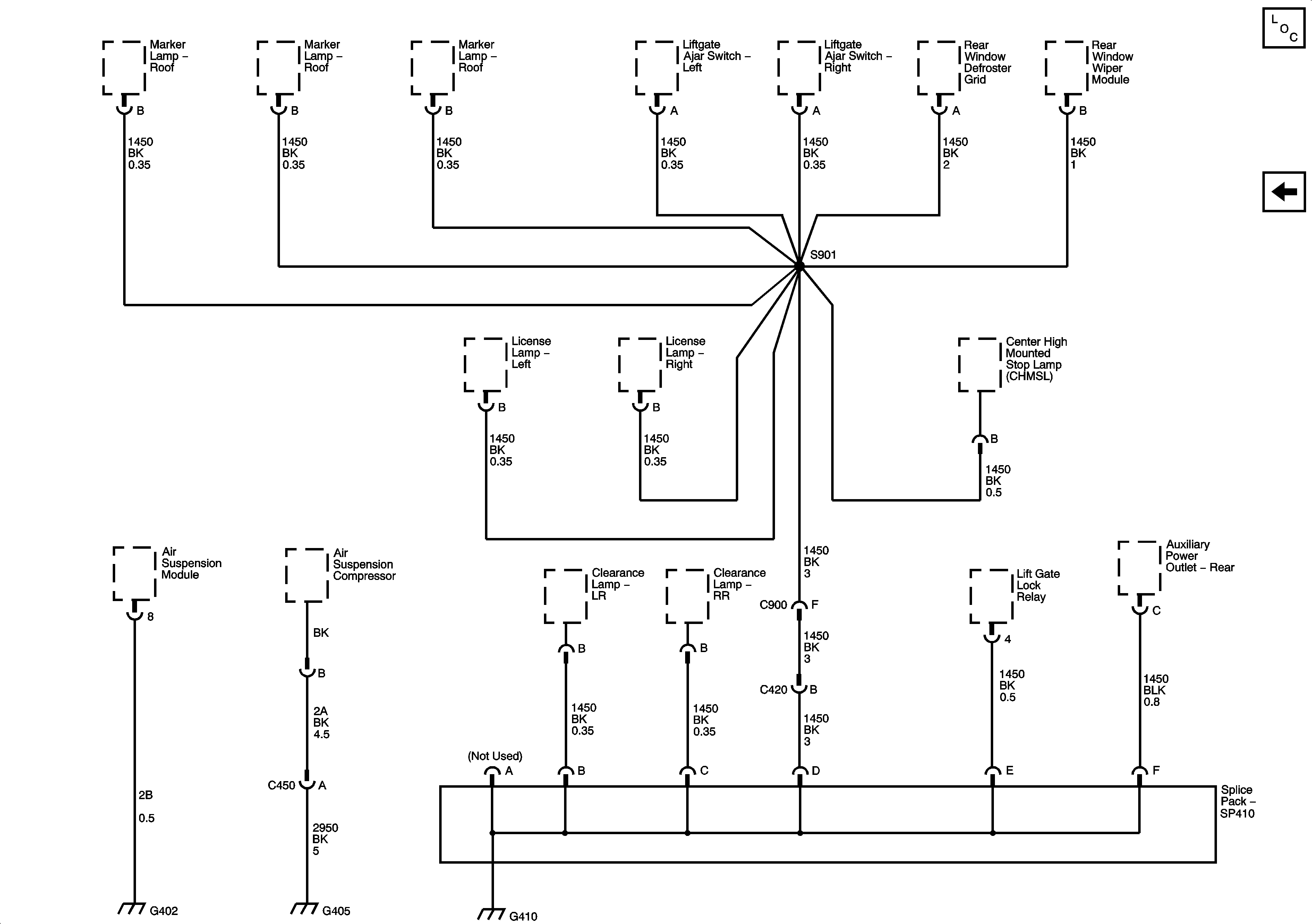
🢒 G402, G405,and G410
G402, G405,and G410
G402, G405, and G410
Master Electrical Component List
G308, G310, G401, and G300