GM Service Manual Online
For 1990-2009 cars only
Makes
🢒
HUMMER
🢒
2005
🢒
H2
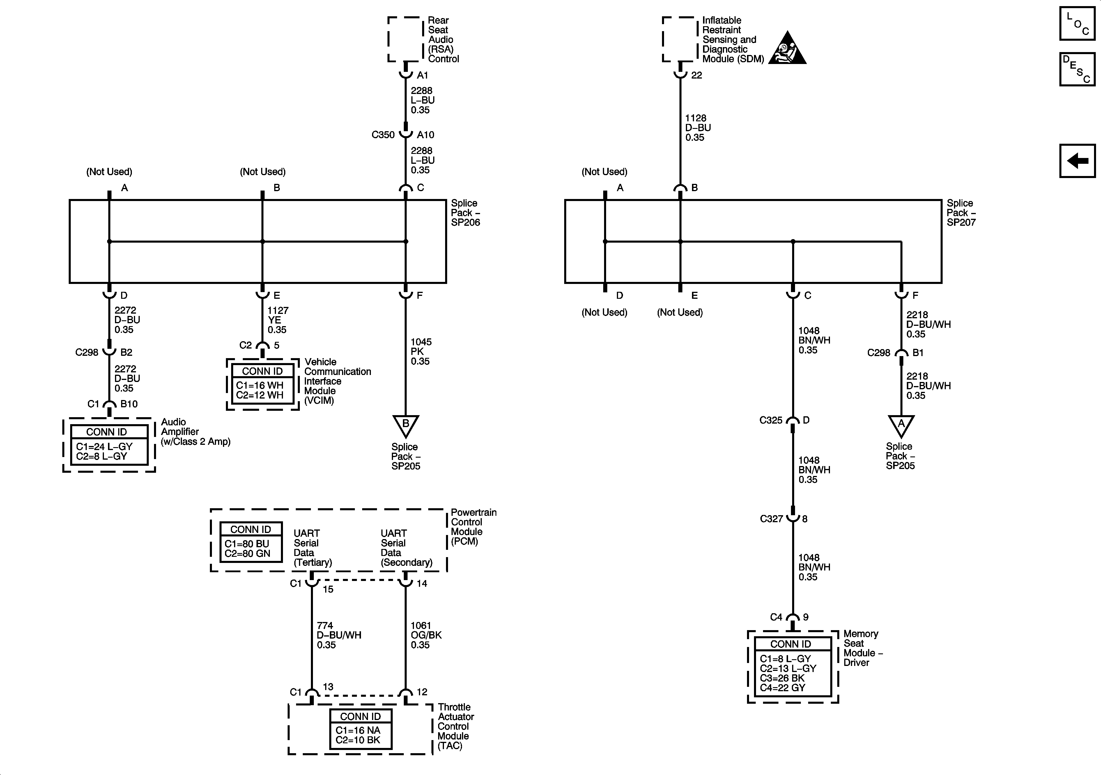
🢒 Splice Packs SP 206 and SP 207, and Dedicated TAC Serial Data Circuits
Splice Packs SP 206 and SP 207, and Dedicated TAC Serial Data Circuits
Splice Packs SP206 and SP207, and Dedicated TAC Serial Data Circuits
Master Electrical Component List
Data Link Communications Description and Operation
Power, Ground, DLC, and Splice Pack SP205
SIR Caution for Zoning
Power, Ground, DLC, and Splice Pack SP205
Power, Ground, DLC, and Splice Pack SP205