GM Service Manual Online
For 1990-2009 cars only
Makes
🢒
HUMMER
🢒
2005
🢒
H2
🢒 Vehicle Theft Deterrent
Vehicle Theft Deterrent
Vehicle Theft Deterrent
Master Electrical Component List
Vehicle Theft Deterrent (VTD) Description and Operation
Content Theft Deterrent
Power, Ground, DLC, and Splice Pack SP205
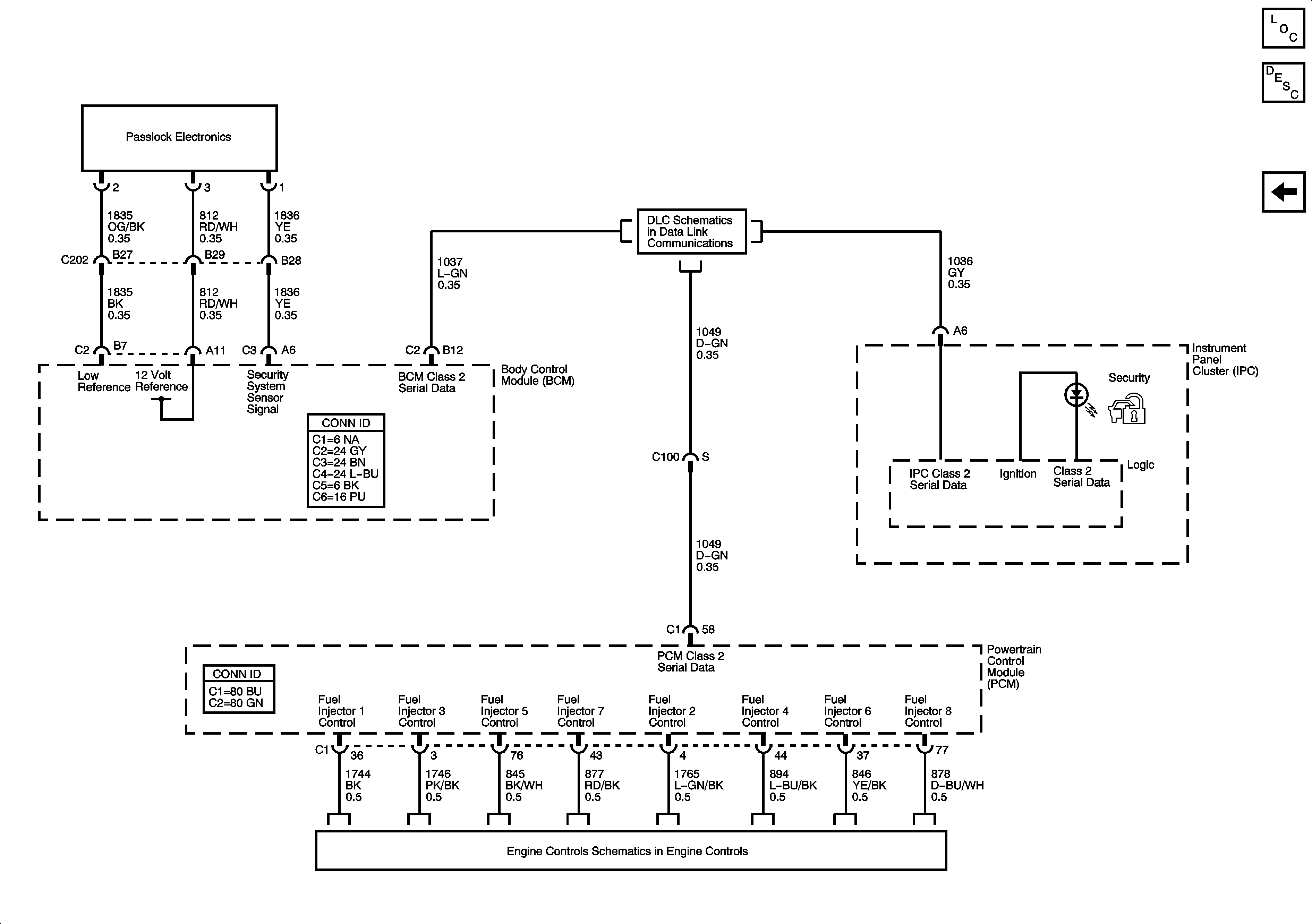
Fuel Injector Controls