GM Service Manual Online
For 1990-2009 cars only
Makes
🢒
HUMMER
🢒
2005
🢒
H2
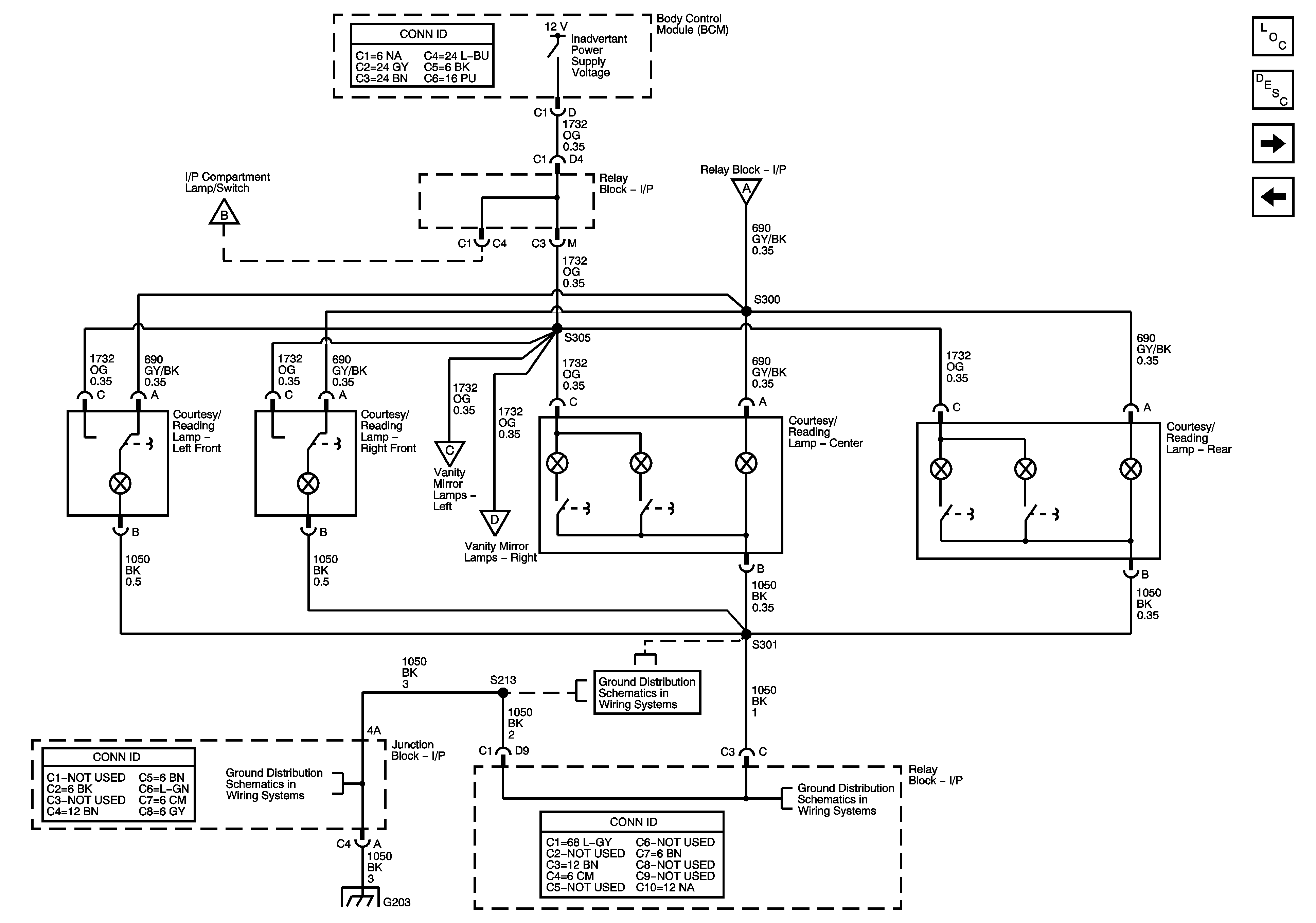
🢒 Courtesy Lamps - Headliner Front, Center, and Rear
Courtesy Lamps - Headliner Front, Center, and Rear
Courtesy Lamps --Headliner Front, Center, and Rear
Master Electrical Component List
Interior Lighting Systems Description and Operation
Courtesy Lamps - Front Doors, Vanity Mirror, and I/P Compartment
Courtesy Lamps - Footwells, Rear Doors, and B-Pillars
Courtesy Lamps - Front Doors, Vanity Mirror, and I/P Compartment
Courtesy Lamps - Front Doors, Vanity Mirror, and I/P Compartment
Courtesy Lamps - Footwells, Rear Doors, and B-Pillars
CKT 1050: S301 and S213
CKT 1050: S301 and S213
CKT 1050: G203, S302, S303, S351, and S215
CKT 1050: G203, S302, S303, S351, and S215