GM Service Manual Online
For 1990-2009 cars only

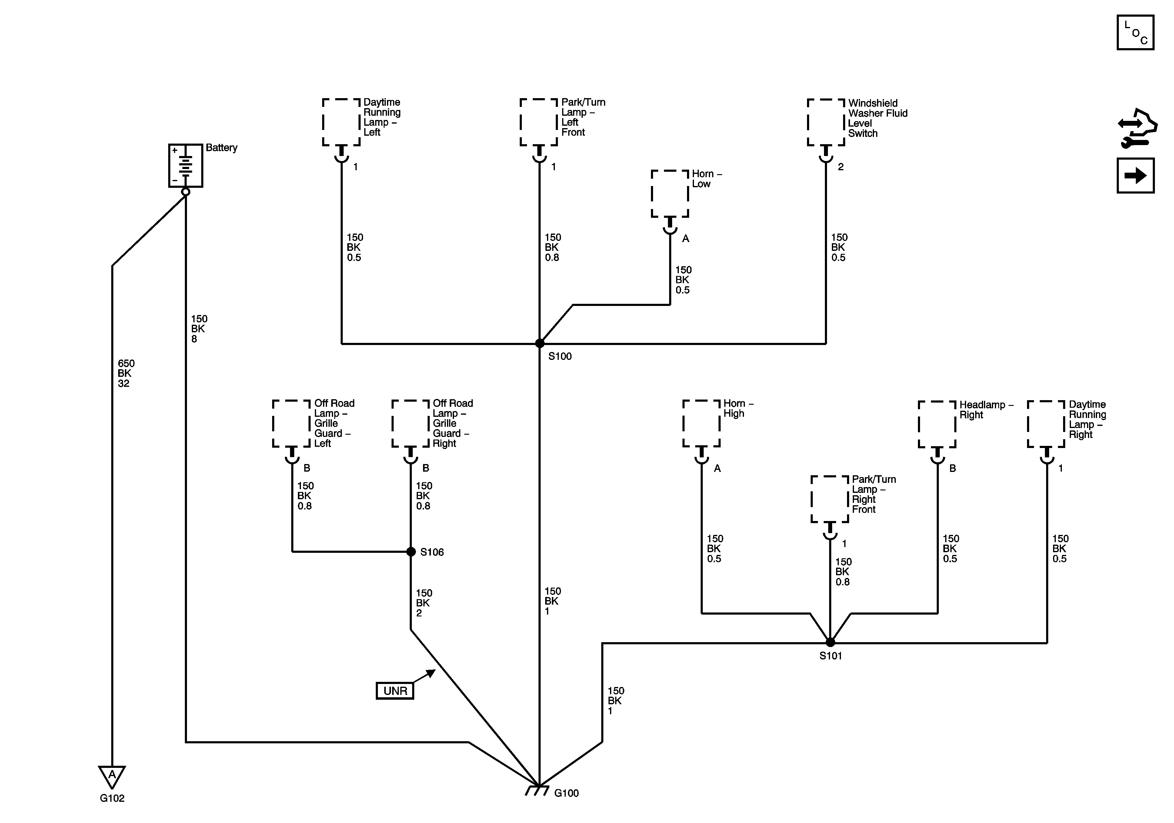
G100

G100


Object Number: 1462329  Size: FS
Master Electrical Component List
G102 and G103
G102 and G103