GM Service Manual Online
For 1990-2009 cars only
Makes
🢒
HUMMER
🢒
2005
🢒
H2
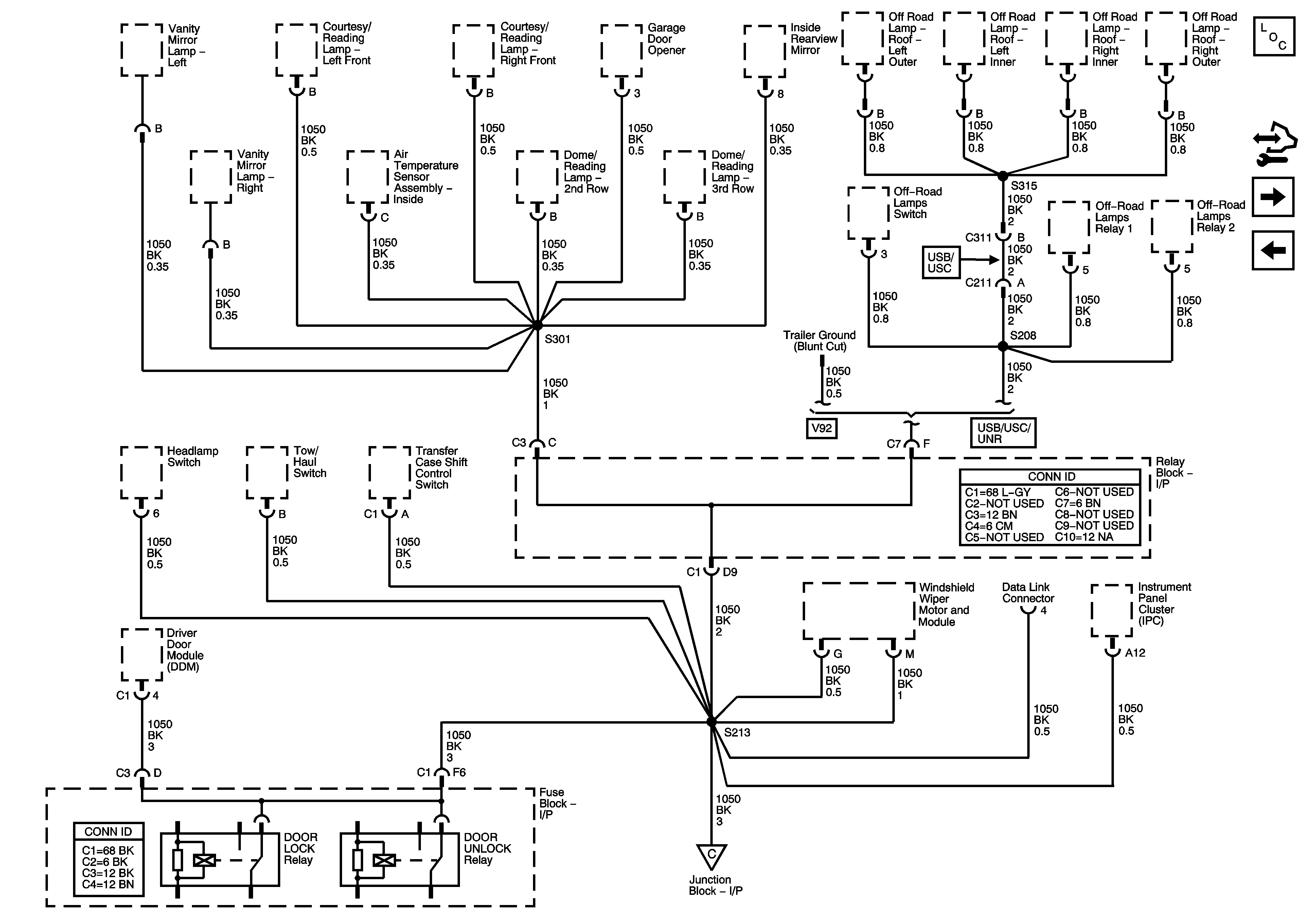
🢒 G203 - 2 of 2
G203 - 2 of 2
G203 - 2 of 2
Master Electrical Component List
G302, G304 and G306
G203 - 1 of 2
G203 - 1 of 2