GM Service Manual Online
For 1990-2009 cars only
Makes
🢒
HUMMER
🢒
2006
🢒
H2
🢒
Vehicle Control Systems
🢒
Vehicle DTC Information
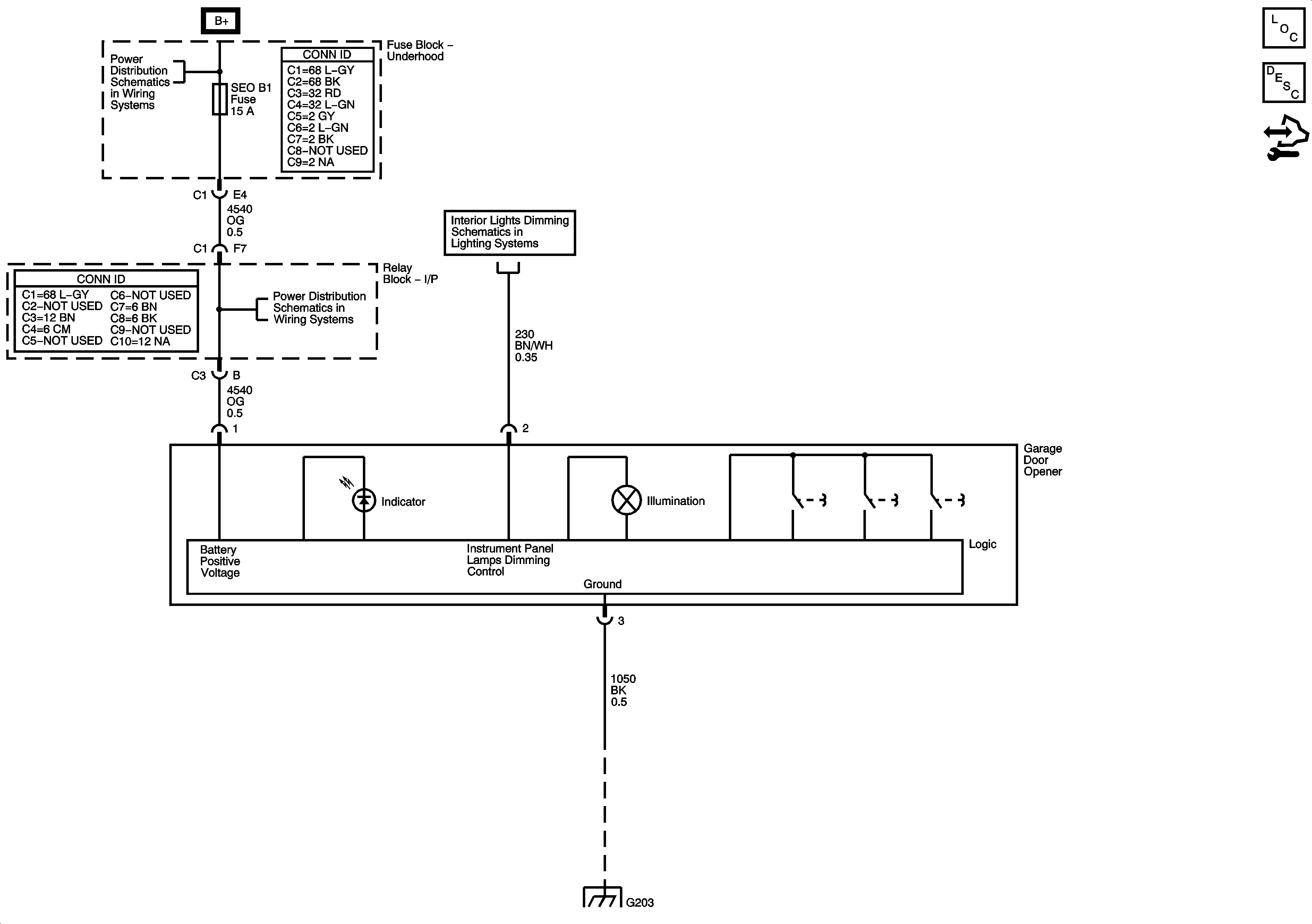
🢒 Garage Door Opener Schematics
Master Electrical Component List
Garage Door Opener Description and Operation
Control Module References
B+ Bus
B+ Bus
HVAC/ECAS, IPC/DIC, PCM B, SEO B1, SEO B2, TBC BATT, and TREC Fuses
Instrument Panel Dimming - 2 of 5
G203 - 1 of 3