GM Service Manual Online
For 1990-2009 cars only
Makes
🢒
HUMMER
🢒
2006
🢒
H2
🢒
Vehicle Control Systems
🢒
Vehicle DTC Information
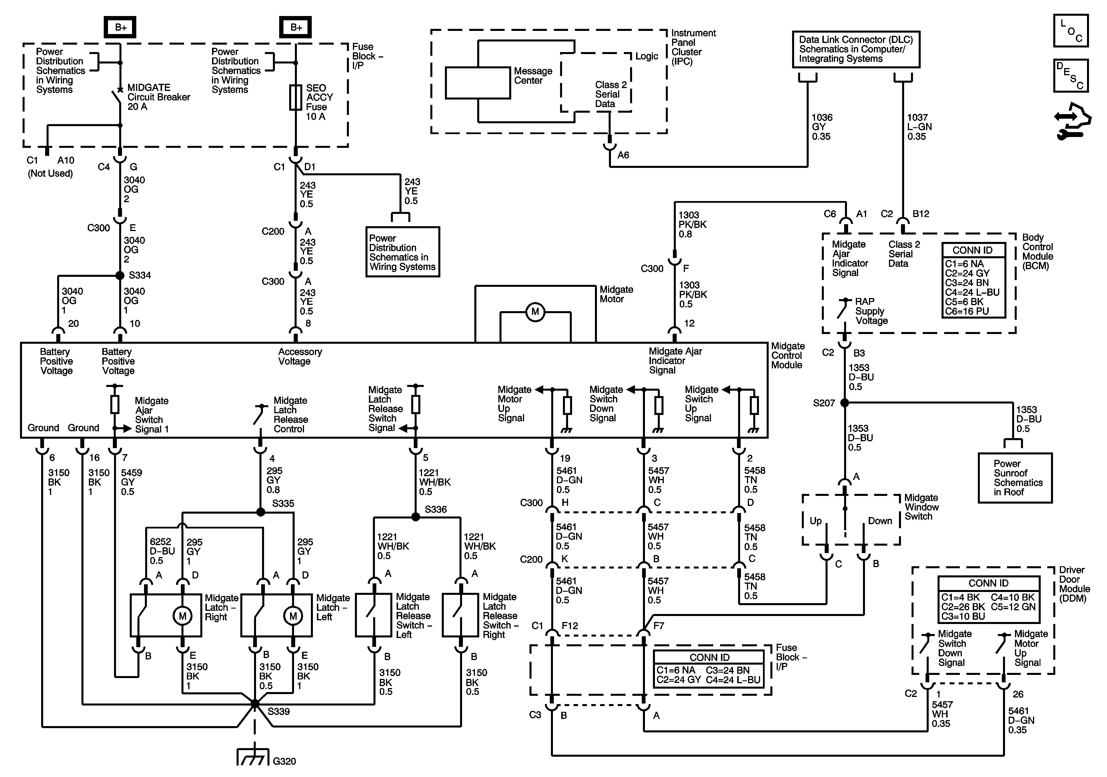
🢒 Body Rear End Schematics
Master Electrical Component List
Midgate Description and Operation
Control Module References
B+ Bus
DDM, INFO, LBEC 1, LBEC 2, LGATE, LOCKS, PDM, TBC 2A, TBC 2B, and TBC 2C Fuses and LEFT DOOR and MIDGATE Circuit Breakers
B+ Bus
IGN 0, RR WPR, SEO ACCY, TBC ACCY, TBC IGN 0, and WS WPR Fuses
Power, Ground, Data Link Connector, and SP205
IGN 0, RR WPR, SEO ACCY, TBC ACCY, TBC IGN 0, and WS WPR Fuses
G320 (SUT)
Sunroof Schematics