GM Service Manual Online
For 1990-2009 cars only
Makes
🢒
HUMMER
🢒
2006
🢒
H2
🢒
Suspension
🢒
Air Suspension
🢒 Suspension Controls Schematics
Figure
1:
Power, Ground, Serial Data, and Ride Height Switch
Master Electrical Component List
Air Suspension Description and Operation
Control Module References
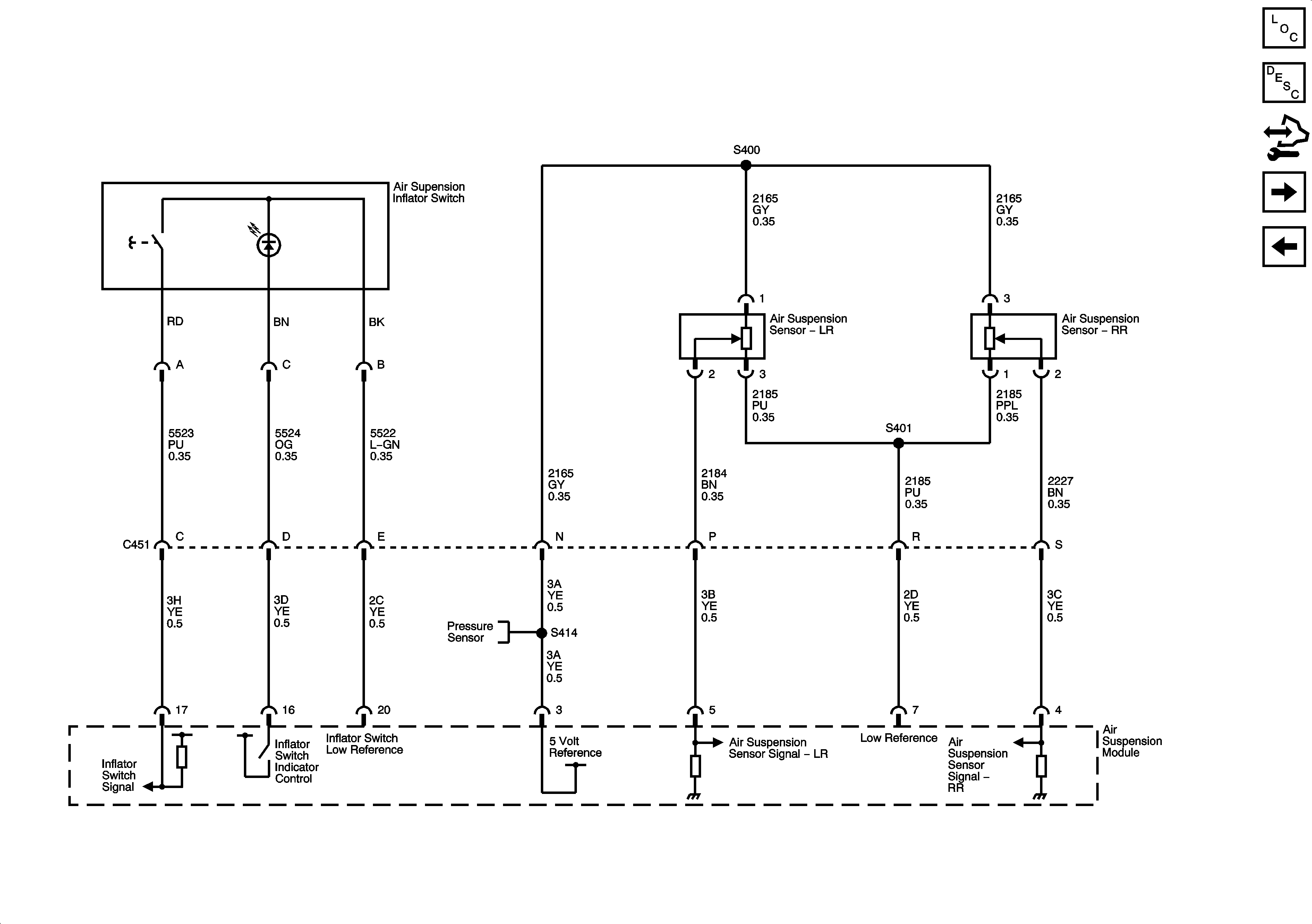
Inflator Switch and Position Sensors
Starting
B+ Bus
ABS, BLOWER, MBEC, STUD 1, STUD 2, and VSES/ECAS Fuses and RT DOORS and SEATS Circuit Breakers
HVAC/ECAS, IPC/DIC, PCM B, SEO B1, SEO B2, TBC BATT, and TREC Fuses
B+ Bus
4WD, BRAKE, CRUISE, HVAC 1, and IGN 3 Fuses
4WD, BRAKE, CRUISE, HVAC 1, and IGN 3 Fuses
Ignition Switch - ACCY/RUN/START, RUN and START Bus Bars, and CRANK and IGN A Fuses
Instrument Panel Dimming - 3 of 5
Instrument Panel Dimming - 3 of 5
HVAC/ECAS, IPC/DIC, PCM B, SEO B1, SEO B2, TBC BATT, and TREC Fuses
Solenoid Valves and Pressure Sensors
G402, G405, and G410
G402, G405, and G410
Power, Ground, Data Link Connector, and SP205
G203 - 1 of 3
Figure
2:
Inflator Switch and Position Sensors
Figure
3:
Solenoid Valves and Pressure Sensors