GM Service Manual Online
For 1990-2009 cars only
Figure 1:

Interior Light Controls, BCM, and Door Ajar Switches


Object Number: 1566960  Size: FS
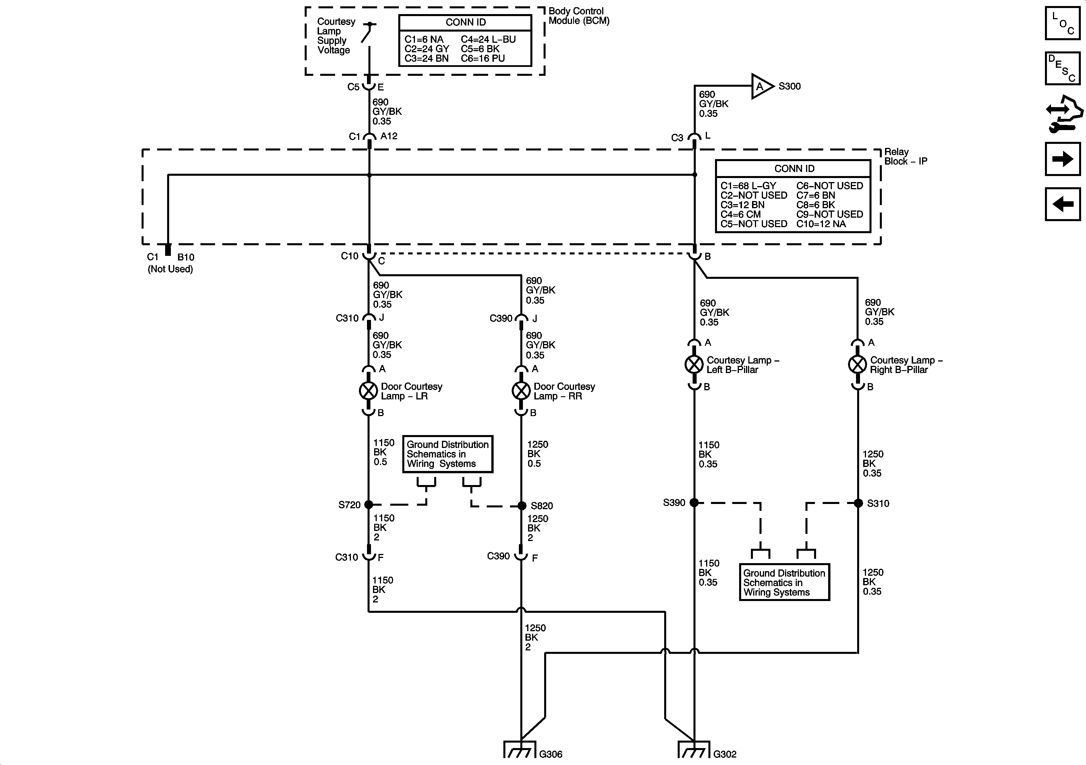
Figure 2:

Courtesy Lamps - Rear Doors and B-Pillars


Object Number: 1566962  Size: FS
Master Electrical Component List
Interior Lighting Systems Description and Operation
Control Module References
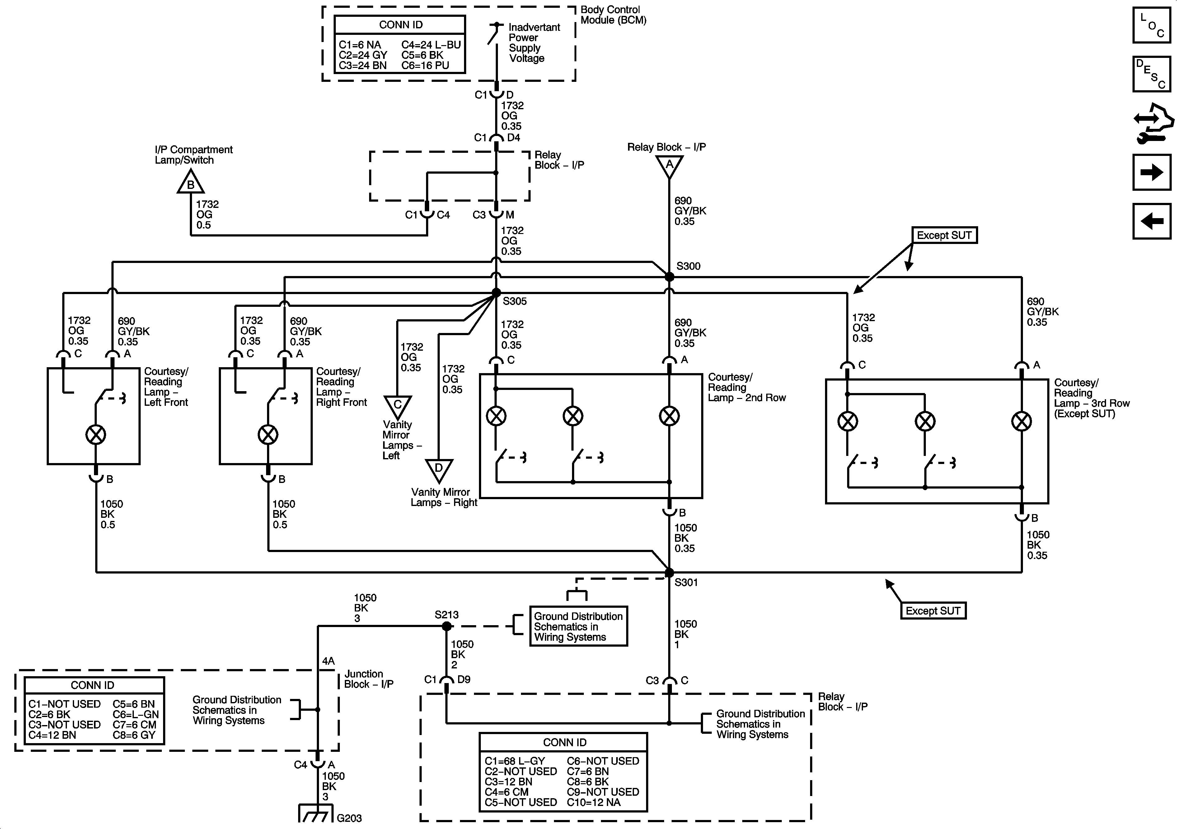
Courtesy Lamps - Headliner
Interior Light Controls, BCM, and Door Ajar Switches
Courtesy Lamps - Headliner
G302, G304, and G306
G302, G304, and G306
G302, G304, and G306
G302, G304, and G306
Figure 3:

Courtesy Lamps - Headliner


Object Number: 1566963  Size: FS
Master Electrical Component List
Interior Lighting Systems Description and Operation
Control Module References
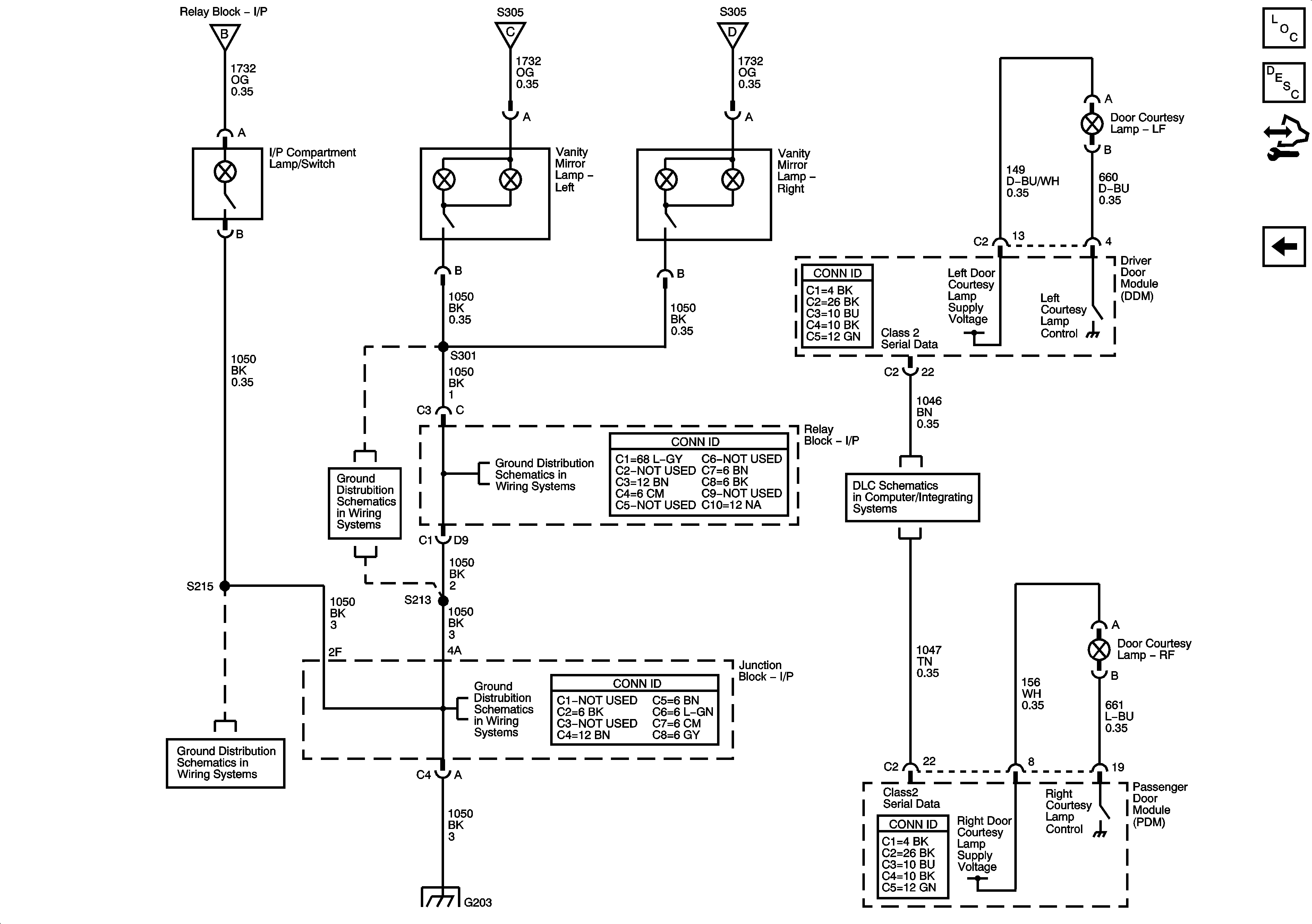
Courtesy Lamps - Front Doors, Vanity Mirrors, and I/P Compartment Lamp
Courtesy Lamps - Rear Doors and B-Pillars
Courtesy Lamps - Front Doors, Vanity Mirrors, and I/P Compartment Lamp
Courtesy Lamps - Front Doors, Vanity Mirrors, and I/P Compartment Lamp
G203 - 2 of 3
G203 - 1 of 3
G203 - 1 of 3
G203 - 2 of 3
Figure 4:

Courtesy Lamps - Front Doors, Vanity Mirrors, and I/P Compartment Lamp


Object Number: 1566964  Size: FS
Master Electrical Component List
Interior Lighting Systems Description and Operation
Control Module References
Courtesy Lamps - Headliner
Courtesy Lamps - Headliner
Courtesy Lamps - Headliner
Courtesy Lamps - Headliner
G203 - 1 of 3
G203 - 2 of 3
G203 - 1 of 3
G203 - 1 of 3
Power, Ground, Data Link Connector, and SP205