GM Service Manual Online
For 1990-2009 cars only
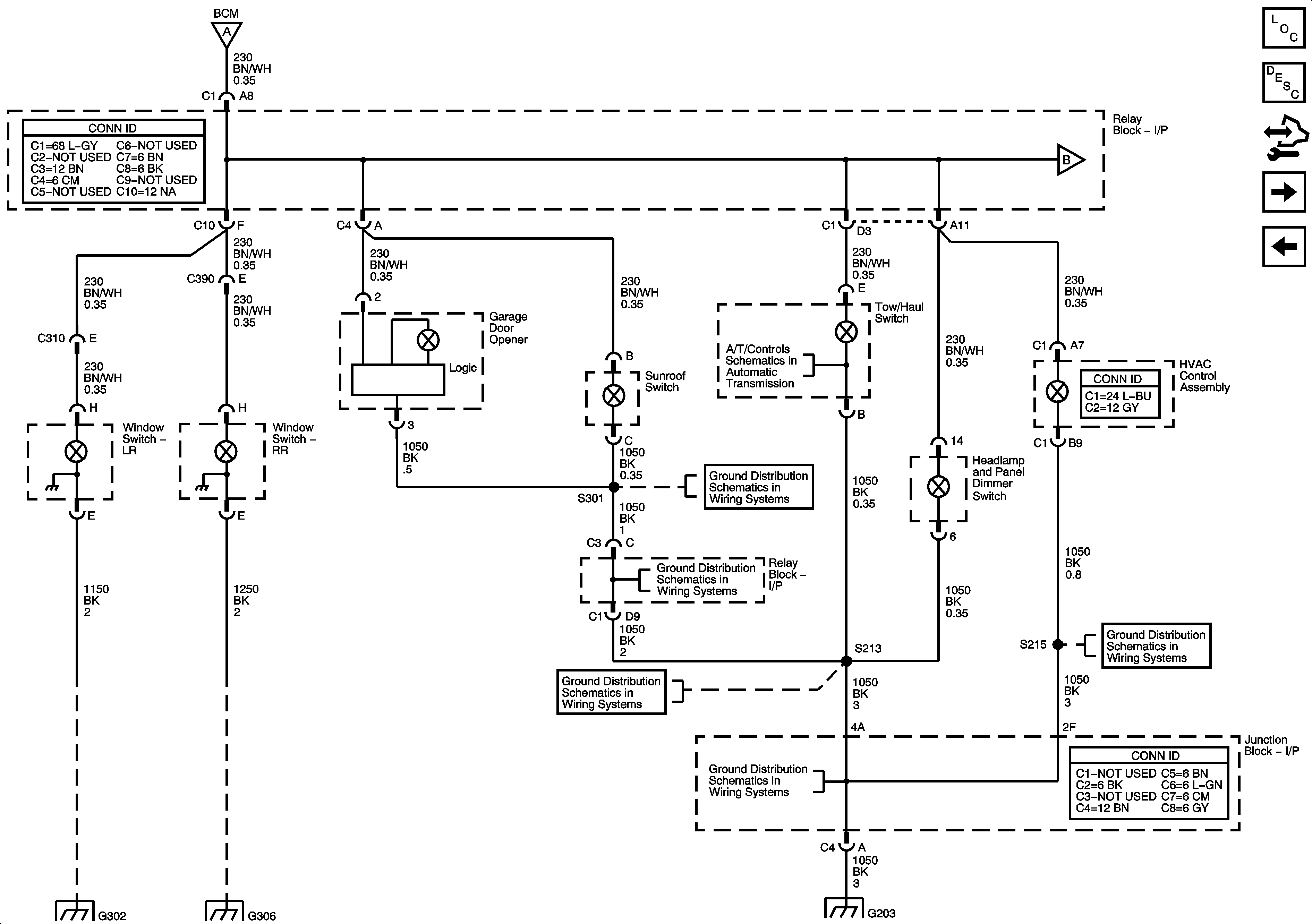
Figure 1:

Instrument Panel Dimming - 1 of 5 and LED Dimming - 1 of 2


Object Number: 1566965  Size: FS
Master Electrical Component List
Interior Lighting Systems Description and Operation
Control Module References
Instrument Panel Dimming - 2 of 5
Instrument Panel Dimming - 2 of 5
G203 - 1 of 3
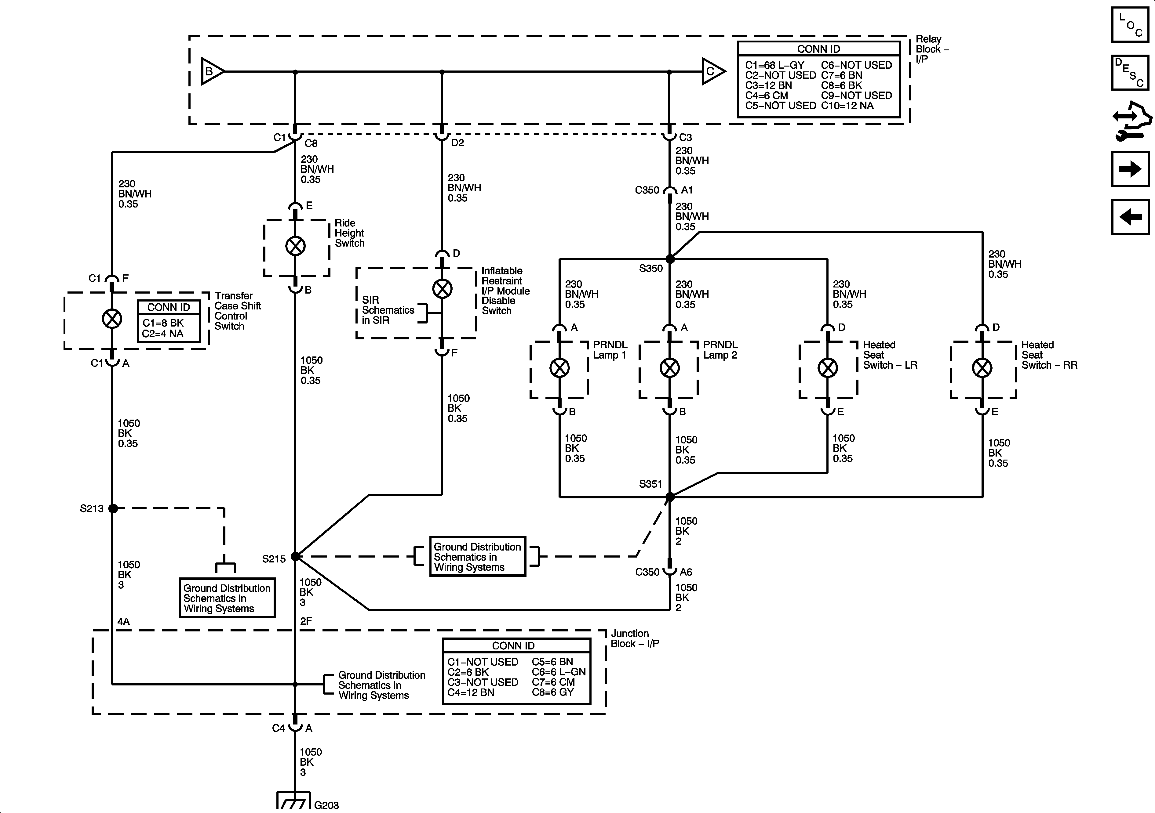
Figure 2:

Instrument Panel Dimming - 2 of 5


Object Number: 1566968  Size: FS
Master Electrical Component List
Interior Lighting Systems Description and Operation
Control Module References
Instrument Panel Dimming - 3 of 5
Instrument Panel Dimming - 1 of 5 and LED Dimming - 1 of 2
Courtesy Lamps - Rear Doors and B-Pillars
Courtesy Lamps - Headliner
PNP Switch, 4WD Signal, Serial Data, and Indicator
G203 - 2 of 3
G203 - 2 of 3
G203 - 2 of 3
G203 - 2 of 3
Ground Distribution Schematics
G203 - 1 of 3
G302, G304, and G306
G302, G304, and G306
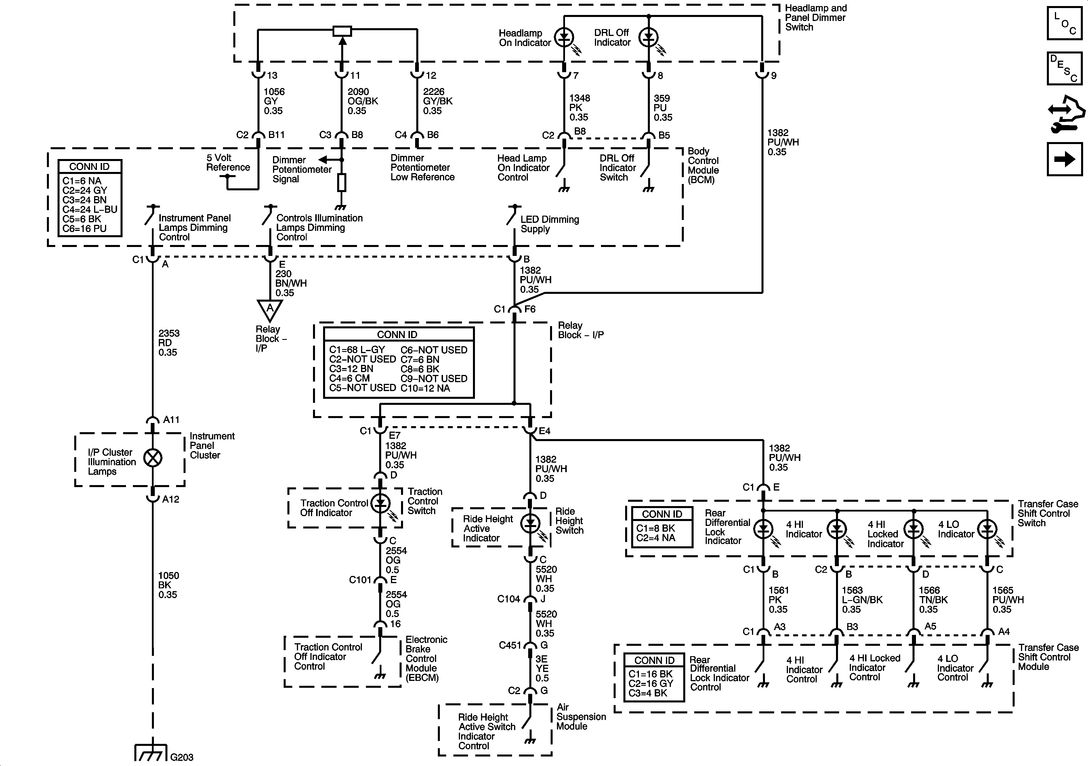
Figure 3:

Instrument Panel Dimming - 3 of 5


Object Number: 1566969  Size: FS
Master Electrical Component List
Interior Lighting Systems Description and Operation
Control Module References
Instrument Panel Dimming - 4 of 5
Instrument Panel Dimming - 2 of 5
Instrument Panel Dimming - 2 of 5
Instrument Panel Dimming - 4 of 5
G203 - 2 of 3
Ground Distribution Schematics
G203 - 2 of 3
G203 - 1 of 3
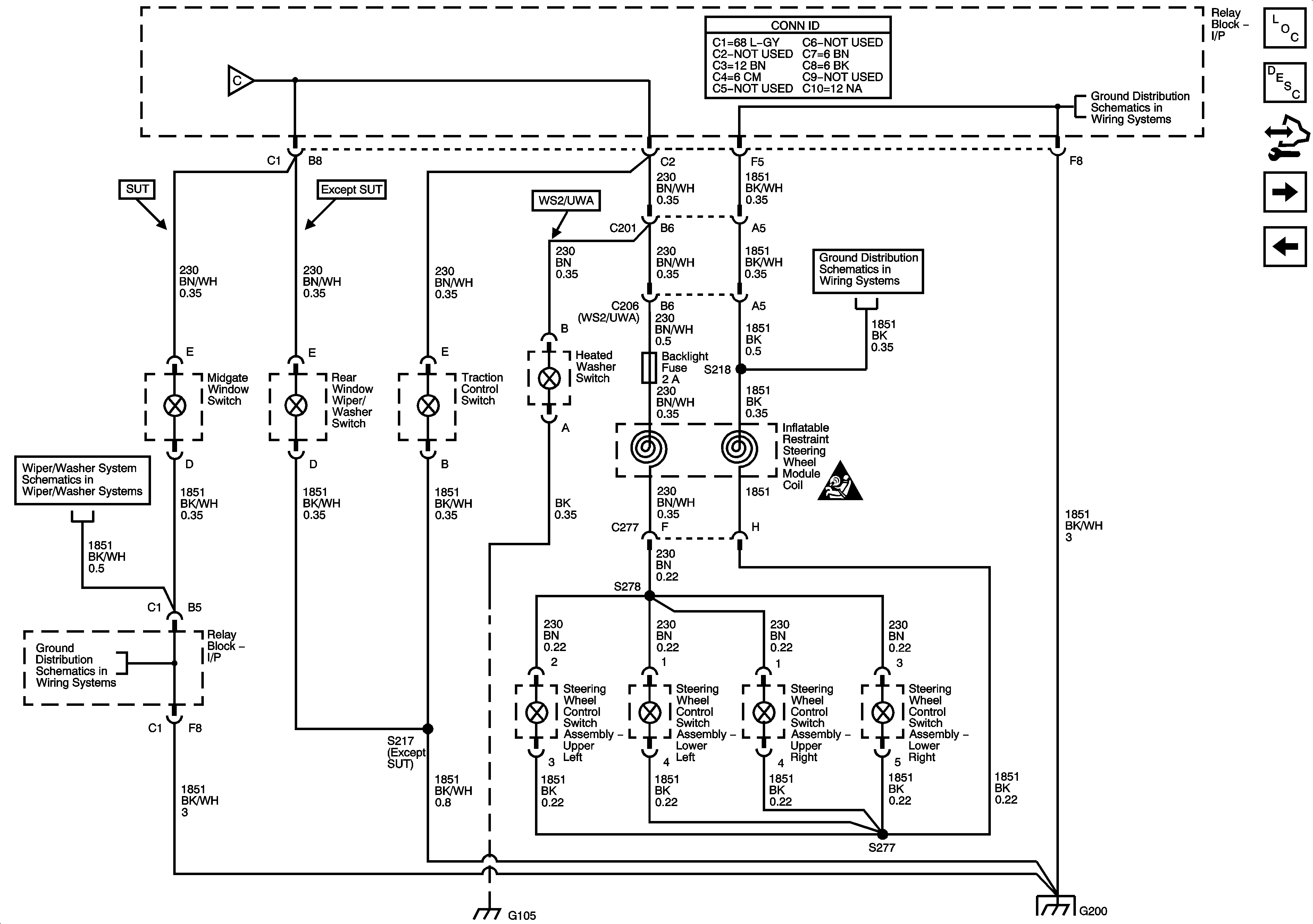
Figure 4:

Instrument Panel Dimming - 4 of 5


Object Number: 1566970  Size: FS
Master Electrical Component List
Interior Lighting Systems Description and Operation
Control Module References
Instrument Panel Dimming - 5 of 5 and LED Dimming - 2 of 2
Instrument Panel Dimming - 3 of 5
Instrument Panel Dimming - 3 of 5
Ground Distribution Schematics
Ground Distribution Schematics
G200
G200
G200
SIR Schematic Icons
Figure 5:

Instrument Panel Dimming - 5 of 5 and LED Dimming - 2 of 2


Object Number: 1566972  Size: FS