GM Service Manual Online
For 1990-2009 cars only
Makes
🢒
HUMMER
🢒
2006
🢒
H2
🢒
Accessories
🢒
Cellular Communication
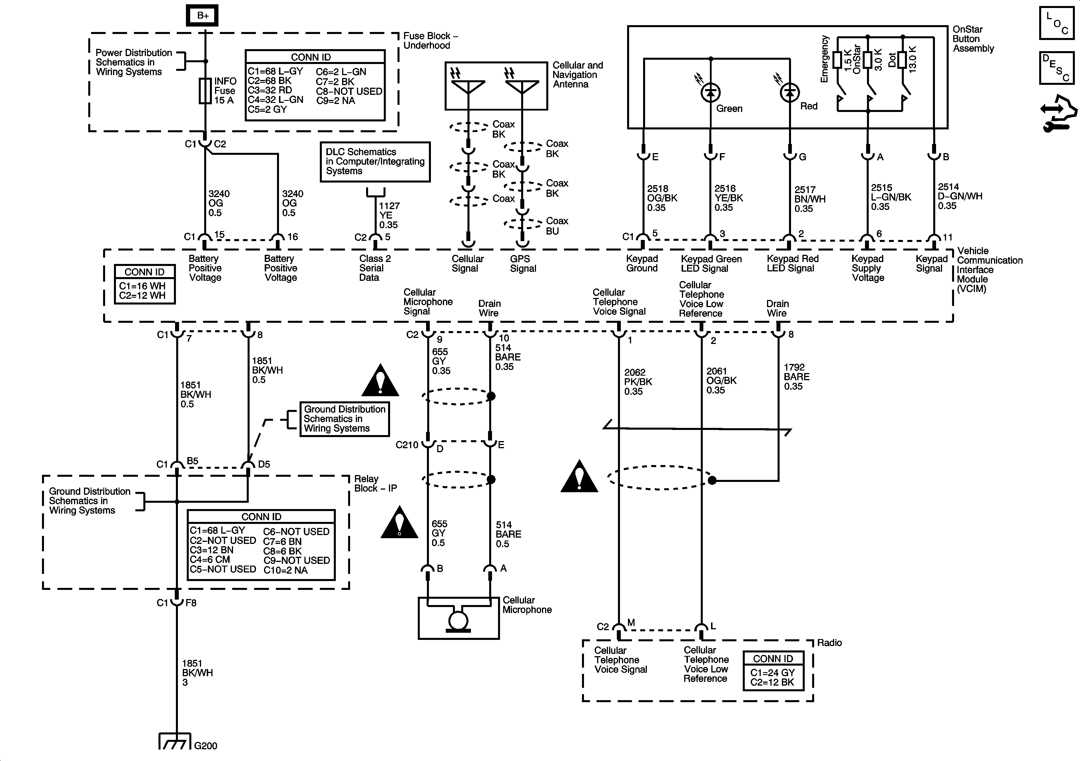
🢒 OnStar Schematics
Master Electrical Component List
OnStar Description and Operation
Control Module References
B+ Bus
DDM, INFO, LBEC 1, LBEC 2, LGATE, LOCKS, PDM, TBC 2A, TBC 2B, and TBC 2C Fuses and LEFT DOOR and MIDGATE Circuit Breakers
SP206 and SP207
G200
G200
G200
Computer/Integrating Systems Schematic Icons
Computer/Integrating Systems Schematic Icons
Computer/Integrating Systems Schematic Icons