GM Service Manual Online
For 1990-2009 cars only
Figure 1:

Module Power, Ground, Serial Data, and MIL


Object Number: 1566854  Size: FS
Figure 2:

Engine Data Sensors - 5-Volt and Low Reference


Object Number: 1566858  Size: FS
Figure 3:

Engine Data Sensors - Pressure, Temperature, MAF, and VSS


Object Number: 1566860  Size: FS
Figure 4:

Engine Data Sensors - Oxygen Sensors


Object Number: 1566861  Size: FS
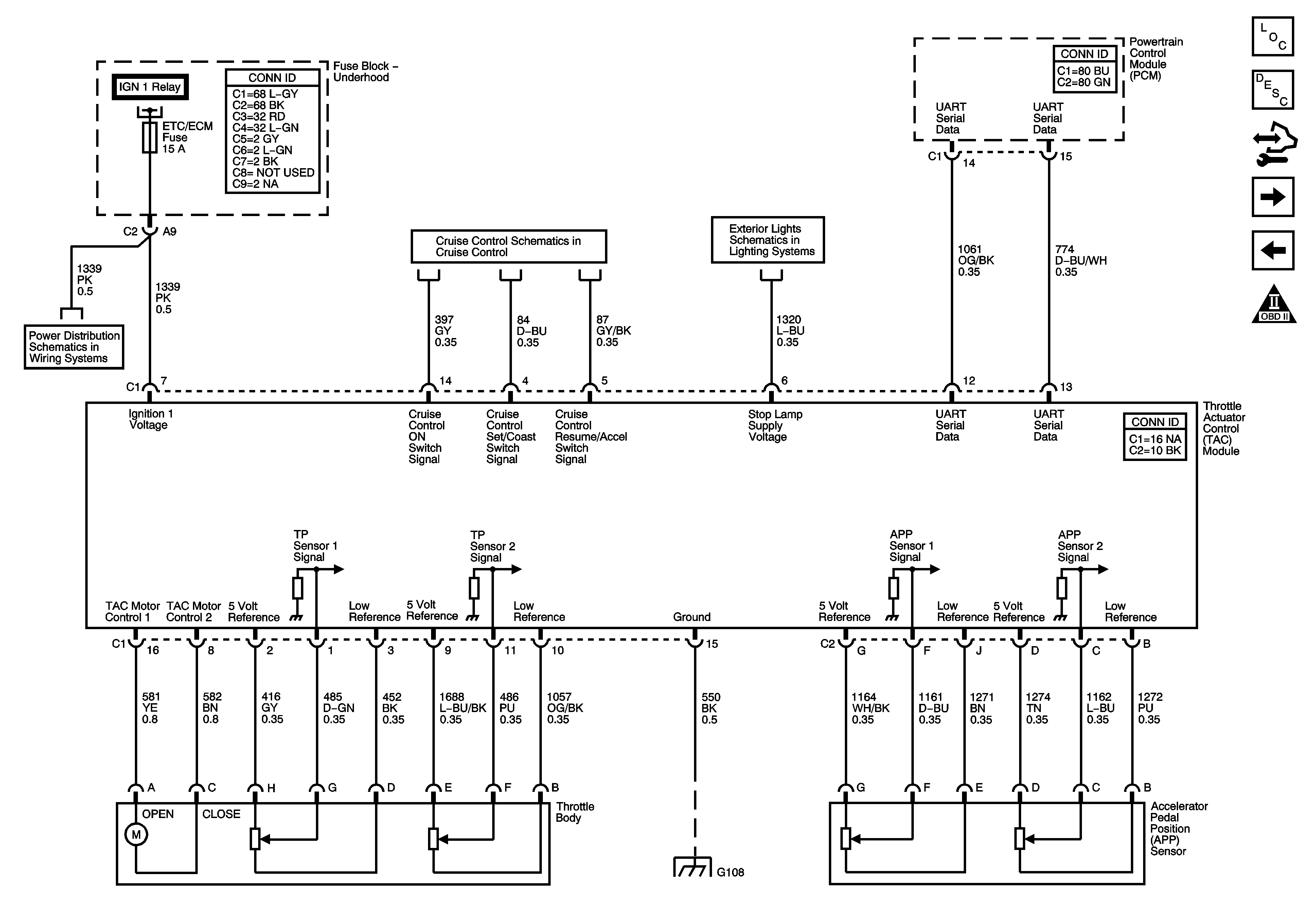
Figure 5:

Engine Data Sensors - Electronic Throttle Controls


Object Number: 1566864  Size: FS
Figure 6:

Ignition Controls - Ignition System Coils 1, 3, 5, and 7


Object Number: 1566868  Size: FS
Figure 7:

Ignition Controls - Ignition System Coils 2, 4, 6, and 8


Object Number: 1566869  Size: FS
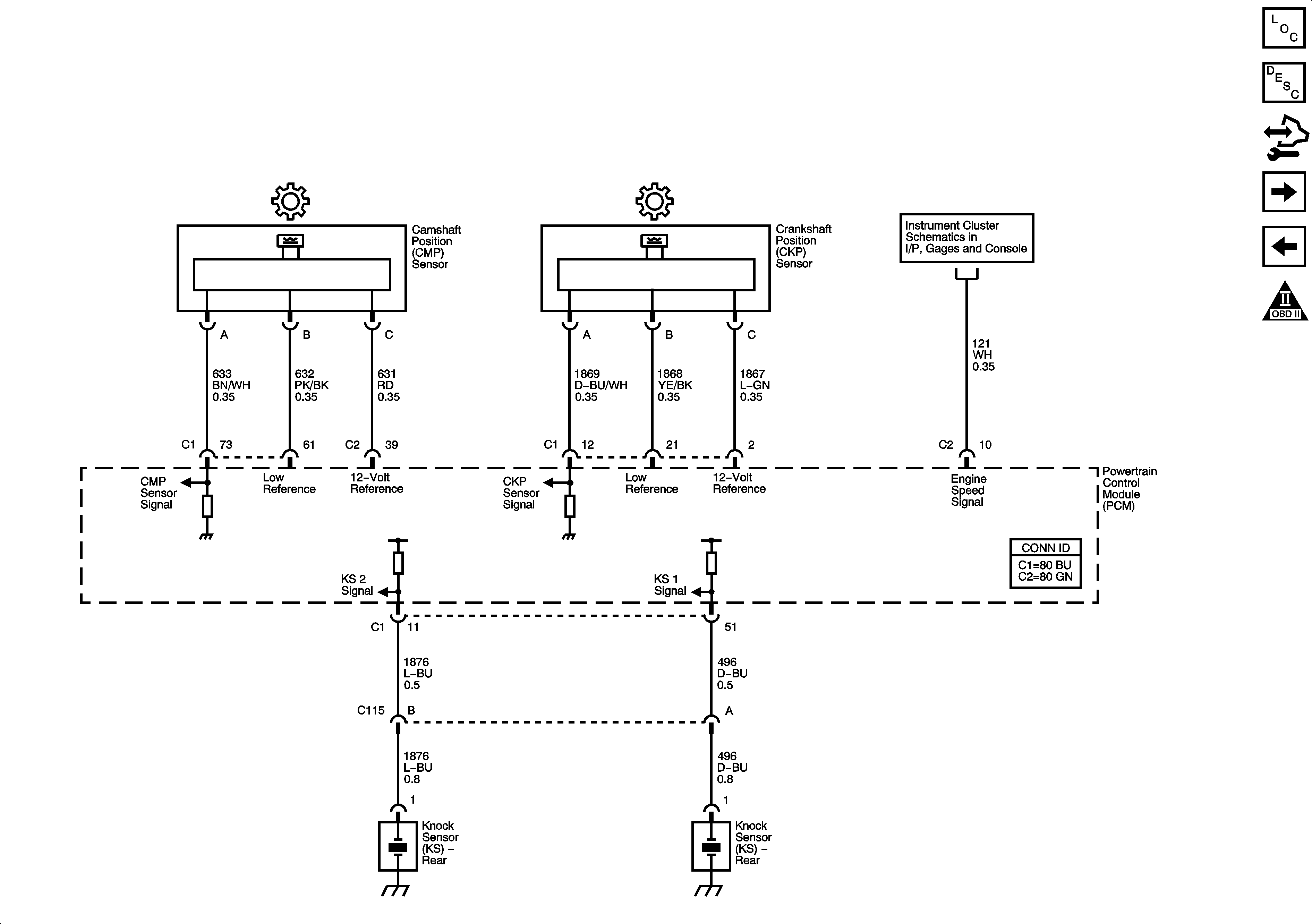
Figure 8:

Ignition Controls - Sensors


Object Number: 1566870  Size: FS
Master Electrical Component List
Electronic Ignition (EI) System Description
Control Module References
Fuel Pump Controls and Fuel Injectors
Ignition Controls - Ignition System Coils 2, 4, 6, and 8
Gages
Figure 9:

Fuel Pump Controls and Fuel Injectors


Object Number: 1566871  Size: FS
Figure 10:

Fuel Controls - EVAP Controls


Object Number: 1566874  Size: FS
Figure 11:

Controlled/Monitored Subsystem References


Object Number: 1566875  Size: FS