GM Service Manual Online
For 1990-2009 cars only
Makes
🢒
HUMMER
🢒
2006
🢒
H2
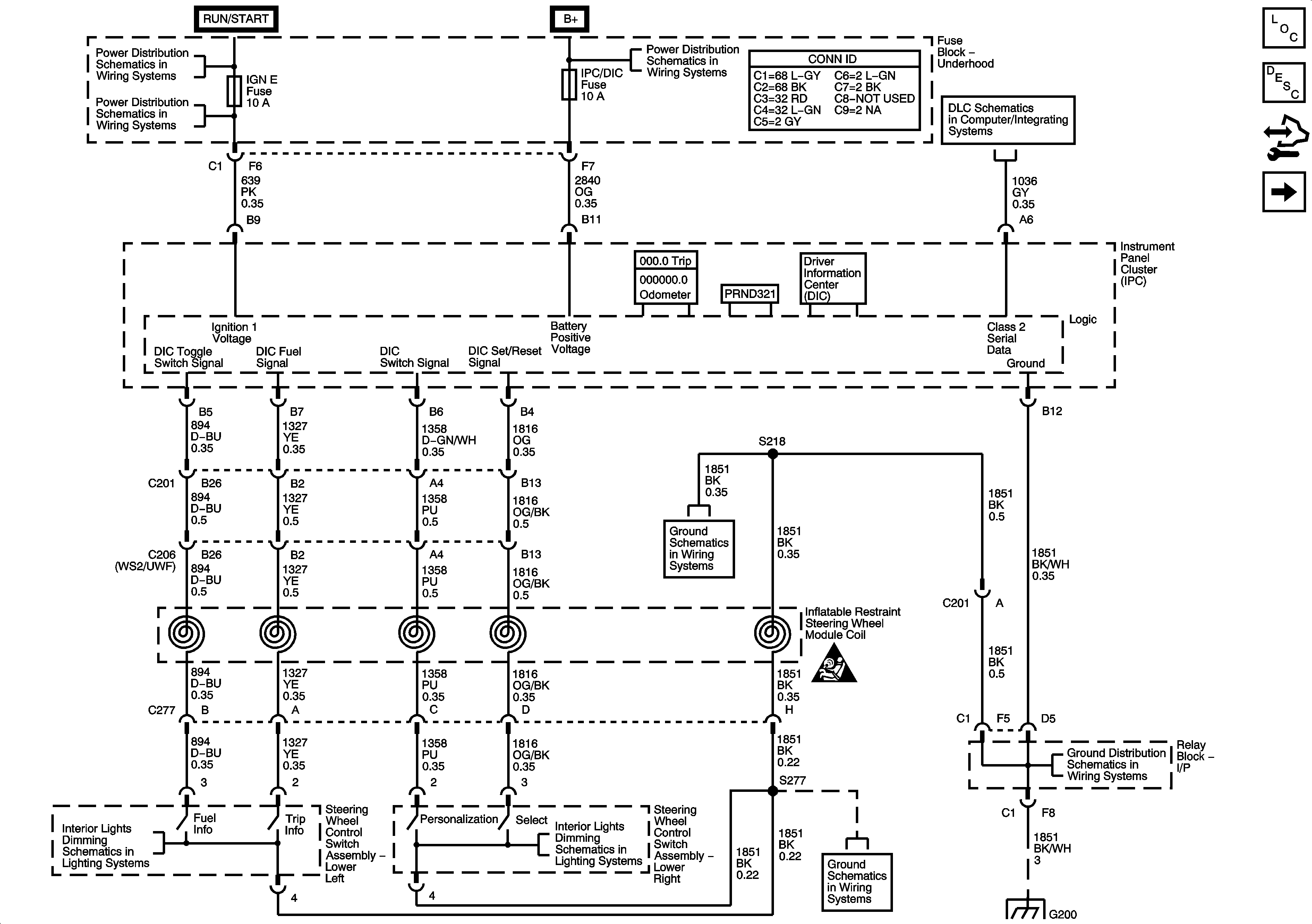
🢒 Power, Ground, Serial Data, and Driver Information
Power, Ground, Serial Data, and Driver Information
Power, Ground, Serial Data, and Driver Information
Master Electrical Component List
Instrument Cluster Description and Operation
Control Module References
Gages
AIR BAG, IGN E, and SEO IGN Fuses
AIR BAG, IGN E, and SEO IGN Fuses
Ignition Switch - ACCY/RUN/START, RUN and START Bus Bars, and CRANK and IGN A Fuses
B+ Bus
HVAC/ECAS, IPC/DIC, PCM B, SEO B1, SEO B2, TBC BATT, and TREC Fuses
Power, Ground, Data Link Connector, and SP205
Instrument Panel Dimming - 4 of 5
Instrument Panel Dimming - 4 of 5
G200
G200
G200
SIR Schematic Icons