GM Service Manual Online
For 1990-2009 cars only
Figure 1:

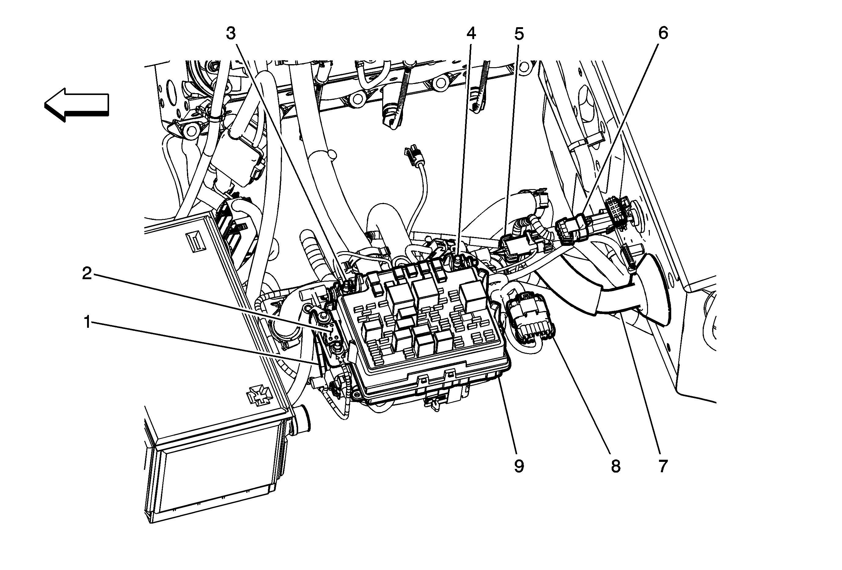
Fuse Block Underhood, C102, C107, and C108


Object Number: 1764700  Size: MF
(1)Fusable Link (WS2)
(2)Mega Fuse (WS2)
(3)Stud 1
(4)Stud 2 - Trailer Connector Power Feed
(5)C107 (UVC)
(6)C108 (WS2)
(7)I/P Harness
(8)C102
(9)Underhood Fuse Block
Figure 2:

Fuse Block - I/P


Object Number: 827523  Size: MF
(1)Fuse Block - I/P
(2)Driver Door Harness
(3)Fuse Block - I/P - C3 (BK)
Figure 3:

Relay Block - I/P


Object Number: 825740  Size: MF
(1)Relay Block - I/P
(2)Body Harness
(3)Relay Block - I/P - C10 (NA)
Figure 4:

Junction Block-I/P


Object Number: 820125  Size: MF
(1)Junction Block-I/P
(2)I/P Harness
(3)Footwell Courtesy Lamp Socket-Right
(4)Footwell Courtesy Lamp Bulb-Right
Figure 5:

Electronically Controlled Air Suspension Relay and G300


Object Number: 828177  Size: MF
(1)S304
(2)G300
(3)Chassis Harness
(4)Electronically Controlled Air Suspension Relay
Figure 6:

Steering Wheel and Column


Object Number: 856748  Size: LF
(1)Steering Wheel Control Switch Assembly - Upper Left
(2)Passlock Sensor Connector
(3)Ignition Key Alarm Switch
(4)Ignition Lock Cylinder Control Actuator
(5)Ignition Lock Cylinder Control Actuator Connector
(6)Ignition Switch
(7)Ignition Key Cylinder
(8)Steering Wheel Control Switch Assembly - Upper Right
(9)Horn Switch
(10)Steering Wheel Control Switch Assembly - Lower Right
(11)C277
(12)Steering Wheel Control Switch Assembly - Lower Left
(13)Turn Signal/Multifunction Switch
Figure 7:

Steering Wheel Controls Backlight Fuse


Object Number: 857908  Size: LF
(1)Steering Column
(2)Transfer Case Shift Control Module
(3)Splice Pack SP206
(4)Steering Wheel Controls Backlight Fuse
Figure 8:

G100


Object Number: 825388  Size: MF
(1)Negative Battery Cable
(2)Left Front Frame Rail
(3)G100-Negative Battery cable
(4)G100-Forward Lamp Harness
(5)Forward Lamp Harness
Figure 9:

G103 and G104


Object Number: 825336  Size: MF
(1)Engine Harness
(2)G103-Engine Harness Ground
(3)G104
(4)Camshaft Position (CMP) Sensor Connector
(5)Engine Oil Pressure (EOP) Sensor Connector
Figure 10:

G102


Object Number: 825321  Size: MF
(1)G102-Negative Battery Cable
(2)G102-Engine Harness Ground
(3)Engine Harness
Figure 11:

Heated Washer Harness (WS2)


Object Number: 1764723  Size: MF
(1)S107
(2)Heated Washer C1
(3)Heated Washer C2
(4)C108
(5)Mega Fuse
(6)Fusable Link
(7)G105
Figure 12:

G106


Object Number: 825386  Size: MF
(1)G106
(2)Dash Panel
(3)Engine Ground Strap
Figure 13:

G200


Object Number: 820070  Size: LF
(1)C200
(2)C202
(3)G200
(4)I/P Harness
Figure 14:

Behind Right Side Kick Panel


Object Number: 1775681  Size: LF
(1 )FM Modulator (UWF/UWG)
(2)Controller to FM Modulator Connector (UWF/UWG)
(3)Radio Antenna Coax Connector
(4)C236
(5)C298
(6)G203
Figure 15:

Left Side of I/P


Object Number: 1482831  Size: LF
(1)Body Control Module (BCM) - C1
(2)BCM - C2
(3)BCM - C4
(4)BCM- C3
(5)BCM - C5
(6)BCM
(7)Data Link Connector (DLC)
(8)Fuse Block - I/P - C1
(9)Fuse Block - I/P
(10)Splice Pack SP205
Figure 16:

Splice Pack SP206


Object Number: 857908  Size: LF
(1)Steering Column
(2)Transfer Case Shift Control Module
(3)Splice Pack SP206
(4)Steering Wheel Controls Backlight Fuse
Figure 17:

Splice Pack SP207


Object Number: 825721  Size: LF
(1)C200
(2)Splice Pack SP207
(3)C202
(4)Left Side Cowl Panel
Figure 18:

G300


Object Number: 825346  Size: MF
(1)Chassis Harness
(2)G300
(3)Left Frame Body Mount
Figure 19:

G302


Object Number: 825282  Size: MF
(1)B Pillar
(2)Body Harness
(3)G302
Figure 20:

G304


Object Number: 828959  Size: MF
(1)G304
(2)Body Harness
(3)Inflatible Restraint and Diagnostic Module (SDM) Connector
Figure 21:

G306


Object Number: 825292  Size: MF
(1)B Pillar
(2)Body Harness
(3)G306
Figure 22:

G308


Object Number: 825382  Size: MF
(1)G308
(2)Body Mount-RH
(3)Chassis Harness
Figure 23:

G310


Object Number: 825379  Size: MF
(1)Body Mount-LH
(2)G310
(3)Chassis Harness
Figure 24:

G401


Object Number: 825380  Size: MF
(1)G401
(2)Body Mount-LH
(3)Fuel Tank Filler Ground
(4)Chassis Harness
Figure 25:

C450, C451, and G402


Object Number: 1769001  Size: MF
(1)Air Suspension Module
(2)G402
(3)C451
(4)Rear Axle
(5)C450
Figure 26:

G405


Object Number: 825384  Size: MF
(1)Chassis Harness
(2)G405
(3)Body Mount-RH
(4)Air Suspension Inflator Switch Connector
Figure 27:

G410 and SP410 (Except SUT)


Object Number: 825429  Size: LF
(1)Inner Side Panel - RH
(2)G410
(3)SP410