GM Service Manual Online
For 1990-2009 cars only

Removal Procedure

  1. Loosen and move the reward center console for access to the knee bolster bolt. Refer to Console Replacement .
  2. Remove the instrument panel cluster (IPC) trim. Refer to Instrument Cluster Trim Panel Replacement .

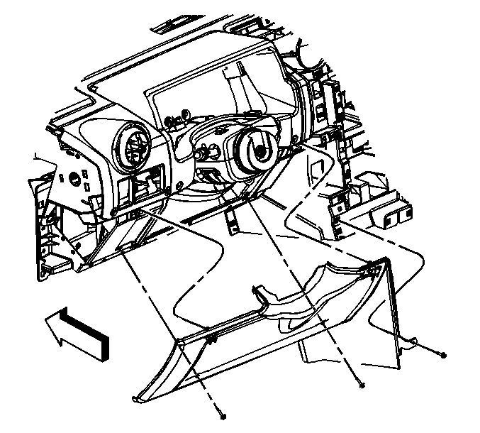
  3. Object Number: 832830  Size: SH
  4. Remove the screws/bolts that hold the knee bolster trim panel to the I/P.
  5. Remove the knee bolster trim.

Installation Procedure


    Object Number: 832830  Size: SH
  1. Install the knee bolster trim panel to the I/P.
  2. Notice: Refer to Fastener Notice in the Preface section.

  3. Install the knee bolster trim panel screws.
  4. Tighten
    Tighten the screws to 2 N·m (18 lb in).

  5. Install the IPC trim. Refer to Instrument Cluster Trim Panel Replacement .
  6. Align and move the forward center console in place and fasten to the center console bracket. Refer to Console Replacement .