GM Service Manual Online
For 1990-2009 cars only
Makes
🢒
HUMMER
🢒
2007
🢒
H2
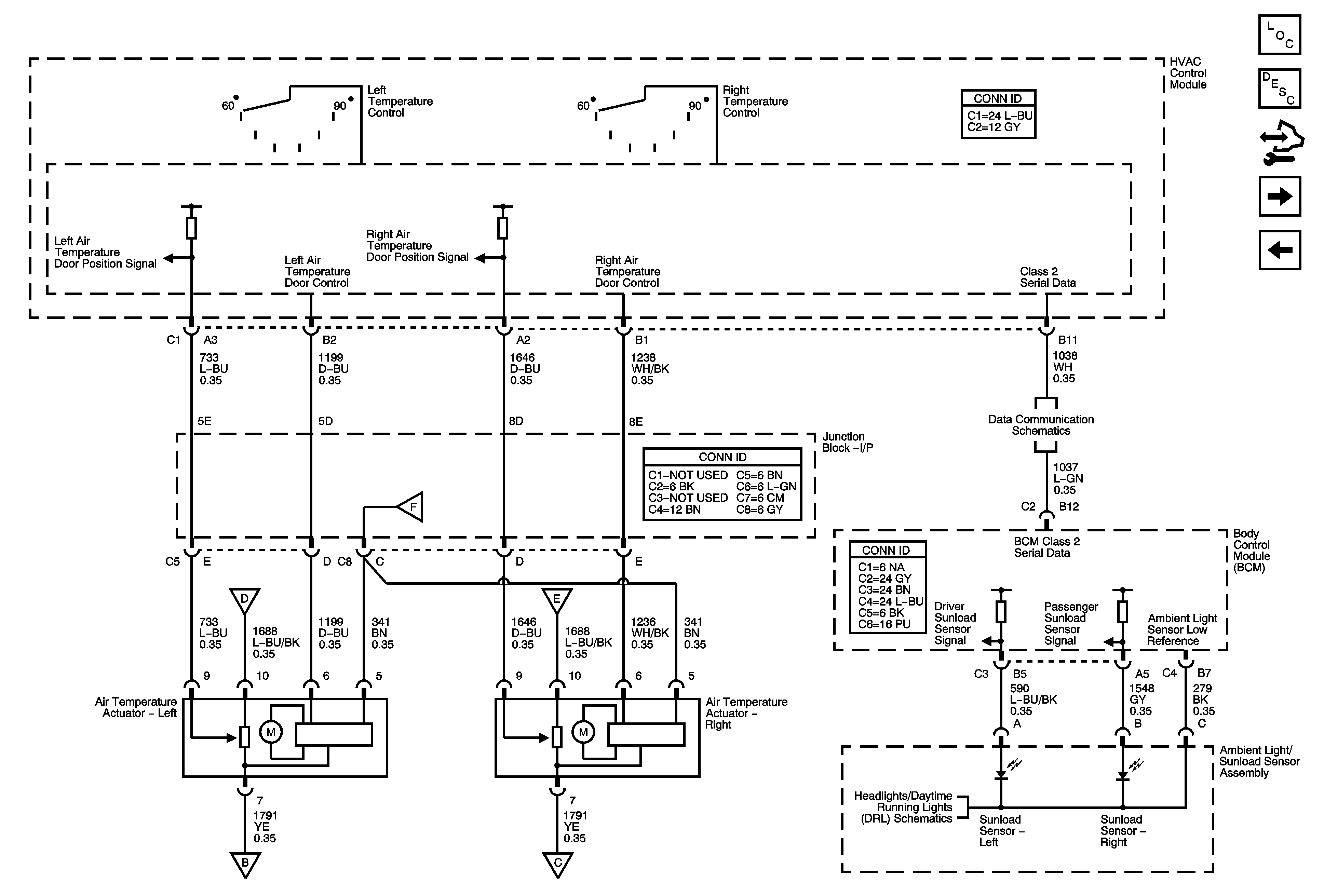
🢒 Temperature Controls and Sunload Signals
Temperature Controls and Sunload Signals
Temperature Controls and Sunload Signals
Master Electrical Component List
Air Temperature Description and Operation
Control Module References
Temperature Sensors
Mode and Recirculation Controls
Mode and Recirculation Controls
Mode and Recirculation Controls
Mode and Recirculation Controls
Mode and Recirculation Controls
Mode and Recirculation Controls
Power, Ground, DLC and Splice Pack SP205
Headlamp Control