GM Service Manual Online
For 1990-2009 cars only
Makes
🢒
HUMMER
🢒
2007
🢒
H2
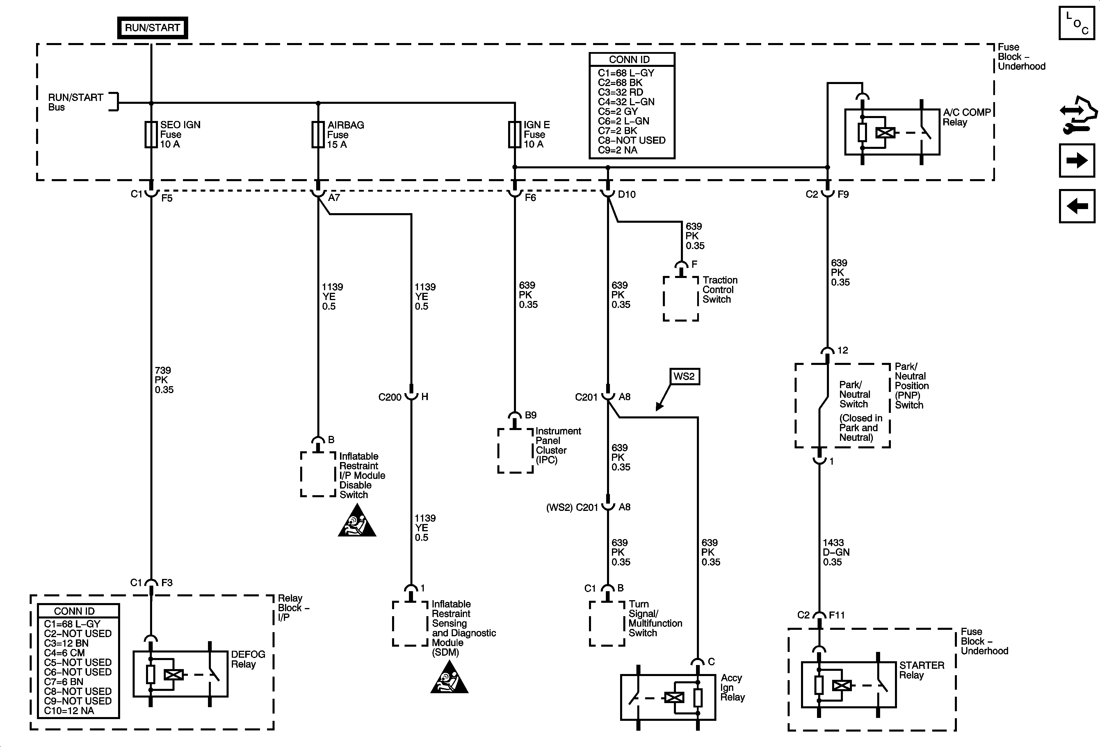
🢒 IGN E, SEO IGN, and SIR Fuses
IGN E, SEO IGN, and SIR Fuses
IGN E, SEO IGN and SIR Fuses
Master Electrical Component List
Control Module References
IGN 0, RR WPR, SEO ACCY, TBC ACCY, TBC IGN 0, and WS WPR Fuses
B/U LP, BTSI, O2A, O2B, TBC IGN1, and TRL B/U Fuses
Ignition Switch - ACCY/RUN and RUN/START Bus Bars, and IGN B Fuse
Power and Grounding Schematic Icons
Power and Grounding Schematic Icons