GM Service Manual Online
For 1990-2009 cars only
Makes
🢒
HUMMER
🢒
2007
🢒
H2
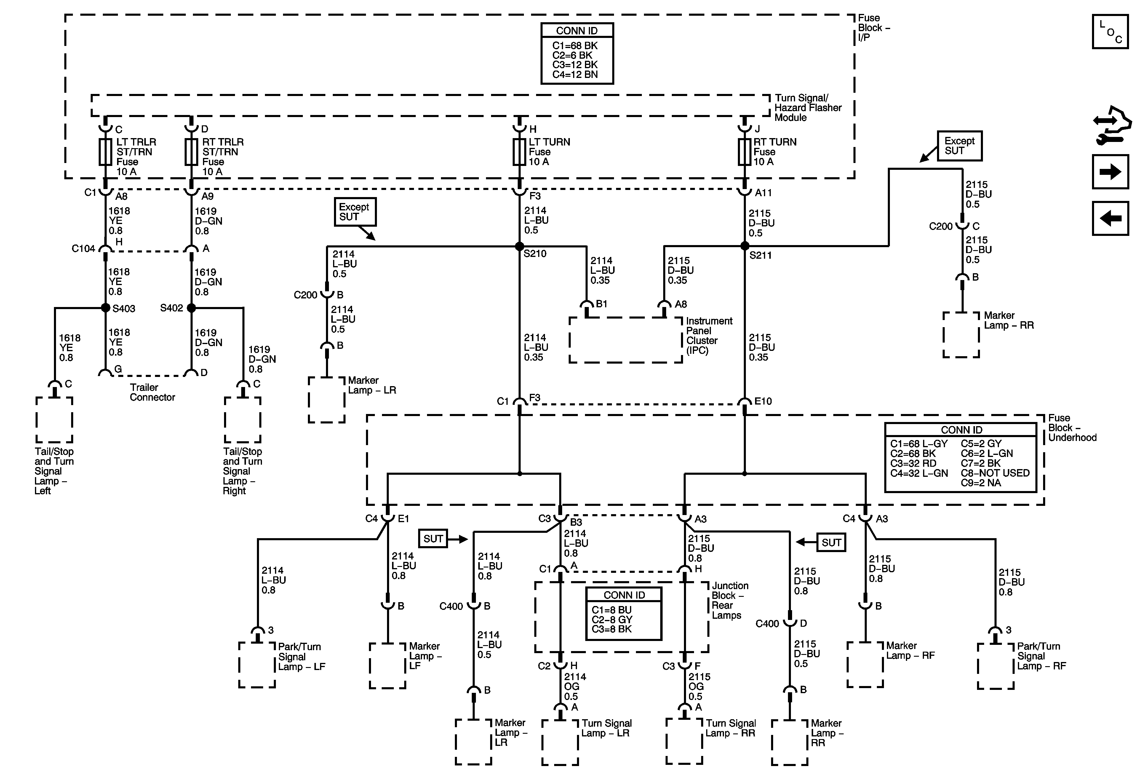
🢒 FLASH, LT TRLR, LT TURN, RT TRLR, and RT TURN Fuses
FLASH, LT TRLR, LT TURN, RT TRLR, and RT TURN Fuses
FLASH, LT TRLR, LT TURN, RT TRLR, and RT TURN Fuses
Master Electrical Component List
Control Module References
HI HDLP LT, HI HDLP RT, LO HDLP LT, and LO HDLP RT Fuses
4WD, BRAKE, CRUISE, HVAC 1, and IGN 3 Fuses