GM Service Manual Online
For 1990-2009 cars only
Makes
🢒
HUMMER
🢒
2007
🢒
H2
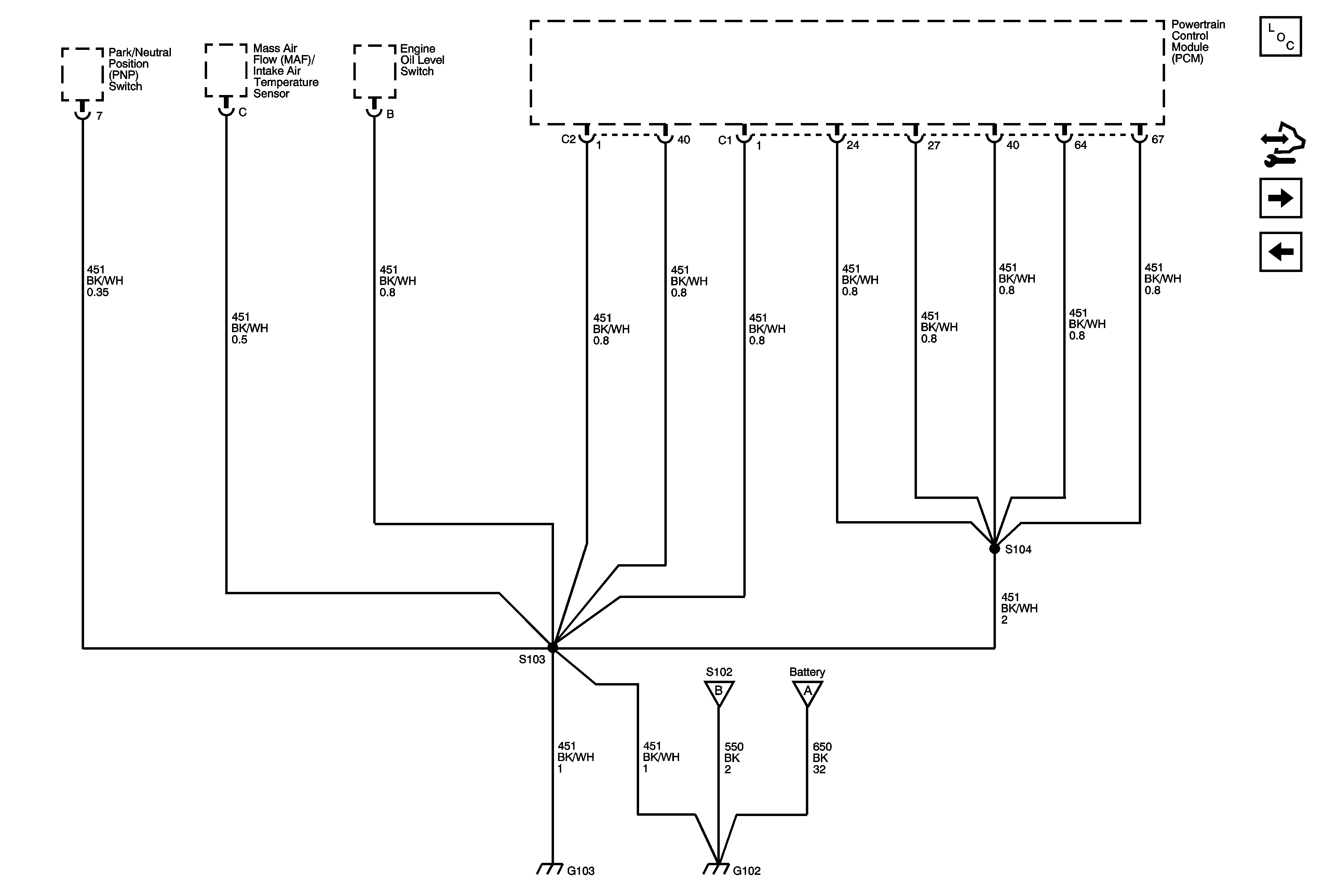
🢒 G103 and G103
G103 and G103
G102 and G103
Master Electrical Component List
Control Module References
G104 and G106
G100 and G105
G104 and G106
G100 and G105