GM Service Manual Online
For 1990-2009 cars only
Makes
🢒
HUMMER
🢒
2007
🢒
H2
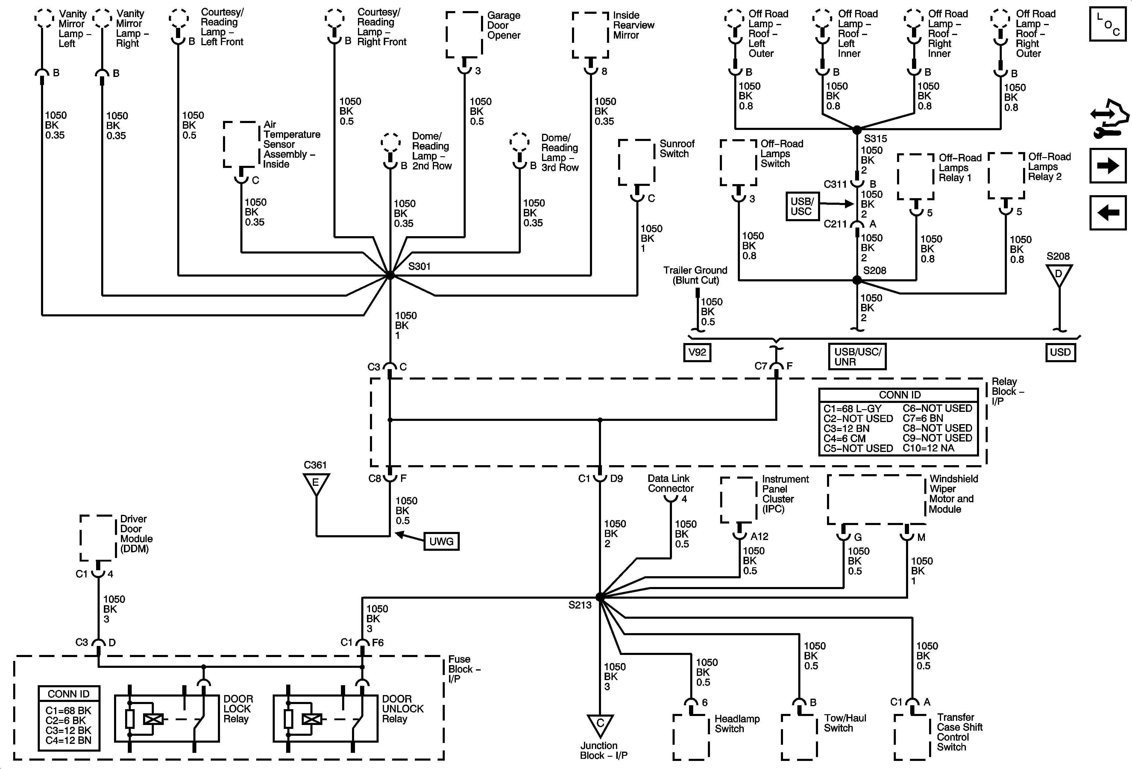
🢒 G203 - 2 of 3
G203 - 2 of 3
G203 - 2 of 3
Master Electrical Component List
Control Module References
G203 - 3 of 3
G203 - 1 of 3
G203 - 3 of 3
G203 - 1 of 3
G203 - 3 of 3