GM Service Manual Online
For 1990-2009 cars only

Removal Procedure


    Object Number: 801111  Size: SH
  1. Drain the cooling system. Refer to Cooling System Draining and Filling .
  2. Reposition the surge tank inlet hose clamp from the radiator.
  3. Remove the surge tank inlet hose (1) from the radiator.

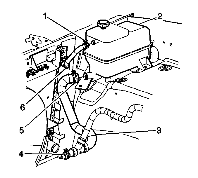
  4. Object Number: 801110  Size: SH
  5. Reposition the surge tank inlet hose clamp (1) at the surge tank (2).
  6. Remove the surge tank inlet hose (6) from the surge tank (2).

Installation Procedure


    Object Number: 801110  Size: SH
  1. Install the surge tank inlet hose (6) to the surge tank (2).
  2. Position the surge tank inlet hose clamp (1) to the surge tank (2).

  3. Object Number: 801111  Size: SH
  4. Install the surge tank inlet hose (1) to the radiator.
  5. Position the surge tank inlet hose clamp to the radiator.
  6. Fill the cooling system. Refer to Cooling System Draining and Filling .